D0630-抢险救援消防车悬架系统设计+CAD+说明书==368786=250AutoCAD图档

图档名称为:D0630-抢险救援消防车悬架系统设计+CAD+说明书==368786=250,属于机械设备,医疗器械分类,软件为AutoCAD, 图纸格式为pdf,dwg,可在线预览,可编辑,可供设计参考

加入收藏
模型参数

模型ID:10369146

模型大小:4.33M

软件版本: AutoCAD 2004

模型格式:pdf,dwg

是否可编辑:可修改,包括参数

上传时间:2026-01-15

图纸介绍:

下载模型
沽酒客
作品: 0
粉丝: 0
文件列表
1. 上横臂.PDF
47.8 KB
2. 上横臂.dwg
69.4 KB
3. 下横臂.PDF
62.1 KB
4. 下横臂.dwg
69 KB
5. 任务书.doc
38 KB
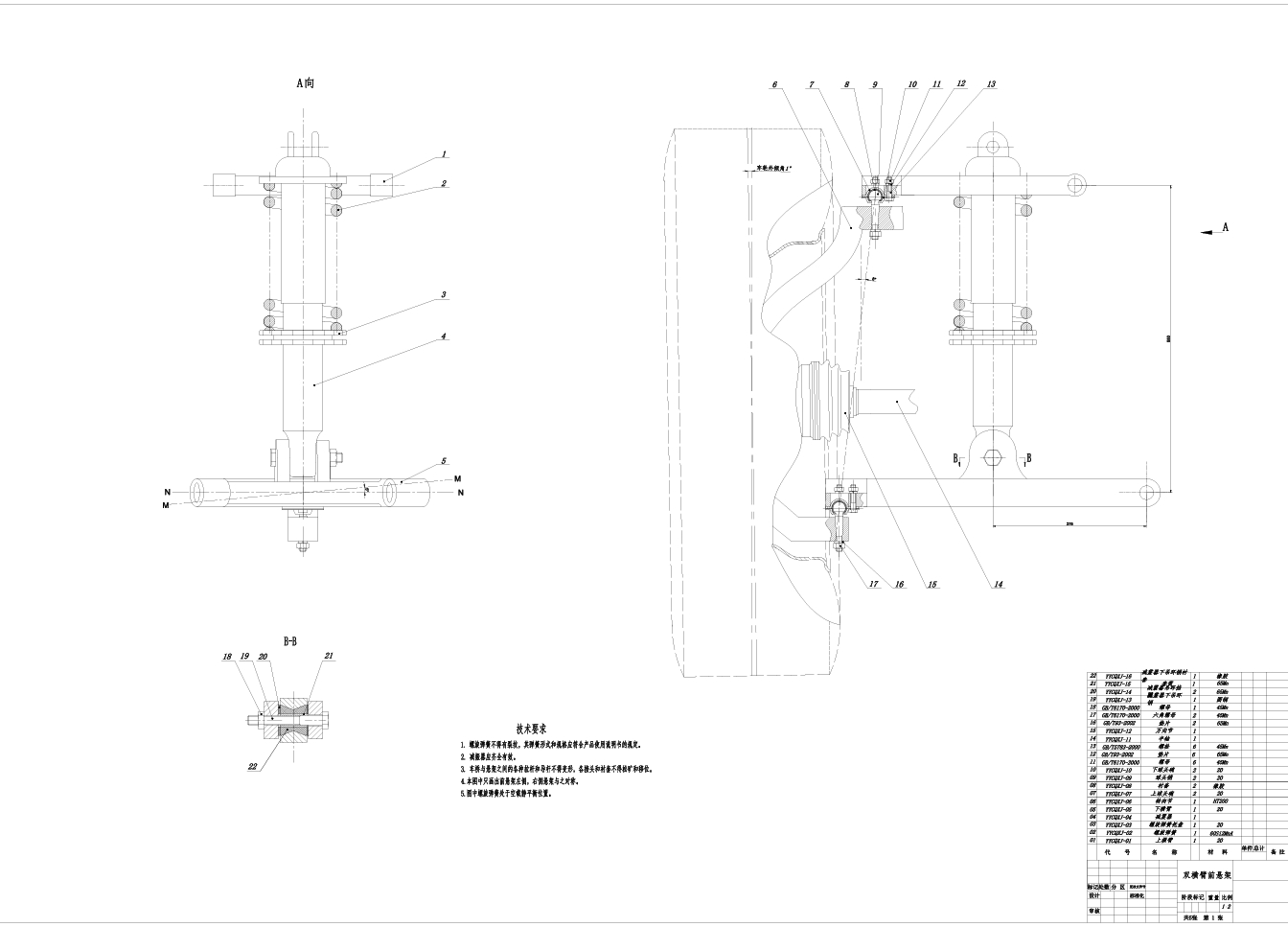
6. 前悬架总装图.PDF
265 KB
7. 前悬架总装图.dwg
116 KB
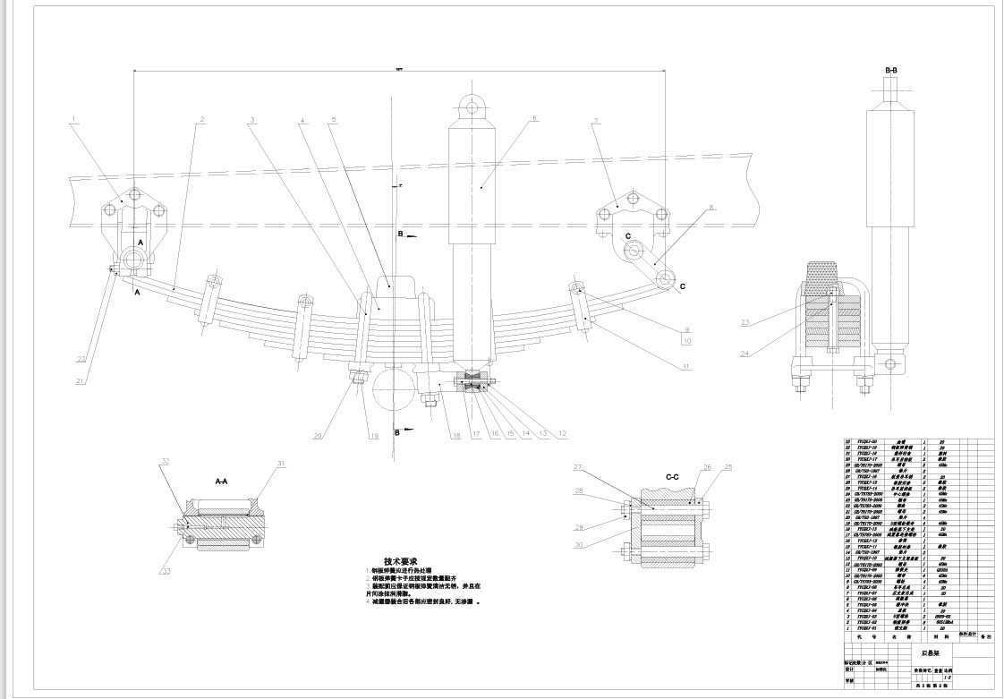
8. 后悬架总装图.PDF
294 KB
9. 后悬架总装图.dwg
116 KB
10. 外文文献及翻译.doc
63 KB
11. 开题报告.doc
51.5 KB
12. 微信截图_20240630171053.png
161 KB
13. 微信截图_20240630171059.png
175 KB
14. 微信截图_20240630171102.png
119 KB
15. 微信截图_20240630171114.png
257 KB
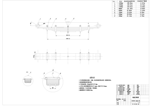
16. 板簧.PDF
215 KB
17. 板簧.dwg
86.1 KB
18. 说明书 (1).pdf
768 KB
19. 说明书.doc
1.78 MB
20. 说明书.pdf
768 KB
【D0630-抢险救援消防车悬架系统设计+CAD+说明书==368786=250】相关作品
提示
×

下载该图档需要消耗10金币!

确认下载
加载中