D0715-240ktaPVC氯乙烯合成工段工艺设计+CAD+说明书AutoCAD图档

图档名称为:D0715-240ktaPVC氯乙烯合成工段工艺设计+CAD+说明书,属于机械设备,非标机械分类,软件为AutoCAD, 图纸格式为pdf,dwg,可在线预览,可编辑,可供设计参考

加入收藏
模型参数

模型ID:10366989

模型大小:7.49M

软件版本: AutoCAD 2013

模型格式:pdf,dwg

是否可编辑:可修改,包括参数

上传时间:2026-01-11

图纸介绍:

下载模型
文件列表
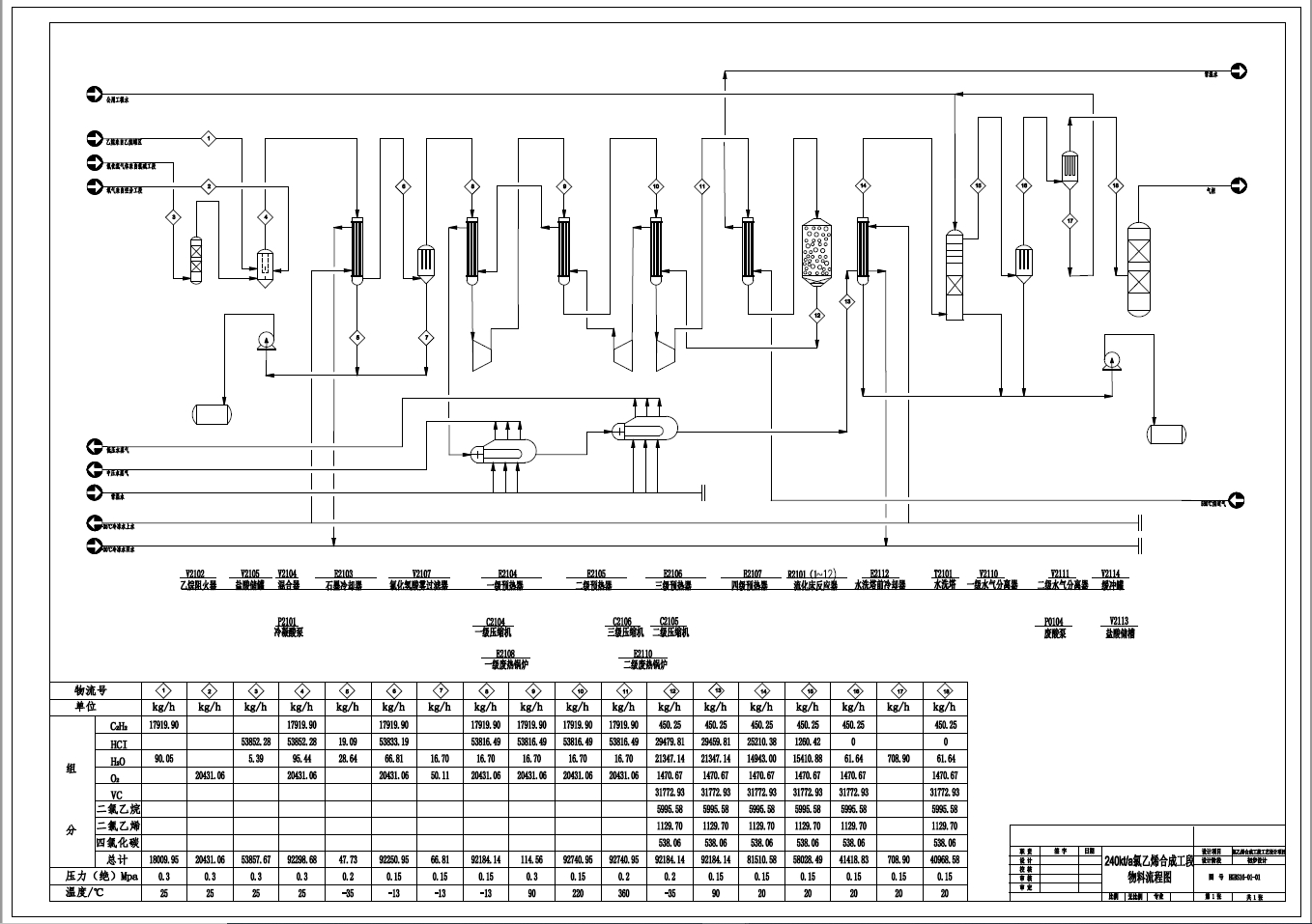
1. A1-240kta氯乙烯合成工段物料流程图.PDF
410 KB
2. A1-240kta氯乙烯合成工段物料流程图.dwg
94.3 KB
3. A1-240kta氯乙烯合成工段管道仪表流程图PID共4张.PDF
724 KB
4. A1-240kta氯乙烯合成工段管道仪表流程图PID共4张.dwg
718 KB
5. A1-VC合成工段设备布置图共4张.PDF
1.12 MB
6. A1-VC合成工段设备布置图共4张.dwg
478 KB
7. A1-氯乙烯合成工段工艺设计首页图.PDF
28.5 KB
8. A1-氯乙烯合成工段工艺设计首页图.dwg
806 KB
9. 后期检查时用的杂表.xlsx
62.6 KB
10. 外文翻译原文:乙烷制氯乙烯使用的流化床反应器规模化研究.pdf
645 KB
11. 外文翻译译文:乙烷制氯乙烯使用的流化床反应器规模化研究.docx
281 KB
12. 微信截图_20240630181014.png
295 KB
13. 微信截图_20240630181023.png
248 KB
14. 微信截图_20240630181035.png
318 KB
15. 微信截图_20240630181041.png
275 KB
16. 成稿配套的Aspen.appdf
255 KB
17. 成稿配套的Aspen.apw
709 KB
18. 成稿配套的Aspen.bkp
94.2 KB
19. 成稿配套的Aspen.def
254 B
20. 成稿配套的Aspen.for
0 B
21. 成稿配套的Aspen.his
24.2 KB
22. 换热器选型校核过程.xls
70 KB
23. 换热器选型计算过程及相应的管径选择.xlsx
12 KB
24. 流化床反应器选型.xlsx
31.1 KB
25. 热量衡算表.xlsx
72.2 KB
26. 物料衡算过程.xlsx
35.5 KB
27. 说明书.docx
312 KB
28. 说明书.pdf
665 KB
【D0715-240ktaPVC氯乙烯合成工段工艺设计+CAD+说明书】相关作品
下载提示
×

下载该图档需要消耗50金币!

确认下载
-- 热门充值套餐 · 限时优惠 --
加载中