D0731-4000m3d啤酒废水处理工艺设计+CAD+说明书==987971=250AutoCAD图档

图档名称为:D0731-4000m3d啤酒废水处理工艺设计+CAD+说明书==987971=250,属于生活办公,生活用品分类,软件为AutoCAD, 图纸格式为pdf,dwg,可在线预览,可编辑,可供设计参考

加入收藏
模型参数

模型ID:10365122

模型大小:2.9M

软件版本: AutoCAD 2007

模型格式:pdf,dwg

是否可编辑:可修改,包括参数

上传时间:2026-01-10

图纸介绍:

下载模型
文件列表
1. A3-CASS反应池工艺平面图.PDF
128 KB
2. A3-CASS反应池工艺平面图.dwg
248 KB
3. A3-UASB反应池平面图.PDF
64.2 KB
4. A3-UASB反应池平面图.dwg
82 KB
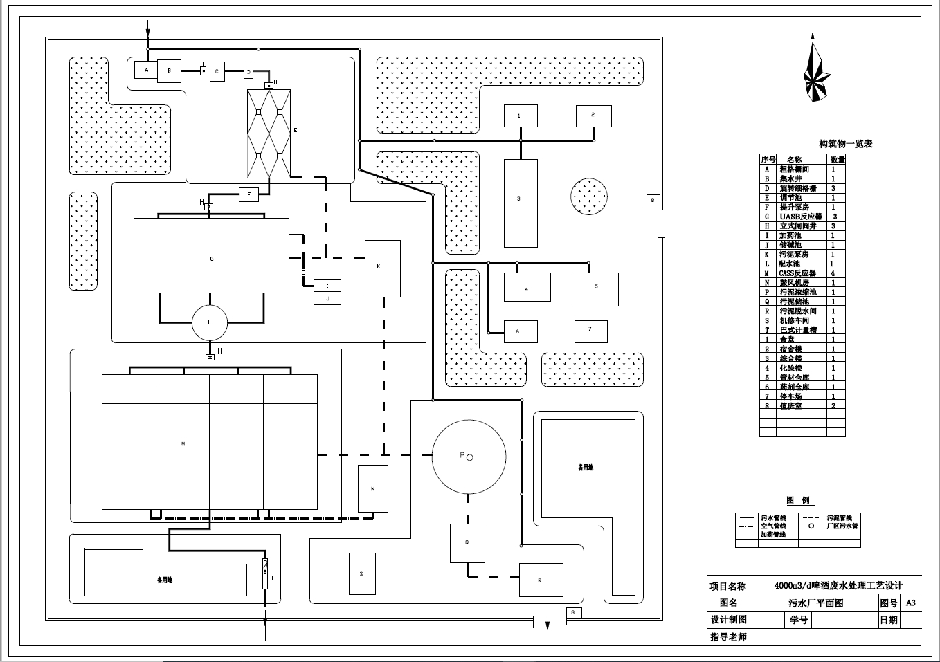
5. A3-污水厂平面图.PDF
144 KB
6. A3-污水厂平面图.dwg
65.4 KB
7. A3-污水厂重力浓缩池.PDF
111 KB
8. A3-污水厂重力浓缩池.dwg
61.8 KB
9. A3-调节池大图.PDF
50.2 KB
10. A3-调节池大图.dwg
68.4 KB
11. A3-高程、工艺流程图.PDF
109 KB
12. A3-高程、工艺流程图.dwg
102 KB
13. A4-污水厂格栅组图.PDF
26.6 KB
14. A4-污水厂格栅组图.dwg
53.6 KB
15. 任务书:4000m3d啤酒废水处理工艺设计.doc
28.5 KB
16. 外文文献翻译:啤酒厂废水生物处理方法的最新进展.doc
124 KB
17. 外文文献:啤酒厂废水生物处理方法的最新进展.pdf
96.3 KB
18. 微信截图_20240630183154.png
267 KB
19. 微信截图_20240630183203.png
183 KB
20. 微信截图_20240630183206.png
179 KB
21. 微信截图_20240630183208.png
207 KB
22. 微信截图_20240630183215.png
92.9 KB
23. 微信截图_20240630183219.png
119 KB
24. 微信截图_20240630183223.png
78.8 KB
25. 说明书.doc
620 KB
26. 说明书.pdf
550 KB
【D0731-4000m3d啤酒废水处理工艺设计+CAD+说明书==987971=250】相关作品
下载提示
×

下载该图档需要消耗20金币!

确认下载
-- 热门充值套餐 · 限时优惠 --
加载中