2G036--切根机设计AutoCAD图档

图档名称为:2G036--切根机设计,属于机械设备,非标机械分类,软件为AutoCAD, 图纸格式为dwg,可在线预览,可编辑,可供设计参考

加入收藏
模型参数

模型ID:10363812

模型大小:1.22M

软件版本: AutoCAD 2007

模型格式:dwg

是否可编辑:可修改,包括参数

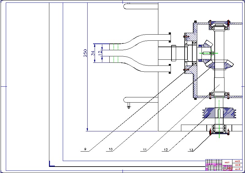
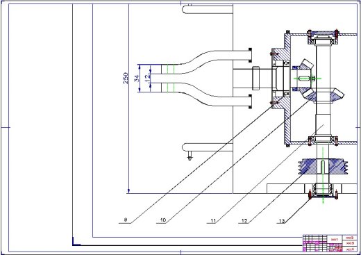
上传时间:2026-01-04

图纸介绍:

下载模型
作品: 303
粉丝: 0
文件列表
1. A0装配图-Gb A0 标题栏.jpg
81 KB
2. A0装配图-Model.jpg
106 KB
3. A0装配图.dwg
204 KB
4. A1刀具.dwg
68.2 KB
5. A1连接盘-Gb A1 标题栏.jpg
48.3 KB
6. A1连接盘-Model.jpg
8.03 KB
7. A1连接盘.dwg
97.3 KB
8. A1限深轮.dwg
117 KB
9. A3三点悬挂装置-Gb A3 标题栏.jpg
51.4 KB
10. A3三点悬挂装置-Model.jpg
24.2 KB
11. A3三点悬挂装置.dwg
121 KB
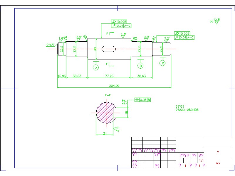
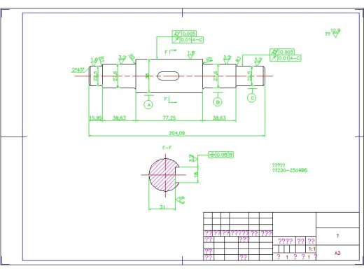
12. A3轴1-Model.jpg
70.3 KB
13. A3轴1.dwg
69.3 KB
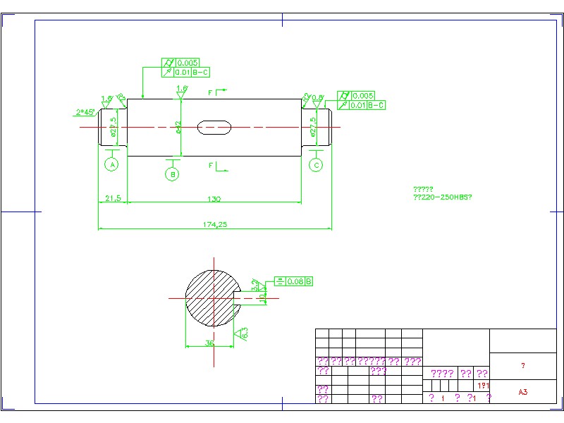
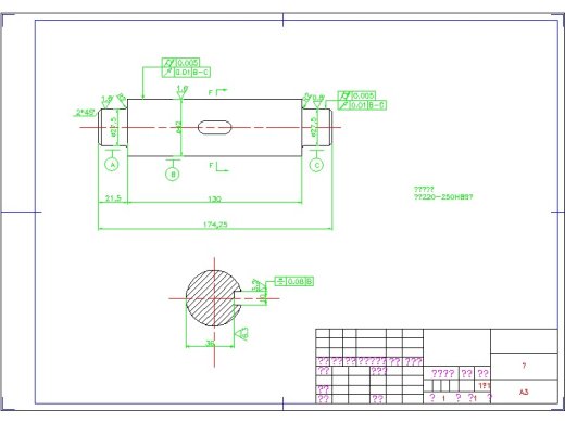
14. A3轴2-Model.jpg
64.8 KB
15. A3轴2.dwg
68.3 KB
16. 设计.doc
550 KB
下载提示
×

下载该图档需要消耗10金币!

确认下载
-- 热门充值套餐 · 限时优惠 --
加载中