2G032--牧草切根机的设计——传动装置AutoCAD图档

图档名称为:2G032--牧草切根机的设计——传动装置,属于设备部件,传动部件分类,软件为AutoCAD, 图纸格式为dwg,可在线预览,可编辑,可供设计参考

加入收藏
模型参数

模型ID:10314527

模型大小:1.42M

软件版本: AutoCAD 2007

模型格式:dwg

是否可编辑:可修改,包括参数

上传时间:2025-11-18

图纸介绍:

下载模型
作品: 276
粉丝: 0
文件列表
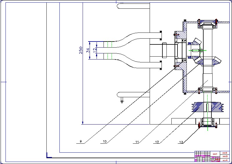
1. A0装配图-Gb A0 标题栏.jpg
81 KB
2. A0装配图-Model.jpg
107 KB
3. A0装配图.dwg
192 KB
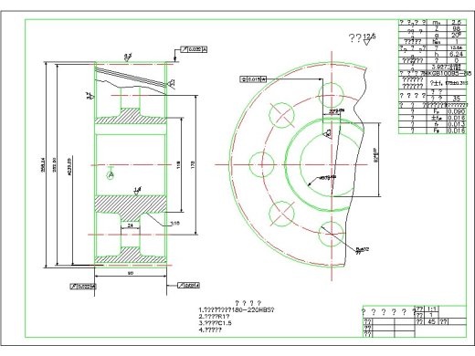
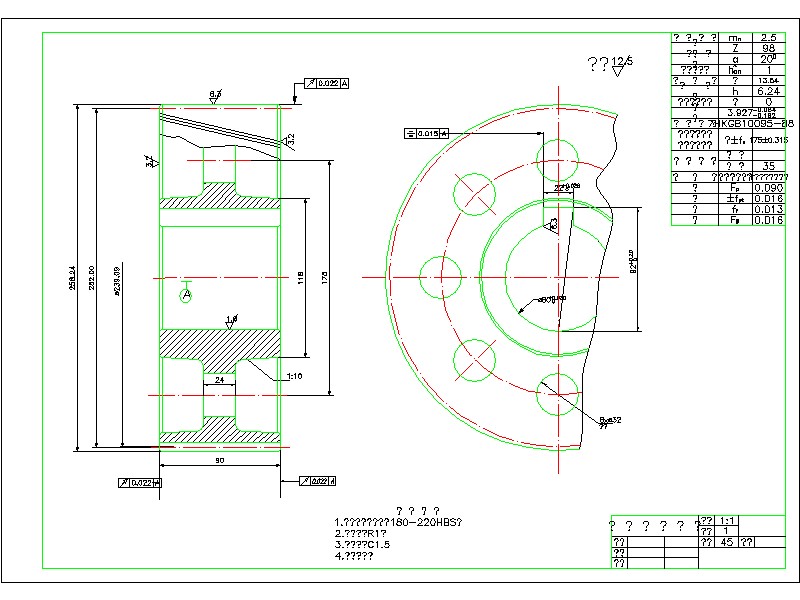
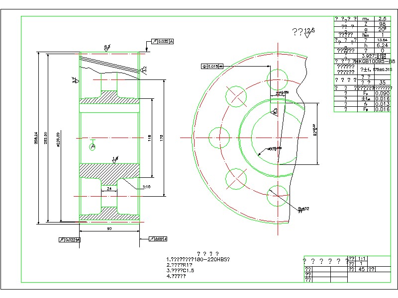
4. 低速大齿轮A2-Model.jpg
103 KB
5. 低速大齿轮A2.dwg
113 KB
6. 外文翻译.doc
48 KB
7. 开题报告.docx
29.5 KB
8. 摘要.doc
29 KB
9. 新建 Microsoft Word 文档.docx
14.7 KB
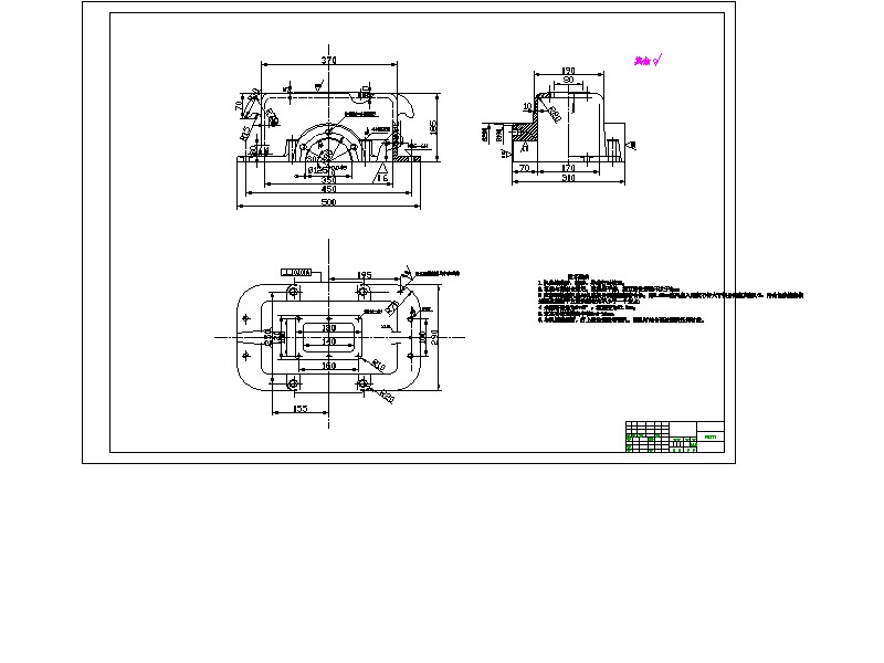
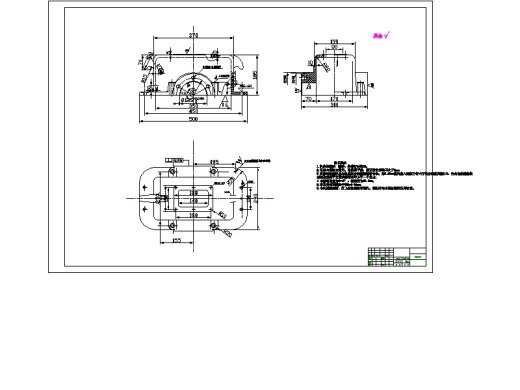
10. 箱盖A0-Model.jpg
57.4 KB
11. 箱盖A0-布局1.jpg
4.62 KB
12. 箱盖A0-布局2.jpg
4.62 KB
13. 箱盖A0-布局3.jpg
7.59 KB
14. 箱盖A0.dwg
98.4 KB
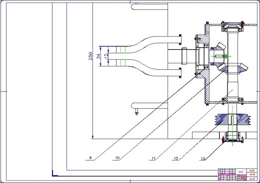
15. 装配图[1]-Model.jpg
8.11 KB
16. 装配图[1].dwg
209 KB
17. 说明书.doc
476 KB
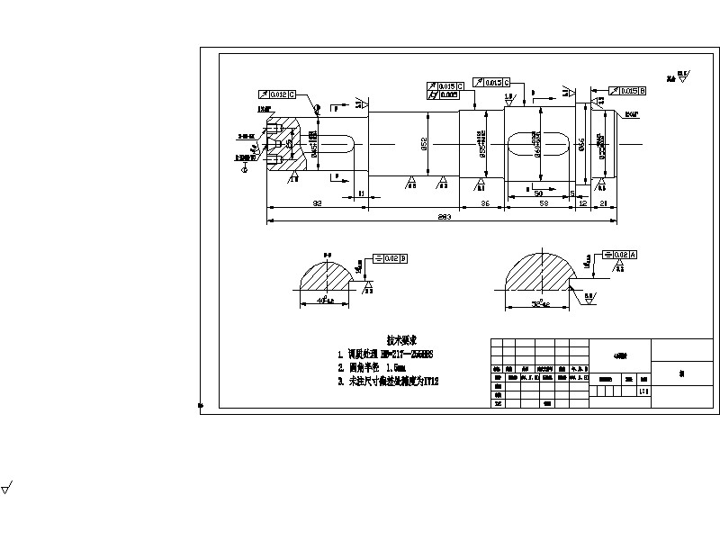
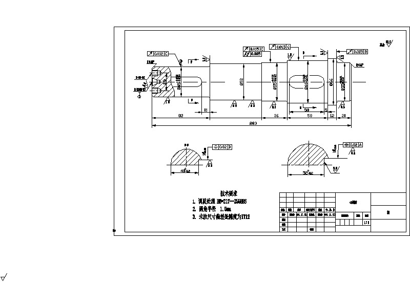
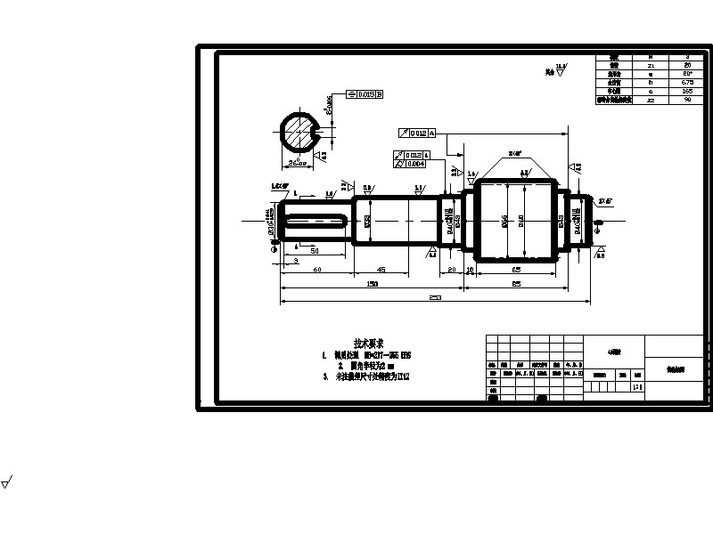
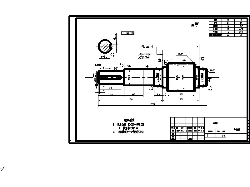
18. 轴[1]-Model.jpg
62.1 KB
19. 轴[1].dwg
84.2 KB
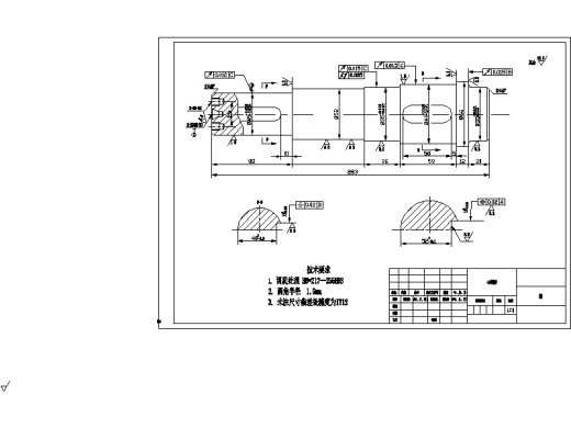
20. 齿轮轴[1]-Model.jpg
60.1 KB
21. 齿轮轴[1].dwg
85.4 KB
22. 齿轮轴[2]-Model.jpg
60.1 KB
23. 齿轮轴[2].dwg
85.4 KB
【2G032--牧草切根机的设计——传动装置】相关作品
下载提示
×

下载该图档需要消耗10金币!

确认下载
-- 热门充值套餐 · 限时优惠 --
加载中