低排放发动机燃烧室设计三维+二维=1390278==200catia,AutoCAD图档

图档名称为:低排放发动机燃烧室设计三维+二维=1390278==200,属于交通运输,车辆相关分类,软件为catia,AutoCAD, 图纸格式为dwg,可在线预览,可编辑,可供设计参考

加入收藏
模型参数

模型ID:10352961

模型大小:32.37M

软件版本: catia,AutoCAD 2010

模型格式:dwg

是否可编辑:可修改,包括参数

上传时间:2025-12-24

图纸介绍:

下载模型
琳琅
作品: 0
粉丝: 0
文件列表
1. Part19.CATPart
62.8 KB
2. Product0.1 - 副本.CATProduct
328 KB
3. Product0.1.CATProduct
352 KB
4. Product0.CATProduct
102 KB
5. Product1.CATProduct
36.9 KB
6. Product1001.CATProduct
1010 KB
7. Product2.CATProduct
26.2 KB
8. Product3.CATProduct
46.9 KB
9. Product5.1.CATProduct
32.6 KB
10. Product5.CATProduct
32.6 KB
11. Product6.CATProduct
128 KB
12. Product7.CATProduct
27.5 KB
13. huosai.CATPart
579 KB
14. huosaixiao.CATPart
99.2 KB
15. jinqimen.CATPart
131 KB
16. jinqitulunzhou.CATPart
860 KB
17. jinqitulunzhou1.CATPart
380 KB
18. jiti.CATPart
1020 KB
19. jiti1.CATPart
1.15 MB
20. jitizhou.CATPart
74.6 KB
21. liangan.CATPart
143 KB
22. liangan1.CATPart
91.6 KB
23. paiqimen tilunzhou.CATPart
842 KB
24. paiqimen.CATPart
140 KB
25. paiqitulunzhou1.CATPart
166 KB
26. penyouqi.CATPart
112 KB
27. qigangdian.CATPart
729 KB
28. qiganggai.CATPart
9.56 MB
29. qihuan.CATPart
79 KB
30. qimeisuojia.CATPart
69.1 KB
31. qimendaoguan.CATPart
66.4 KB
32. tanhuang.CATPart
150 KB
33. tulunjigouzhou1.CATPart
72.9 KB
34. tulunjigouzhou2.CATPart
69.6 KB
35. xiangjiao.CATPart
76.5 KB
36. youhuan.CATPart
135 KB
37. yuantong.CATPart
83.6 KB
38. 三维模型总成.png
183 KB
39. 上机体.png
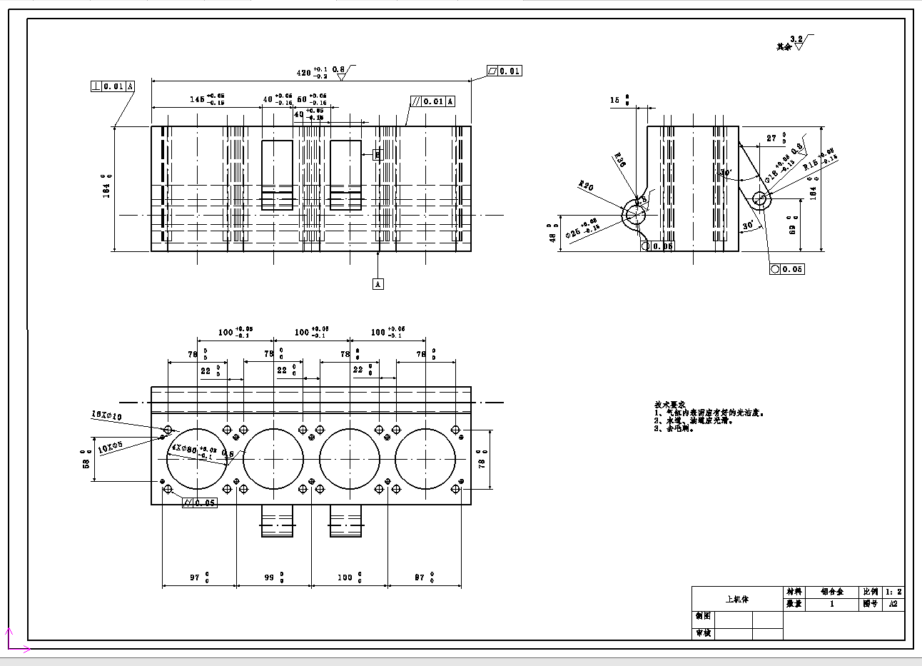
60.4 KB
40. 上机体三维模型.png
91.1 KB
41. 下机体.png
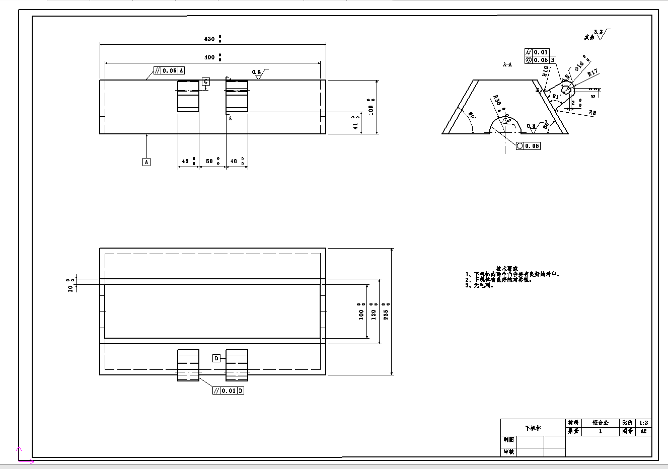
38.4 KB
42. 下机体三维模型.png
36 KB
43. 中期检查表.doc
17 KB
44. 任务书.doc
27 KB
45. 偏心轮.png
35.9 KB
46. 全套二维图纸------低排放发动机燃烧室设计.dwg
4.63 MB
47. 发动机燃烧室总成.png
81 KB
48. 开题报告.doc
42.5 KB
49. 指导教师指导记录表.doc
33.5 KB
50. 排气门.png
43.7 KB
51. 气环.png
36.1 KB
52. 气缸盖.png
56.3 KB
53. 汽缸垫.png
49.2 KB
54. 活塞.png
49.6 KB
55. 活塞三维模型.png
104 KB
56. 演示动画.mp4
21.9 MB
57. 答辩PPT------低排放发动机燃烧室.pptx
660 KB
58. 答辩评审表.doc
32 KB
59. 评阅教师评审意见表(理工科用表).doc
40.5 KB
60. 进气门.png
43.4 KB
61. 进气门组三维模型.png
456 KB
62. 连杆.png
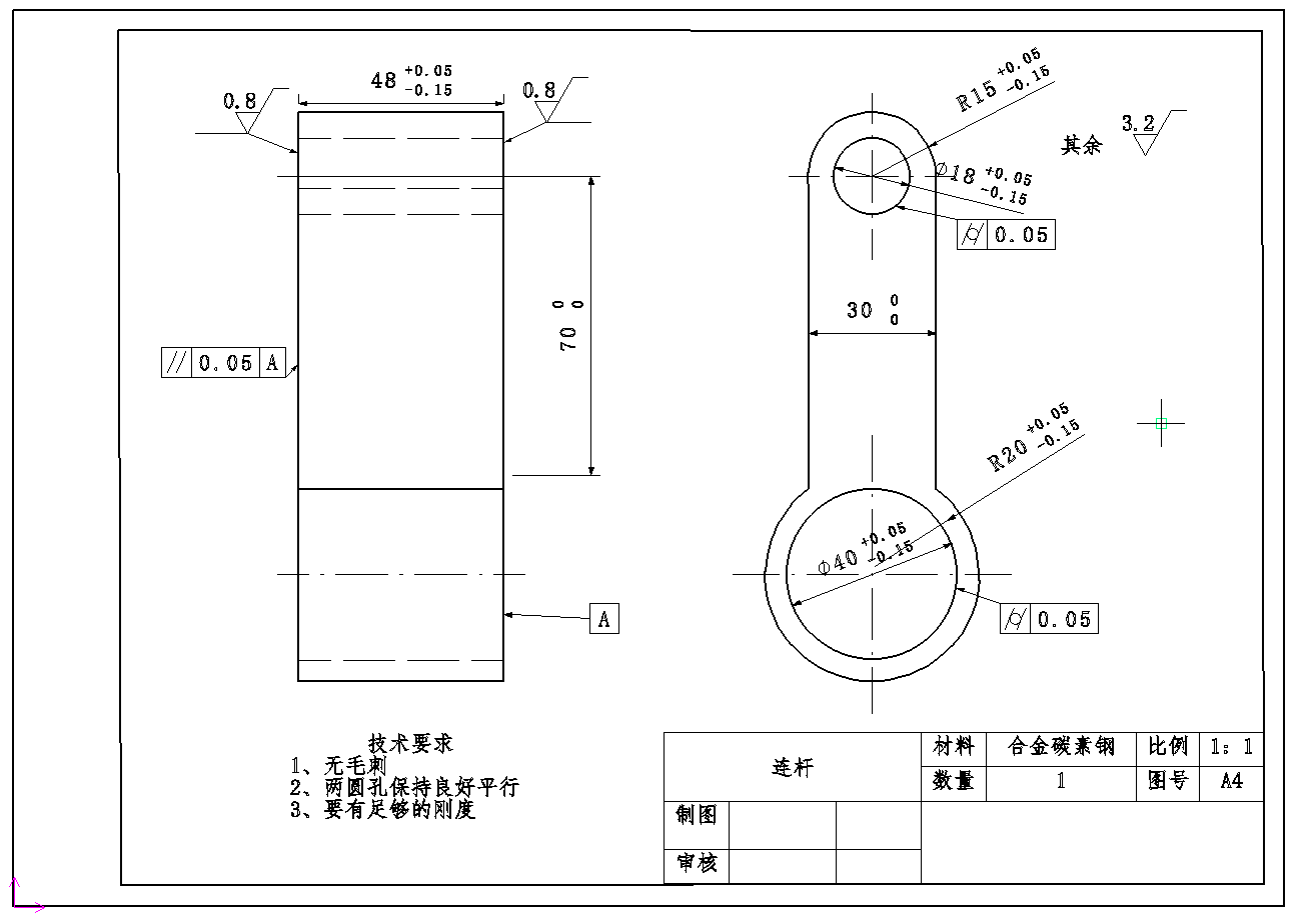
42.5 KB
63. 选题审批表.doc
22 KB
【低排放发动机燃烧室设计三维+二维=1390278==200】相关作品
下载提示
×

下载该图档需要消耗200金币!

确认下载
-- 热门充值套餐 · 限时优惠 --
加载中