年产52000吨氯苯板式精馏塔设计CAD+说明书AutoCAD图档

图档名称为:年产52000吨氯苯板式精馏塔设计CAD+说明书,属于机械设备,非标机械分类,软件为AutoCAD, 图纸格式为pdf,dwg,可在线预览,可编辑,可供设计参考

加入收藏
模型参数

模型ID:10350990

模型大小:2.14M

软件版本: AutoCAD 2018

模型格式:pdf,dwg

是否可编辑:可修改,包括参数

上传时间:2025-12-23

图纸介绍:

下载模型
作品: 302
粉丝: 0
文件列表
1. 微信截图_20240102184155.png
184 KB
2. 微信截图_20240102184203.png
144 KB
3. 微信截图_20240102184222.png
489 KB
4. 精馏塔化工原理课程设计任务书.docx
341 KB
5. 精馏塔化工原理课程设计任务书.pdf
600 KB
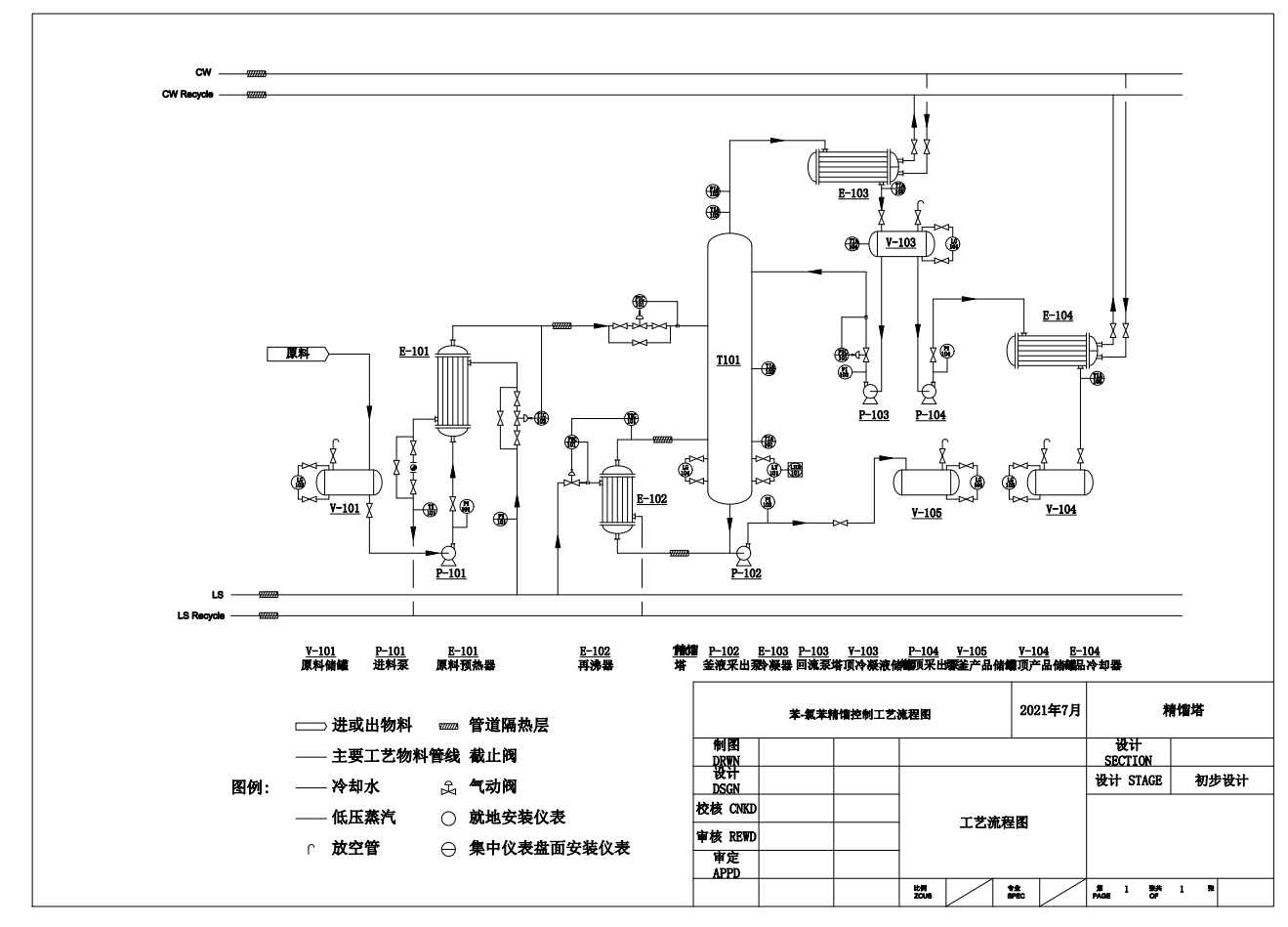
6. 苯-氯苯控制工艺流程图.PDF
160 KB
7. 苯-氯苯控制工艺流程图.dwg
90.9 KB
8. 苯-氯苯物系板式精馏塔设备工艺条件图.PDF
249 KB
9. 苯-氯苯物系板式精馏塔设备工艺条件图.dwg
87 KB
【年产52000吨氯苯板式精馏塔设计CAD+说明书】相关作品
下载提示
×

下载该图档需要消耗20金币!

确认下载
-- 热门充值套餐 · 限时优惠 --
加载中