年产25吨无菌化学原料药美罗培南车间工艺CAD+说明书==1190792=250SAutoCAD图档

图档名称为:年产25吨无菌化学原料药美罗培南车间工艺CAD+说明书==1190792=250S,属于机械设备,食品罐装分类,软件为AutoCAD, 图纸格式为dwg,可在线预览,可编辑,可供设计参考

加入收藏
模型参数

模型ID:10297069

模型大小:3.45M

软件版本: AutoCAD 2013

模型格式:dwg

是否可编辑:可修改,包括参数

上传时间:2025-11-02

图纸介绍:

下载模型
作品: 276
粉丝: 0
文件列表
1. PID图.dwg
564 KB
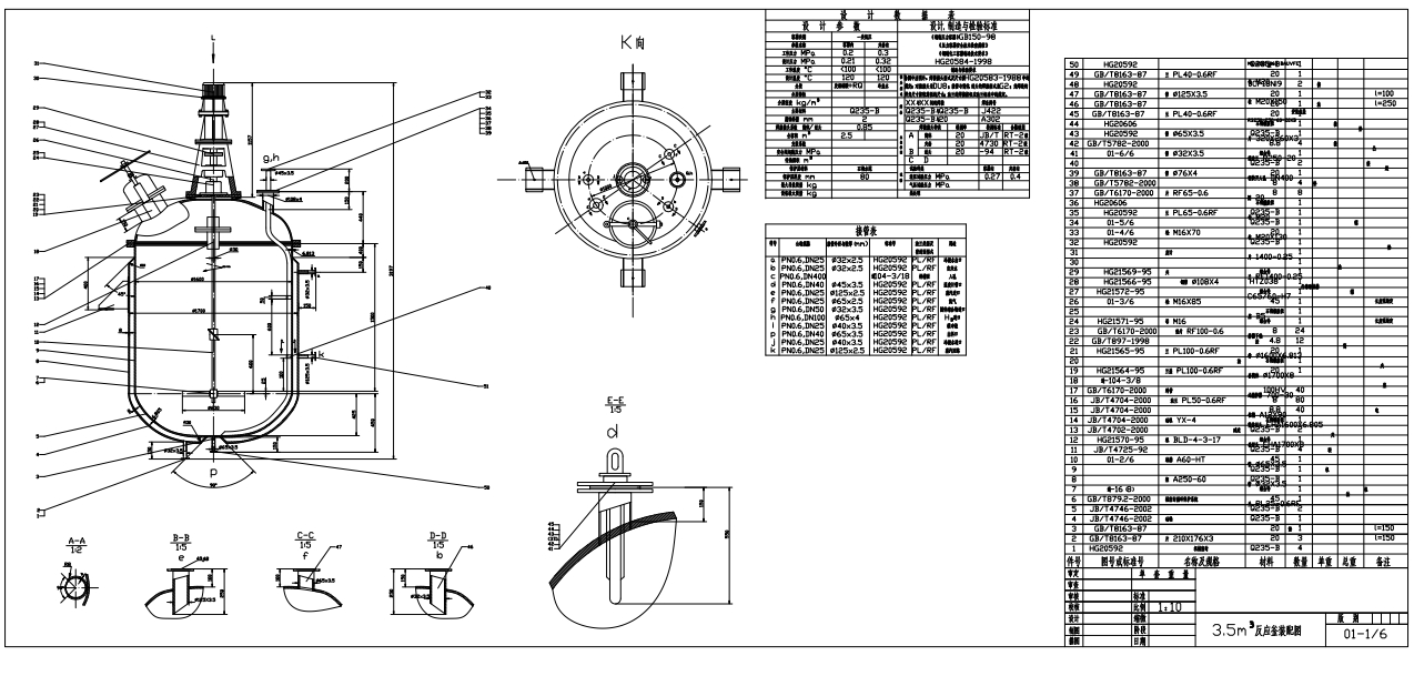
2. 反应釜装配图.dwg
204 KB
3. 工艺流程图.dwg
45.7 KB
4. 年产25吨无菌化学原料药美罗培南车间工艺设计.doc
2.44 MB
5. 微信截图_20231222195437.png
196 KB
6. 微信截图_20231222195452.png
300 KB
7. 微信截图_20231222210649.png
148 KB
8. 微信截图_20231222210654.png
296 KB
9. 微信截图_20231222210700.png
272 KB
10. 物料衡算图.dwg
105 KB
11. 管道仪表符号说明.dwg
63.3 KB
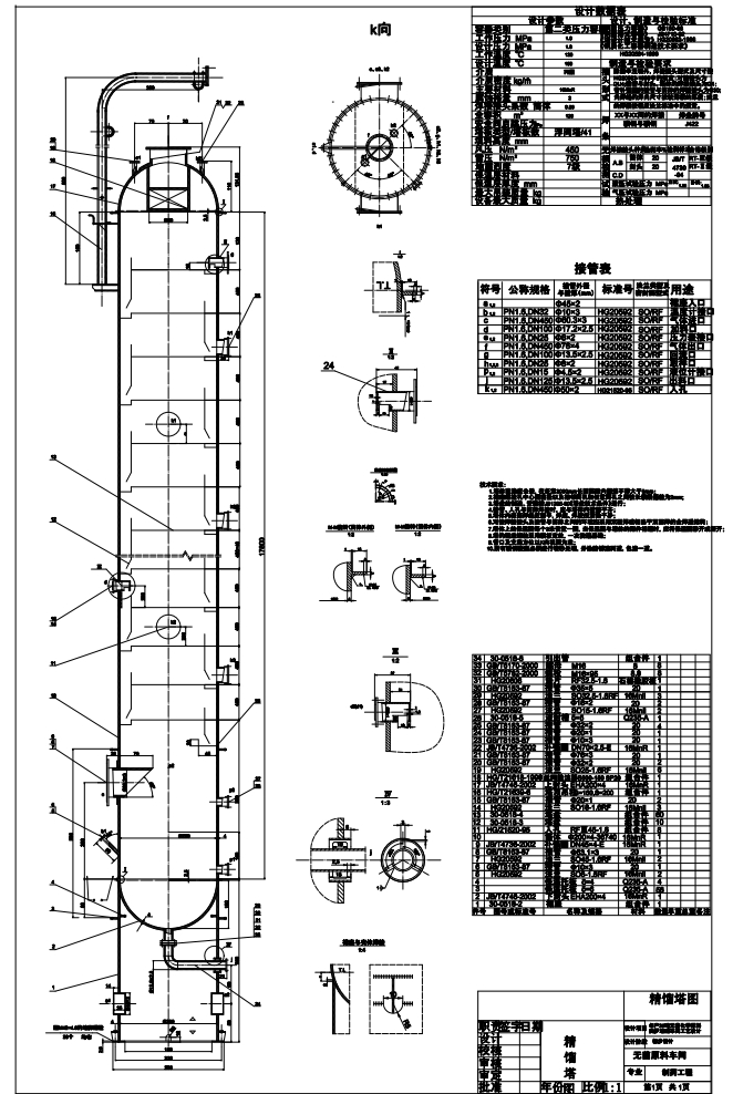
12. 精馏塔图.dwg
227 KB
13. 设备一览表.xls
51.5 KB
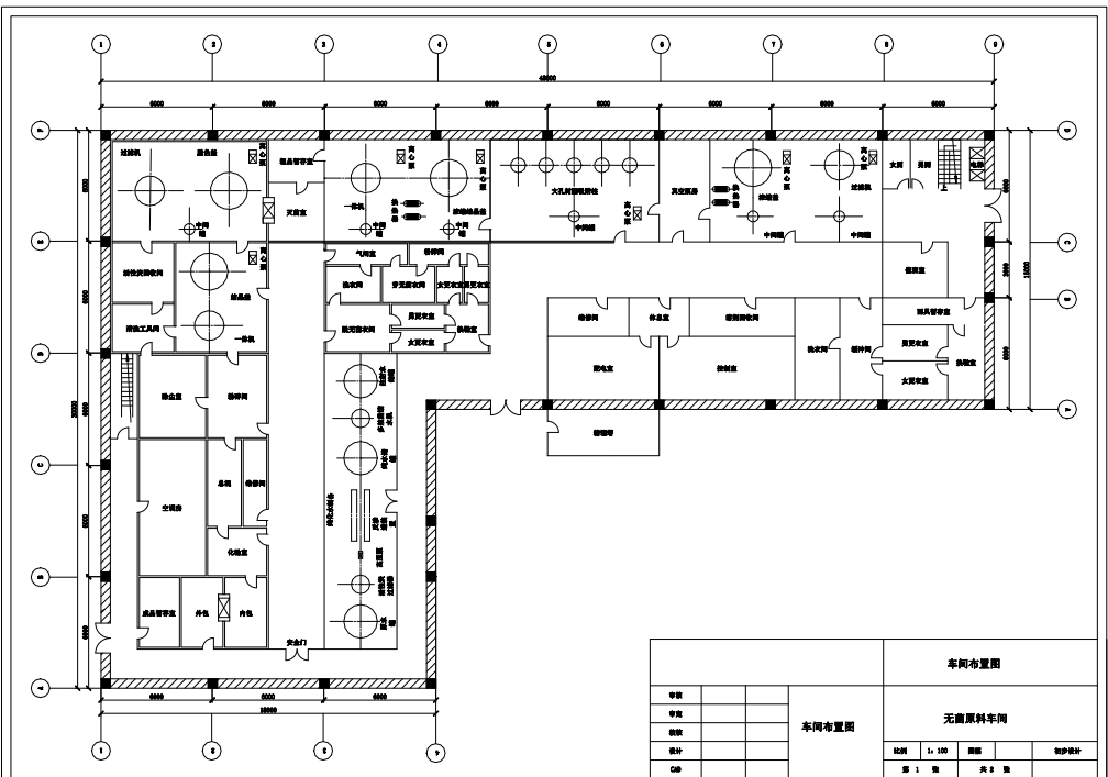
14. 车间布置图.dwg
163 KB
15. 车间平面布置图人流物流洁净区.dwg
161 KB
【年产25吨无菌化学原料药美罗培南车间工艺CAD+说明书==1190792=250S】相关作品
下载提示
×

下载该图档需要消耗20金币!

确认下载
-- 热门充值套餐 · 限时优惠 --
加载中