20T吊钩桥式起重机的设计CAD+说明书AutoCAD图档

图档名称为:20T吊钩桥式起重机的设计CAD+说明书,属于设备部件,操作件分类,软件为AutoCAD, 图纸格式为dwg,可在线预览,可编辑,可供设计参考

加入收藏
模型参数

模型ID:10327205

模型大小:3.83M

软件版本: AutoCAD 2004

模型格式:dwg

是否可编辑:可修改,包括参数

上传时间:2025-11-30

图纸介绍:

下载模型
采薇
作品: 0
粉丝: 0
文件列表
1. 0总装图.png
350 KB
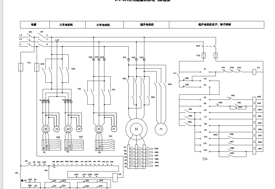
2. 20t桥式起重机总电气原理图.dwg
53.3 KB
3. 20t桥式起重机装配图.dwg
195 KB
4. 保护电路电气原理图.dwg
29.8 KB
5. 卷筒零件图.dwg
45.6 KB
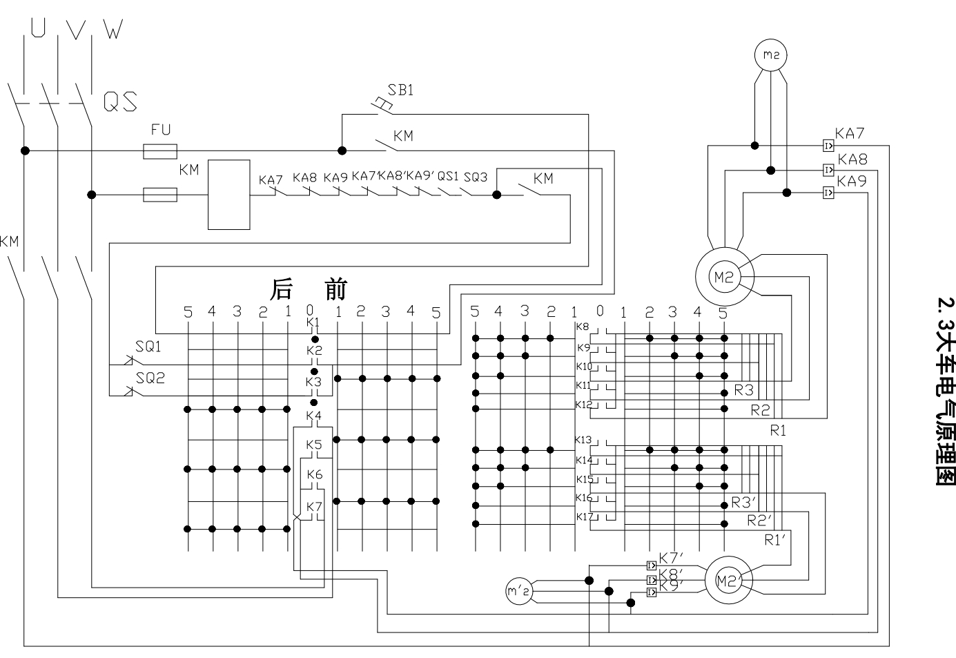
6. 大车运行机构电气原理图.dwg
39.5 KB
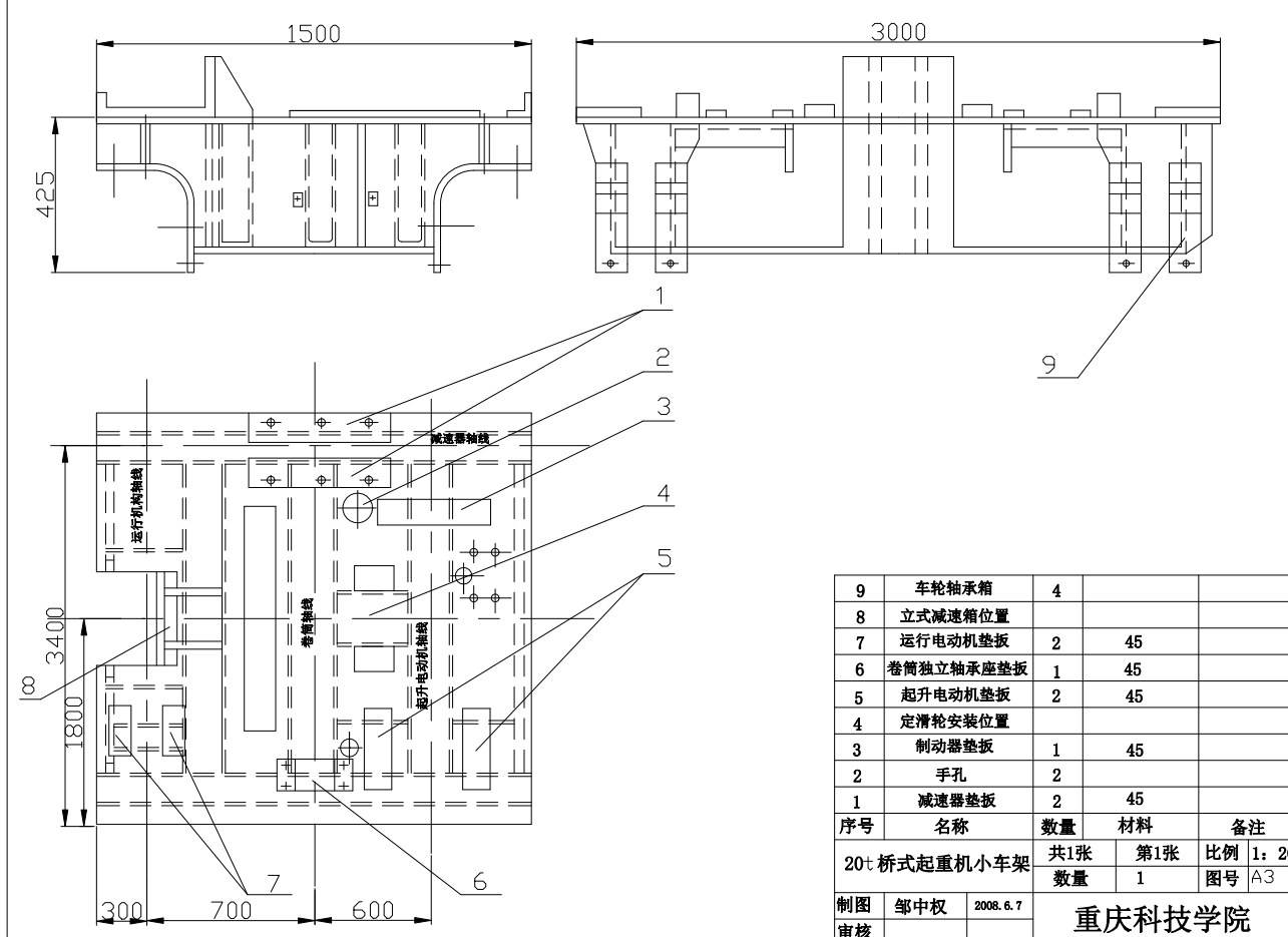
7. 小车体结构图.dwg
49.5 KB
8. 小车装配图.dwg
114 KB
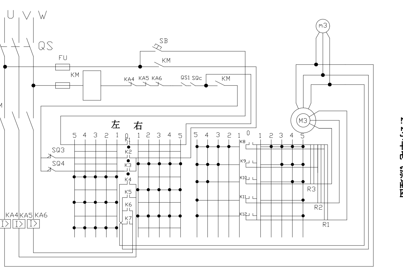
9. 小车运行机构电气图.dwg
51.2 KB
10. 微信截图_20231207144546.png
209 KB
11. 微信截图_20231207144606.png
173 KB
12. 微信截图_20231207144622.png
352 KB
13. 微信截图_20231207144627.png
163 KB
14. 微信截图_20231207144633.png
245 KB
15. 微信截图_20231207144642.png
523 KB
16. 答辩PPT.ppt
1.33 MB
17. 设计说明书(论文).doc
2.22 MB
18. 起升机构电气原理图.dwg
70.6 KB
【20T吊钩桥式起重机的设计CAD+说明书】相关作品
滚动更载更多~
提示
×

下载该图档需要消耗10金币!

确认下载
加载中