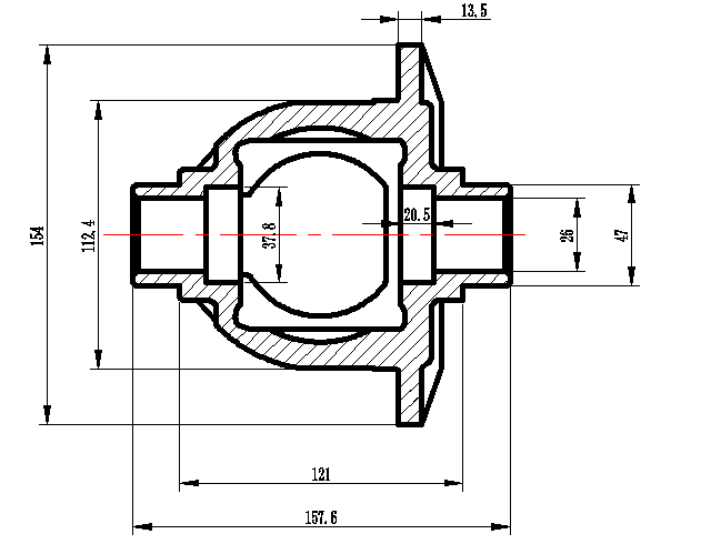
民意车差速器壳体加工工艺编制及专用夹具设计【三维图】AutoCAD,catia图档

图档名称为:民意车差速器壳体加工工艺编制及专用夹具设计【三维图】,属于设备部件,工器具分类,软件为AutoCAD,catia, 图纸格式为dwg,可在线预览,可编辑,可供设计参考

加入收藏
模型参数

模型ID:10318138

模型大小:5.75M

软件版本: AutoCAD 2004,catia

模型格式:dwg

是否可编辑:可修改,包括参数

上传时间:2025-11-22

图纸介绍:

下载模型
采薇
作品: 0
粉丝: 0
文件列表
1. -民意车差速器壳体加工工艺编制及专用夹具设计及专用.doc
3.52 MB
2. 1.png
566 KB
3. 2.png
281 KB
4. 3.png
228 KB
5. 4.png
186 KB
6. 5.png
75.6 KB
7. 6.png
58.3 KB
8. @F`8FQ@2_F8YFV])VEBJ62H.png
3.88 KB
9. B15FP]9JWF7N}QRA361J$O8.png
54.5 KB
10. ZPT.CATProduct
197 KB
11. chasuqiketi.CATPart
1.83 MB
12. chentao.CATPart
58.4 KB
13. dianquanM10.CATPart
70.5 KB
14. dianquanM5.CATPart
73.1 KB
15. dingweiV.CATPart
96 KB
16. huojieluoshuan.CATPart
177 KB
17. huxingkuai.CATPart
80.5 KB
18. jiajuti.CATPart
288 KB
19. jiaolianyaban.CATPart
187 KB
20. luoding.CATPart
153 KB
21. luomuM10.CATPart
157 KB
22. luomuM5.CATPart
152 KB
23. xiaoM10.5.CATPart
67.2 KB
24. xiaoM6.CATPart
69.1 KB
25. xiaoM8.CATPart
70.1 KB
26. yixingluomu.CATPart
108 KB
27. zhijiao.CATPart
159 KB
28. zuantao.CATPart
109 KB
29. 全工序.dwg
466 KB
30. 最新零件图(A0).dwg
146 KB
31. 机械加工工艺过程卡.doc
72 KB
32. 装配图1.dwg
250 KB
【民意车差速器壳体加工工艺编制及专用夹具设计【三维图】】相关作品
滚动更载更多~
提示
×

下载该图档需要消耗20金币!

确认下载
加载中