侧轴承杯加工工艺编制及夹具设计AutoCAD图档

图档名称为:侧轴承杯加工工艺编制及夹具设计,属于设备部件,传动部件分类,软件为AutoCAD, 图纸格式为dwg,可在线预览,可编辑,可供设计参考

加入收藏
模型参数

模型ID:10236684

模型大小:2.03M

软件版本: AutoCAD 2007

模型格式:dwg

是否可编辑:可修改,包括参数

上传时间:2025-06-01

图纸介绍:

免费下载
文件列表
1. 侧轴承杯(A3).dwg
327 KB
2. 侧轴承杯工艺规程.dwg
406 KB
3. 侧轴承杯毕业设计论文.doc
594 KB
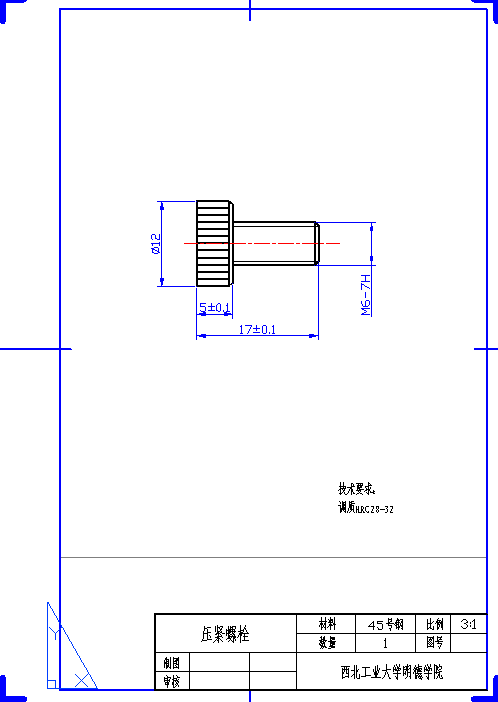
4. 压紧螺栓.png
6.35 KB
5. 外文翻译.doc
93.6 KB
6. 新建 文本文档.txt
894 B
7. 机械设计毕业设计答辩ppt.ppt
830 KB
8. 钻套dwg.dwg
72.3 KB
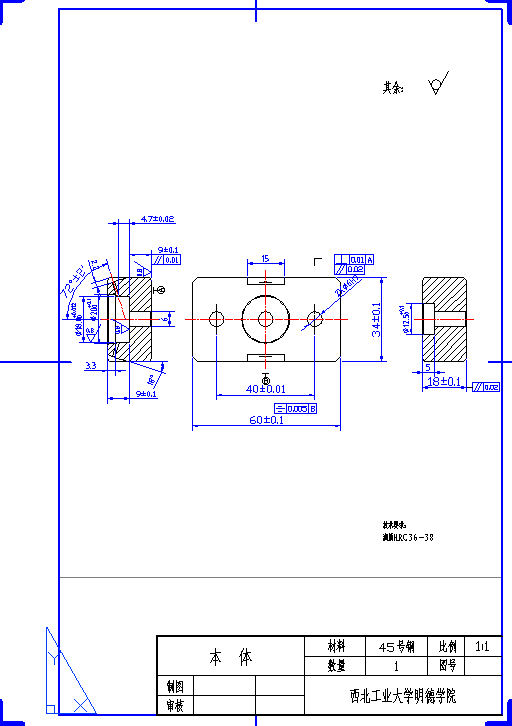
9. 钻模本体.png
10.8 KB
10. 钻模装配图(A3).dwg
89.9 KB
11. 钻模装配图.png
30 KB
12. 钻模零件 v形块底座.dwg
54.4 KB
13. 钻模零件 压紧螺栓.dwg
70.6 KB
14. 钻模零件 定位螺栓.dwg
52.2 KB
15. 钻模零件 盖板.dwg
87.8 KB
16. 钻模零件 钻模本体.dwg
74.8 KB
【侧轴承杯加工工艺编制及夹具设计】相关作品
下载提示
×

下载该图档需要消耗0金币!

确认下载
-- 热门充值套餐 · 限时优惠 --
加载中