旋转型灌装机设计【PROE+仿真】CAD+说明书AutoCAD,proe/creo图档

图档名称为:旋转型灌装机设计【PROE+仿真】CAD+说明书,属于机械设备,包装设备分类,软件为AutoCAD,proe/creo, 图纸格式为prt,dwg,可在线预览,可编辑,可供设计参考

加入收藏
模型参数

模型ID:10308848

模型大小:35.39M

软件版本: AutoCAD 2007,proe/creo

模型格式:prt,dwg

是否可编辑:可修改,包括参数

上传时间:2025-11-12

图纸介绍:

下载模型
岁晚
作品: 0
粉丝: 0
文件列表
1. 0微信截图_20231125100151.png
131 KB
2. 1.prt.3
135 KB
3. 1.prt.4
136 KB
4. 2.prt.3
80.7 KB
5. 3.prt.3
107 KB
6. 3.prt.4
116 KB
7. 4.prt.10
118 KB
8. 4.prt.11
108 KB
9. 4.prt.12
99.8 KB
10. 4.prt.9
81.8 KB
11. 5.prt.2
168 KB
12. 5.prt.3
169 KB
13. 6.prt.5
162 KB
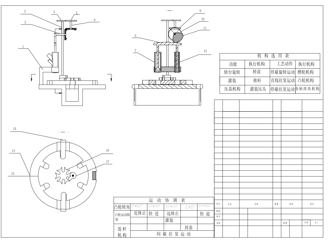
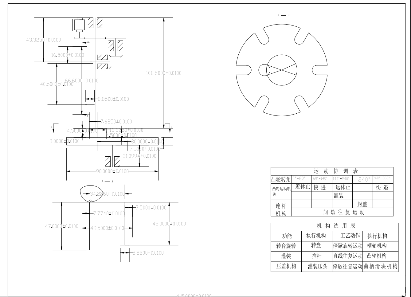
14. A3-协调表.dwg
128 KB
15. A3-装配图.dwg
162 KB
16. A4-主动拨盘.dwg
78.2 KB
17. A4-从动槽轮.dwg
79.5 KB
18. A4-分支.dwg
85.4 KB
19. A4-分柱.dwg
83.2 KB
20. A4-叶片.dwg
78.2 KB
21. A4-大齿轮.dwg
85.4 KB
22. A4-小齿轮.dwg
104 KB
23. A4-支架.dwg
99.2 KB
24. A4-支柱.dwg
130 KB
25. A4-旋钮.dwg
121 KB
26. A4-柱.dwg
73.8 KB
27. A4-槽轮.dwg
81 KB
28. A4-运动循环图.dwg
74.3 KB
29. ASM0003.mpg
4.54 MB
30. asm0001.asm.1
96.5 KB
31. asm0003.asm.13
164 KB
32. asm0003a.asm.3
172 KB
33. asm0003a.asm.4
161 KB
34. asm0003a.asm.5
169 KB
35. chaolun.prt.1
140 KB
36. chilun.prt.10
3.48 MB
37. chilun.prt.4
6.66 MB
38. chilun.prt.5
3.11 MB
39. chilun.prt.6
3.45 MB
40. chilun.prt.7
3.51 MB
41. chilun.prt.8
3.5 MB
42. chilun.prt.9
3.5 MB
43. chilun80.prt.2
2.91 MB
44. drw0001.drw.1
533 KB
45. drw0001_dwg__out.log.1
2.62 KB
46. error.chk
57 B
47. fangzhenyundong.mpg
2.12 MB
48. prt0002.prt.2
181 KB
49. prt0002.prt.3
182 KB
50. prt0003.prt.6
111 KB
51. prt0003.prt.7
110 KB
52. prt0004.prt.6
100 KB
53. prt0004.prt.7
101 KB
54. prt0005.prt.9
50.2 KB
55. prt0006.prt.5
215 KB
56. prt0008.prt.2
3.41 MB
57. prt0009.prt.3
59.7 KB
58. prt0009.prt.4
58.8 KB
59. prt0009.prt.5
47.8 KB
60. prt0010.prt.3
166 KB
61. prt0010.prt.4
167 KB
62. prt0011.prt.1
215 KB
63. prt0011.prt.2
190 KB
64. prt0011.prt.3
190 KB
65. prt0012.prt.12
291 KB
66. prt0012.prt.13
308 KB
67. prt0012.prt.2
168 KB
68. prt0012.prt.3
170 KB
69. prt0012.prt.4
171 KB
70. prt0013.prt.1
144 KB
71. prt0013.prt.2
151 KB
72. prt0013.prt.3
152 KB
73. prt0013.prt.4
151 KB
74. prt0013.prt.5
137 KB
75. prt0014.prt.1
214 KB
76. prt0014.prt.2
213 KB
77. prt0014.prt.3
200 KB
78. tanhuang.prt.2
517 KB
79. template.err.1
424 B
80. traceback.log
16.6 KB
81. tuiganshudutu.grt
4.52 KB
82. tulun.prt.4
79.6 KB
83. tulun.prt.5
79.9 KB
84. xiechilun.prt.3
1.33 MB
85. xiechilun.prt.4
1.34 MB
86. xiechilun2.prt.1
1.28 MB
87. xiechilun2.prt.2
1.14 MB
88. xiechilun2.prt.3
1.33 MB
89. zhichi190.prt.6
3.2 MB
90. zhichi190.prt.7
3.42 MB
91. zhichi190.prt.8
3.42 MB
92. 凸轮位置.jpg
87 KB
93. 凸轮加速度.jpg
86.5 KB
94. 大齿轮位置.jpg
92.5 KB
95. 大齿轮加速度.jpg
86.7 KB
96. 微信截图_20231125001718.png
189 KB
97. 微信截图_20231125001729.png
204 KB
98. 微信截图_20231125001742.png
153 KB
99. 微信截图_20231125001747.png
141 KB
100. 微信截图_20231125001751.png
85.2 KB
101. 微信截图_20231125100158.png
165 KB
102. 推杆位置.jpg
92.5 KB
103. 推杆加速度.jpg
95.5 KB
104. 推杆速度.jpg
89.8 KB
105. 斜齿轮位置.jpg
92.8 KB
106. 斜齿轮加速度.jpg
85.7 KB
107. 斜齿轮速度.jpg
88.1 KB
108. 机械原理课程设计.ppt
1.55 MB
109. 机械原理课程设计.pptx
1.66 MB
110. 机身.dwg
585 KB
111. 槽轮位置.jpg
88.4 KB
112. 槽轮加速度.jpg
85.3 KB
113. 槽轮速度.jpg
91.4 KB
114. 电机位置.jpg
88 KB
115. 电机加速度.jpg
87.3 KB
116. 说明书.docx
581 KB
117. 转台位置.jpg
86.8 KB
118. 转台加速度.jpg
86.7 KB
119. 转台速度.jpg
84.7 KB
【旋转型灌装机设计【PROE+仿真】CAD+说明书】相关作品
滚动更载更多~
提示
×

下载该图档需要消耗200金币!

确认下载
加载中