二级斜齿轮减速器的设计CAD+说明AutoCAD图档

图档名称为:二级斜齿轮减速器的设计CAD+说明,属于设备部件,电机减速机分类,软件为AutoCAD, 图纸格式为dwg,可在线预览,可编辑,可供设计参考

加入收藏
模型参数

模型ID:10269179

模型大小:1.93M

软件版本: AutoCAD 2007

模型格式:dwg

是否可编辑:可修改,包括参数

上传时间:2025-07-12

图纸介绍:

下载模型
晚棠
作品: 0
粉丝: 0
文件列表
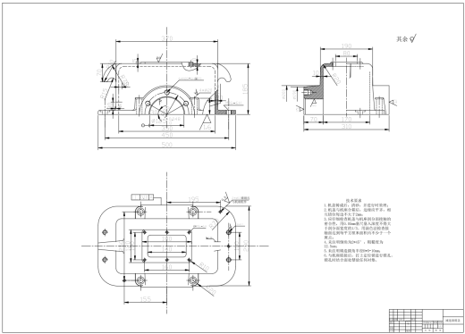
1. A-总装配图.png
248 KB
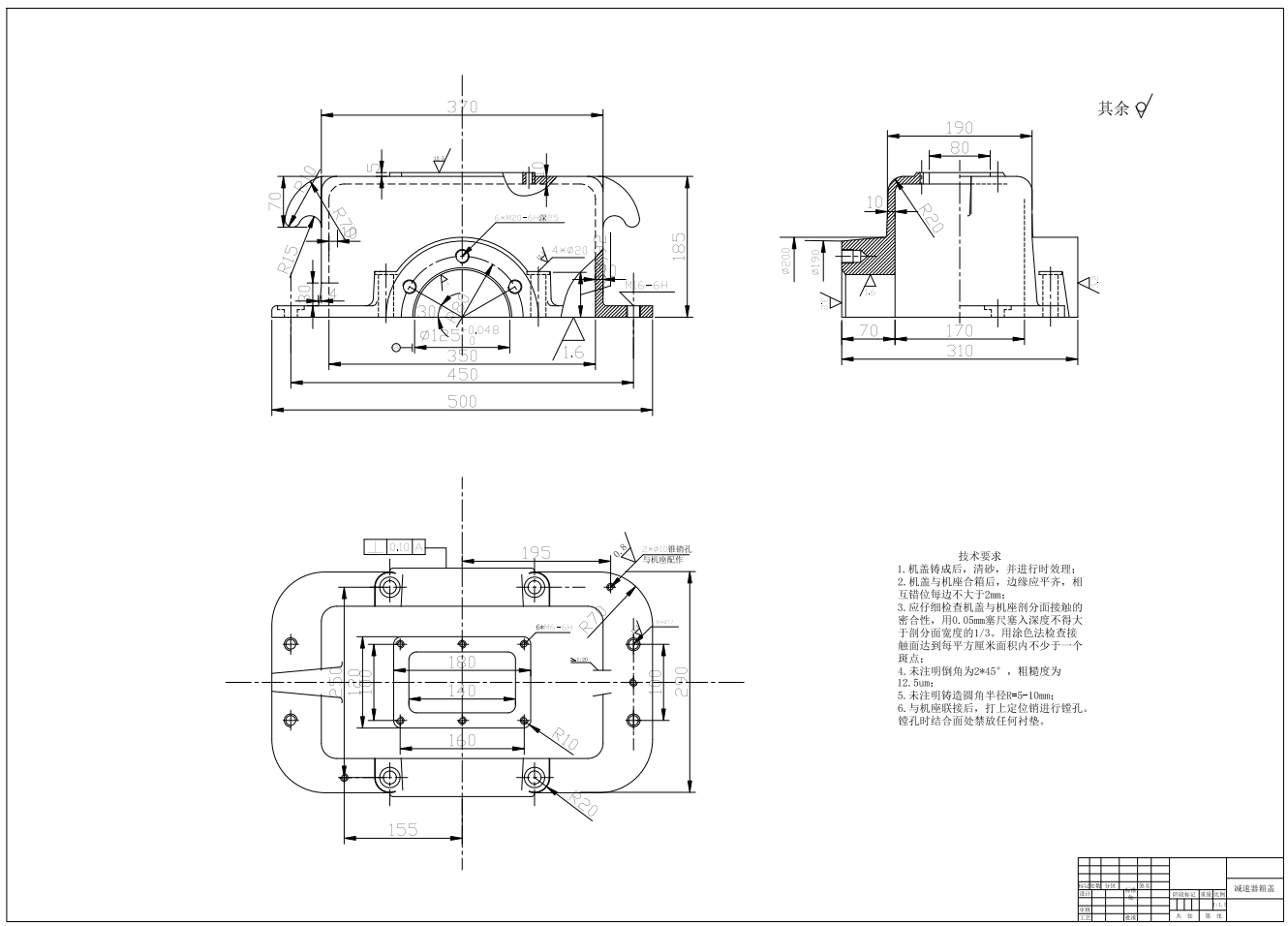
2. A0-箱盖.dwg
90.1 KB
3. A0-箱盖.png
126 KB
4. A1-轴.dwg
92.2 KB
5. A2-低速大齿轮.dwg
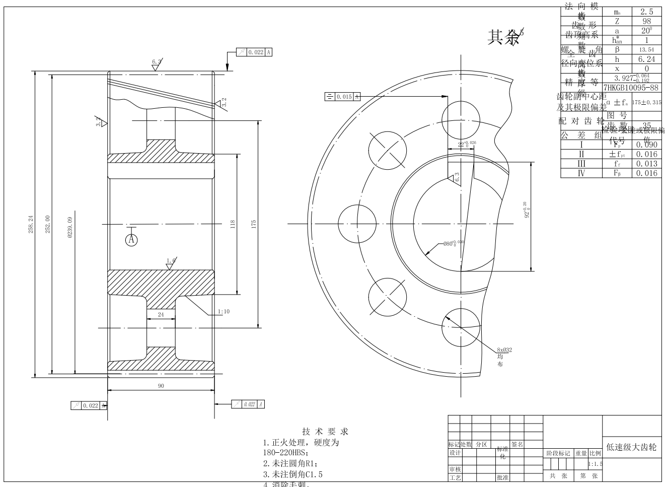
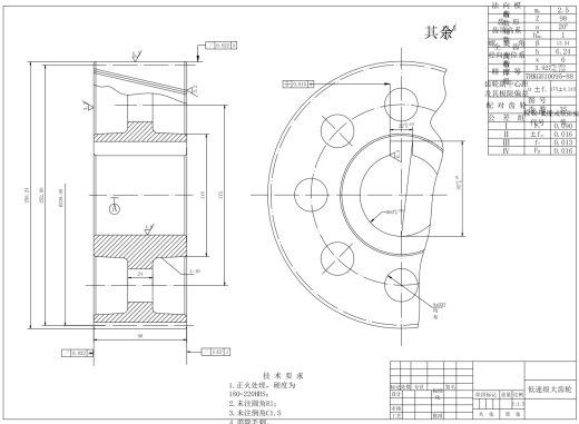
105 KB
6. A2-低速大齿轮.png
157 KB
7. A2-轴2.dwg
135 KB
8. 二级斜齿轮减速器的设计.doc
1.64 MB
9. 外文科技翻译.doc
26.5 KB
10. 开题报告.doc
52.5 KB
11. 微信截图_20230723231437.png
19.5 KB
12. 总装配图.dwg
267 KB
13. 说明书.doc
1.64 MB
14. 说明书目录.png
157 KB
【二级斜齿轮减速器的设计CAD+说明】相关作品
滚动更载更多~
提示
×

下载该图档需要消耗20金币!

确认下载
加载中