齿轮轴加工工艺规程的设计CAD+说明AutoCAD图档

图档名称为:齿轮轴加工工艺规程的设计CAD+说明,属于设备部件,传动部件分类,软件为AutoCAD, 图纸格式为dwg,可在线预览,可编辑,可供设计参考

加入收藏
模型参数

模型ID:10269154

模型大小:1.57M

软件版本: AutoCAD 2004

模型格式:dwg

是否可编辑:可修改,包括参数

上传时间:2025-07-12

图纸介绍:

下载模型
独钓寒江
作品: 0
粉丝: 0
文件列表
1. A-工序卡.png
150 KB
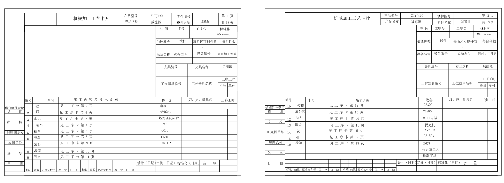
2. A-工艺过程卡.png
127 KB
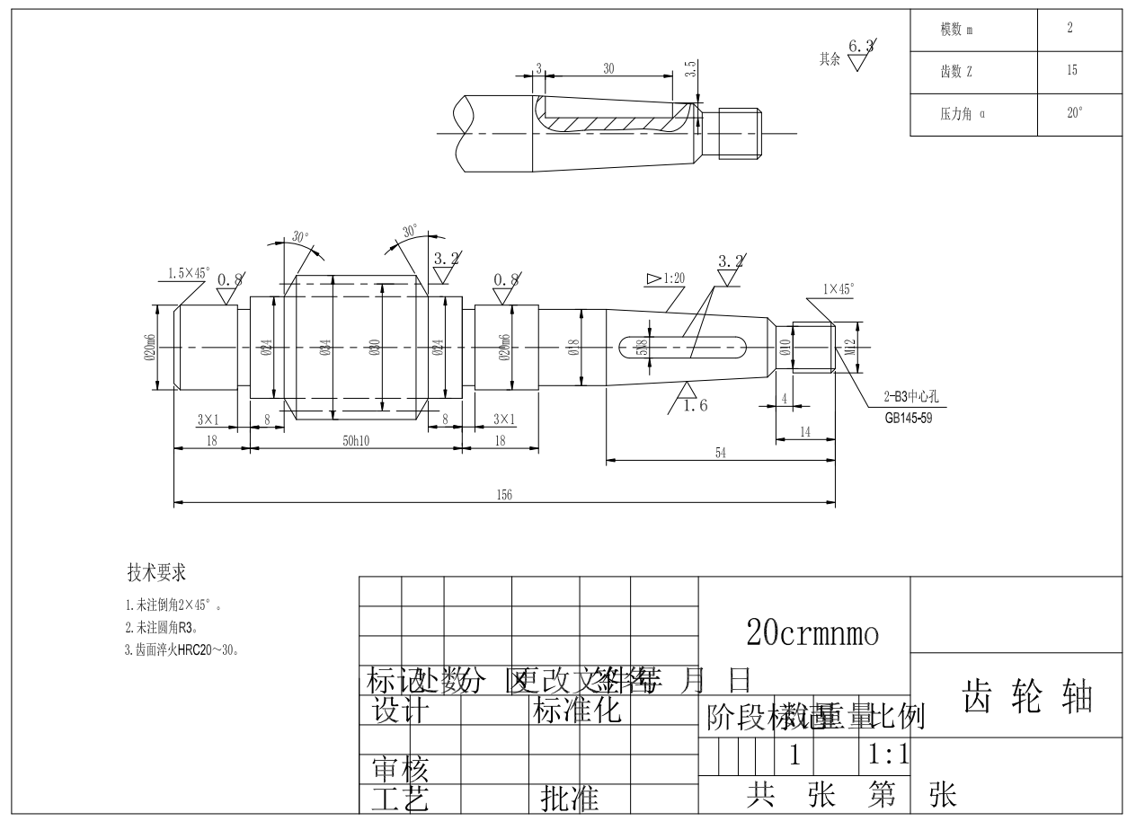
3. A-齿轮轴零件图.png
110 KB
4. 工序卡1.dwg
70.3 KB
5. 工序卡10.dwg
71.7 KB
6. 工序卡11.dwg
72.3 KB
7. 工序卡12.dwg
71.5 KB
8. 工序卡13.dwg
71.6 KB
9. 工序卡14.dwg
72.2 KB
10. 工序卡15.dwg
71.6 KB
11. 工序卡16.dwg
77.1 KB
12. 工序卡2.dwg
70.4 KB
13. 工序卡3.dwg
70.4 KB
14. 工序卡4.dwg
72.9 KB
15. 工序卡5.dwg
73.2 KB
16. 工序卡6.dwg
73.7 KB
17. 工序卡7.dwg
72.3 KB
18. 工序卡8.dwg
71.4 KB
19. 工序卡9.dwg
71.7 KB
20. 工艺过程卡.dwg
77.7 KB
21. 微信截图_20230717145710.png
33.5 KB
22. 说明书.doc
81.5 KB
23. 说明书.png
326 KB
24. 齿轮轴零件图.dwg
53.5 KB
【齿轮轴加工工艺规程的设计CAD+说明】相关作品
滚动更载更多~
提示
×

下载该图档需要消耗20金币!

确认下载
加载中