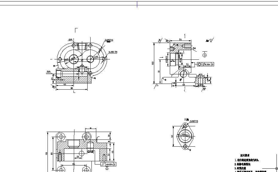
泵体工艺规程及钻6M8孔夹具设计AutoCAD图档

图档名称为:泵体工艺规程及钻6M8孔夹具设计,属于设备部件,工器具分类,软件为AutoCAD, 图纸格式为dwg,可在线预览,可编辑,可供设计参考

加入收藏
模型参数

模型ID:10268640

模型大小:871.1KB

软件版本: AutoCAD 2004

模型格式:dwg

是否可编辑:可修改,包括参数

上传时间:2025-07-12

图纸介绍:

下载模型
白鹭
作品: 0
粉丝: 0
文件列表
1. 任务书.doc
32 KB
2. 余方亮装配图2.dwg
361 KB
3. 内容.png
29.3 KB
4. 工序卡片.doc
1.74 MB
5. 工艺过程卡片.doc
64.5 KB
6. 摘要.png
21.5 KB
7. 新杆零件图.dwg
48.2 KB
8. 新杆零件图.png
8.82 KB
9. 新连接板零件图.dwg
42.7 KB
10. 毕业设计说明书.doc
693 KB
11. 目录.png
23.8 KB
12. 装配图2.png
36.5 KB
13. 论文摘要.doc
35.5 KB
14. 零件零件图2.dwg
96 KB
15. 零件零件图2.png
15.4 KB
【泵体工艺规程及钻6M8孔夹具设计】相关作品
下载提示
×

下载该图档需要消耗10金币!

确认下载
-- 热门充值套餐 · 限时优惠 --
加载中