机械毕业设计-0083-工艺夹具-钻模体工艺规程及钻2-Φ6孔夹具设计AutoCAD图档

CAD图档名称为:机械毕业设计-0083-工艺夹具-钻模体工艺规程及钻2-Φ6孔夹具设计,属于设备部件,工器具分类,软件为AutoCAD, 图纸格式为dwg,pdf,可在线预览,可编辑,可供设计参考

加入收藏
模型参数

模型ID:10248237

模型大小:2.07M

软件版本: AutoCAD 2004

模型格式:dwg,pdf

是否可编辑:可修改,包括参数

上传时间:2025-06-15

图纸介绍:

下载模型
文件列表
1. Thumbs.db
57.5 KB
2. 主要机械加工工序卡片.doc
81 KB
3. 任务书.doc
32 KB
4. 双升斜锲.dwg
75.8 KB
5. 双升斜锲.png
15.1 KB
6. 双耳支座.dwg
74.6 KB
7. 双耳支座.png
15.6 KB
8. 夹具体.dwg
94.1 KB
9. 夹具体.png
16.4 KB
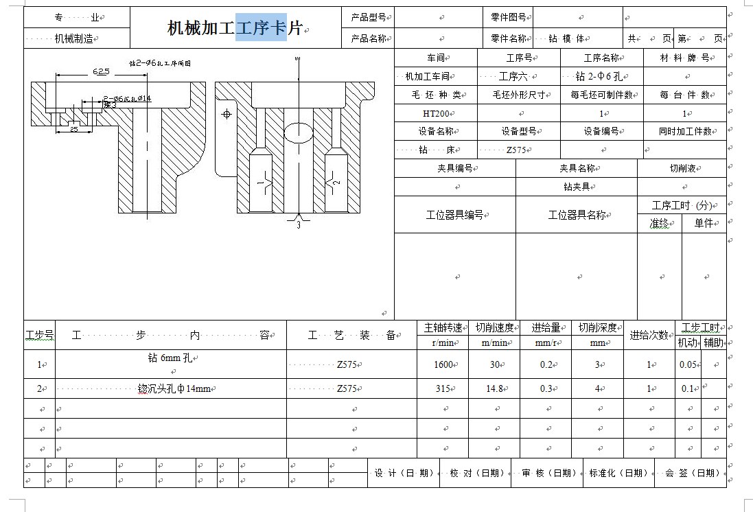
10. 工序卡.png
83.6 KB
11. 工艺过程卡.png
43.1 KB
12. 工艺过程卡片.doc
53 KB
13. 摘要.png
79.1 KB
14. 毛坯图.dwg
102 KB
15. 滑槽.dwg
71.1 KB
16. 滑槽.png
16.9 KB
17. 目录.png
71.4 KB
18. 翻译.doc
231 KB
19. 英文文献.pdf
229 KB
20. 装配图.dwg
181 KB
21. 论文预览.png
304 KB
22. 说明书.doc
1.22 MB
23. 钻2-φ6孔夹具装配图.png
44 KB
24. 钻模体毛坯图.png
33.8 KB
25. 钻模体零件图.png
22.8 KB
26. 钻模套支座.png
18.7 KB
27. 钻模支做.dwg
83.8 KB
28. 零件分析.png
171 KB
29. 零件图.dwg
111 KB
【机械毕业设计-0083-工艺夹具-钻模体工艺规程及钻2-Φ6孔夹具设计】相关作品
下载提示
×

下载该图档需要消耗20金币!

确认下载
-- 热门充值套餐 · 限时优惠 --
加载中