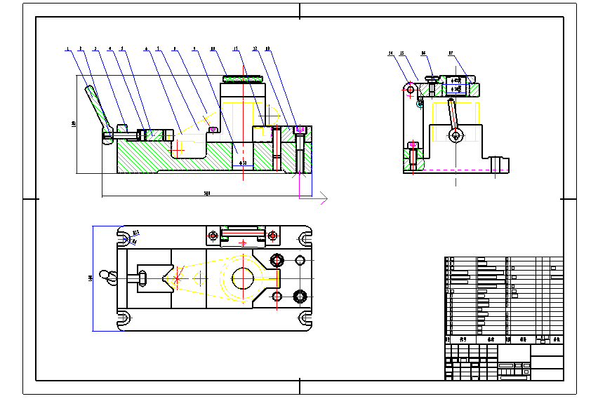
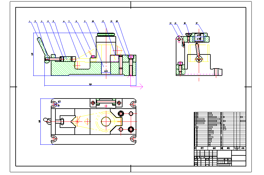
支架工艺规程及钻Φ30孔的夹具设计AutoCAD图档

图档名称为:支架工艺规程及钻Φ30孔的夹具设计,属于机械设备,钢结构支架分类,软件为AutoCAD, 图纸格式为dwg,可在线预览,可编辑,可供设计参考

加入收藏
模型参数

模型ID:10269147

模型大小:757.52KB

软件版本: AutoCAD 2004

模型格式:dwg

是否可编辑:可修改,包括参数

上传时间:2025-07-12

图纸介绍:

下载模型
烟雨楼
作品: 0
粉丝: 0
文件列表
1. [1A007]支架.dwg
33.7 KB
2. [1A007]支架.exb
55.7 KB
3. 全套工序卡.png
3.56 KB
4. 全部简介.jpg
62.3 KB
5. 全部简介.png
17.9 KB
6. 夹具体.exb
66.2 KB
7. 夹具体零件图.dwg
34.5 KB
8. 工序卡图.exb
304 KB
9. 工艺过程卡.doc
52 KB
10. 工艺过程卡.png
22.1 KB
11. 支架零件图.png
18.9 KB
12. 机械加工工序卡片.doc
313 KB
13. 毛坯图.dwg
61.7 KB
14. 毛坯图.exb
70.6 KB
15. 装配图.dwg
72.6 KB
16. 装配图.exb
130 KB
17. 装配图.png
16.4 KB
18. 要加工的工序.png
6.93 KB
19. 说明书.doc
402 KB
20. 说明书字数统计.png
6.93 KB
21. 说明书目录.png
12.9 KB
22. 零件图.jpg
158 KB
【支架工艺规程及钻Φ30孔的夹具设计】相关作品
滚动更载更多~
提示
×

下载该图档需要消耗10金币!

确认下载
加载中