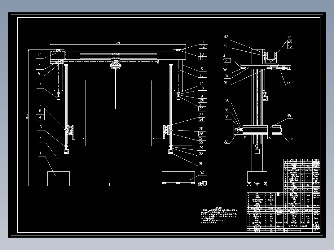
数控龙门三枪H型钢自动火焰切割机设计 含CAD图纸说明文档资料AutoCAD图档

图档名称为:数控龙门三枪H型钢自动火焰切割机设计 含CAD图纸说明文档资料,属于机械设备,机加工设备分类,软件为AutoCAD, 图纸格式为dwg,可在线预览,可编辑,可供设计参考

加入收藏
模型参数

模型ID:10244033

模型大小:2.01M

软件版本: AutoCAD 2007

模型格式:dwg

是否可编辑:可修改,包括参数

上传时间:2025-06-10

图纸介绍:

下载模型
作品: 264
粉丝: 0
文件列表
1. 15.txt
20 B
2. 1滑台-A4.dwg
40.1 KB
3. 20丝杠螺母-A4.dwg
39.3 KB
4. 20滑动丝杠-A4.dwg
47.1 KB
5. 20滚动丝杠-A4.dwg
60.5 KB
6. 20滚动丝杠螺母-A4.dwg
41.1 KB
7. 24丝杠螺母-A4.dwg
40.3 KB
8. 24滑动丝杠-A4.dwg
48 KB
9. 2滑台-A4.dwg
42.3 KB
10. TB1pfHmb2xNTKJjy0FjXXX6yVXa_!!0-item_pic.jpg
70.6 KB
11. TB21Mv0f3oQMeJjy1XaXXcSsFXa_!!198910020.jpg
46.9 KB
12. TB28pT5f3MPMeJjy1XbXXcwxVXa_!!198910020.jpg
97.9 KB
13. TB2qFL5f3MPMeJjy1XbXXcwxVXa_!!198910020.jpg
131 KB
14. 变径联轴器-A4.dwg
42.1 KB
15. 立柱-A4.dwg
105 KB
16. 立柱座-A4.dwg
40.1 KB
17. 联轴器-A4.dwg
41.8 KB
18. 装配图0.5-A0.dwg
557 KB
19. 装配图A0.dwg
544 KB
20. 设计说明书.doc
448 KB
21. 过盈轴套联轴器-A4.dwg
43.8 KB
22. 部件图1-A2.dwg
112 KB
23. 部件图2-A2.dwg
75.2 KB
【数控龙门三枪H型钢自动火焰切割机设计 含CAD图纸说明文档资料】相关作品
下载提示
×

下载该图档需要消耗20金币!

确认下载
-- 热门充值套餐 · 限时优惠 --
加载中