搜索
首页
3D模型
CAD图档
登录/注册
模型分类:
全部
杂件
工器具
化工部件
电机减速机
液压气动元件
连接与密封
型材
操作件
管道附件
传动部件
模具类
钣金件
机床附件
软件分类:
全部
SOLIDWORKS
AutoCAD
PROE*CREO
UG
CATIA
SolidEdge
Inventor
Sketchup
x_t
3dm
STEP
IGES
STL
obj
筛选条件:
全部图档
免费图档
付费图档
VP 480 弹簧单向阀
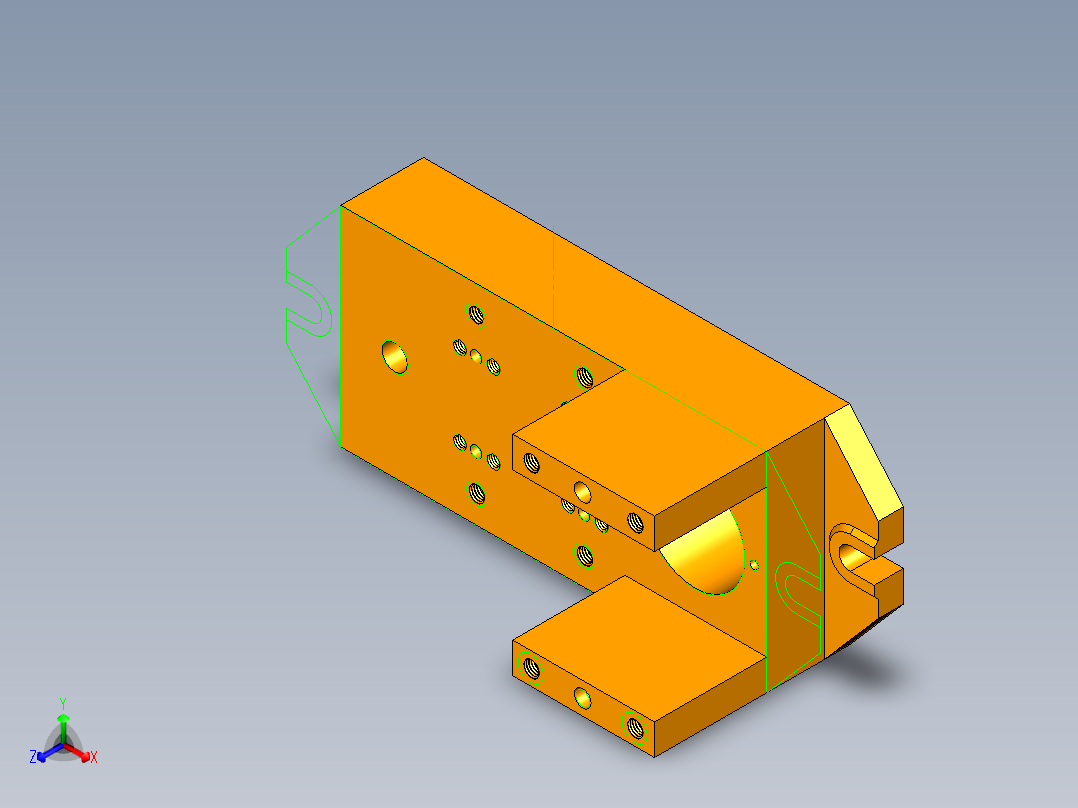
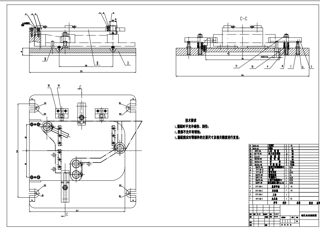
挡块气缸的钻2-Φ30H7孔夹具设计及加工工艺装备含4张CAD图
偏心套加工工艺及插件槽夹具设计
台阶拨叉机械加工工艺规程及工艺装备夹具设计【含CAD图和全套卡片】
831008拨叉加工工艺及钻M6底孔夹具设计【铣断后】【含三维SolidWorks】
蒸压器不同规格螺纹套的安装工作台
换挡叉加工工艺及铣顶面夹具设计
偏心套机械加工工艺规程及工艺装备夹具设计【含CAD图和全套卡片】
135调速器调速杠杆加工工艺及铣φ8孔φ6孔端面夹具设计【含三维SolidWorks】【原创设计】
推动架加工工艺及铣单独Φ50凸台面夹具设计
箱体机械加工工艺规程及工艺装备夹具设计【含CAD图和全套卡片】
831005拨叉加工工艺及铣左端面夹具设计【手动夹紧】
I-IV档变速叉加工工艺及铣叉口端面夹具设计
C21750-十字轴机械加工工艺规程及钻φ8孔夹具设计含三维二维说明书
I-R档拔叉加工工艺规程及铣叉脚内侧夹具设计【原创】
工装板螺母预埋机
连接壳体机械加工工艺规程及钻φ12孔夹具设计
831003拨叉加工工艺及钻φ5锥孔及2-M8孔夹具设计【含2个夹具零件图】
箱体机械加工工艺规程及工艺装备夹具设计【含CAD图和全套卡片】
棘轮扳手-2--sw
夹具
棘轮扳手
XO1-前钢板弹簧吊耳加工工艺及夹具CAD毕业设计图纸CAD338084
副变速叉加工工艺及钻Φ8.7孔夹具设计
操纵拨叉机械加工工艺规程及工艺装备夹具设计【含CAD图和全套卡片】
推动架加工工艺及铣φ27凸台夹具设计【方案1】
双联齿轮机械加工工艺规程及工艺装备夹具设计【含CAD图和全套卡片】
套筒的钻攻6-M8-6H深10孔夹具设计及机械加工工装备艺规程含4张CAD图
后钢板弹簧吊耳 机械加工工艺规程及钻φ30孔夹具设计【SW夹具三维】====ku
异形弹簧-1330K290_EXTENSION SPRING
831005拨叉加工工艺及铣右端面40×47夹具设计【方案2】
前地脚左右侧焊接总成组合夹具
万向节滑动叉加工工艺及钻φ39孔夹具设计
厨房工作台
各种弹簧合集三维模型
831007拨叉加工工艺及中间铣断夹具设计【含三维SW】
旋臂锯模型3D图纸 Solidworks设计
万向节滑动叉加工工艺及钻锥螺纹Rc1-8底孔(φ8.8mm)夹具设计
千斤顶设计【机械式剪式电动千斤顶的设计】【三维PROE+仿真】370316==770kuren
135调速器调速杠杆加工工艺及铣9mm两侧夹具设计
共6065件
1
2
3
4
5
6
7
》
尾页
免责申明: 本网站模型由用户自行上传,如权利人发现存在误传其作品情形,请及时与本站联系。
手机验证码登录
获取验证码
同意
《隐私协议》
和
《注册协议》
登 录
账号注册
获取验证码
同意
《隐私协议》
和
《注册协议》
注册
已有账号?
去登录->
微信扫码登录
其他登录:
手机登录
加载中