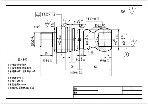
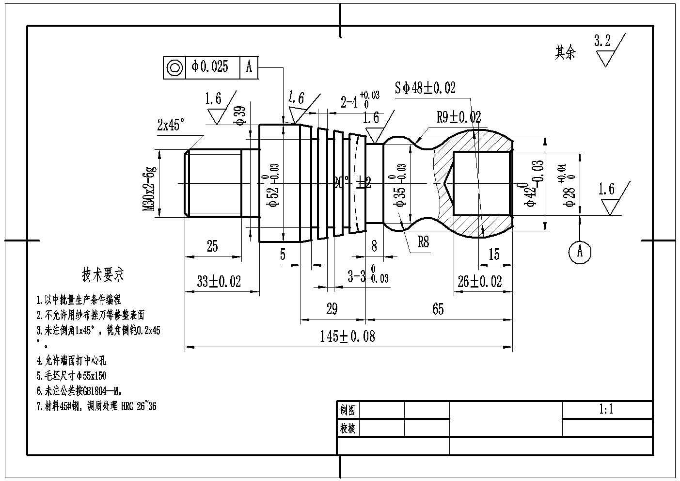
凸凹圆弧轴零件的数控车削加工工艺及编程AutoCAD图档

CAD图档名称为:凸凹圆弧轴零件的数控车削加工工艺及编程,属于机械设备,非标机械分类,软件为AutoCAD, 图纸格式为dwg,可在线预览,可编辑,可供设计参考

加入收藏
模型参数

模型ID:10430904

模型大小:520.65KB

软件版本: AutoCAD 2007

模型格式:dwg

是否可编辑:可修改,包括参数

上传时间:2026-04-27

图纸介绍:

下载模型
文件列表
1. 0加工仿真.jpg
32.1 KB
2. 刀具轨迹.jpg
24.2 KB
3. 刀具轨迹2.jpg
14.8 KB
4. 坐标点1.jpg
35 KB
5. 正文-7000字.doc
359 KB
6. 零件图.jpg
318 KB
7. 零件图zongzhuangtu.dwg
66.6 KB
【凸凹圆弧轴零件的数控车削加工工艺及编程】相关作品
下载提示
×

下载该图档需要消耗300金币!

确认下载
-- 热门充值套餐 · 限时优惠 --
加载中