支承套零件加工工艺编程及夹具AutoCAD图档

图档名称为:支承套零件加工工艺编程及夹具,属于设备部件,工器具分类,软件为AutoCAD, 图纸格式为dwg,可在线预览,可编辑,可供设计参考

加入收藏
模型参数

模型ID:10268893

模型大小:533.65KB

软件版本: AutoCAD 2004

模型格式:dwg

是否可编辑:可修改,包括参数

上传时间:2025-07-12

图纸介绍:

下载模型
拾星子
作品: 0
粉丝: 0
文件列表
1. 任务书.doc
35 KB
2. 内容.png
75.6 KB
3. 开题报告.doc
63.5 KB
4. 摘要.png
105 KB
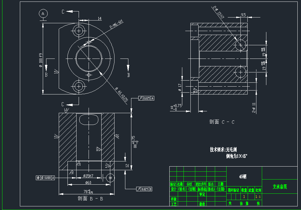
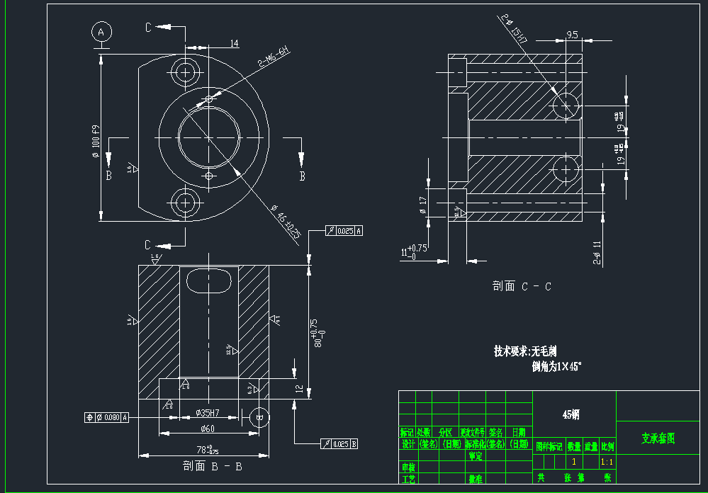
5. 支承套图.dwg
60.5 KB
6. 支承套图.png
21.4 KB
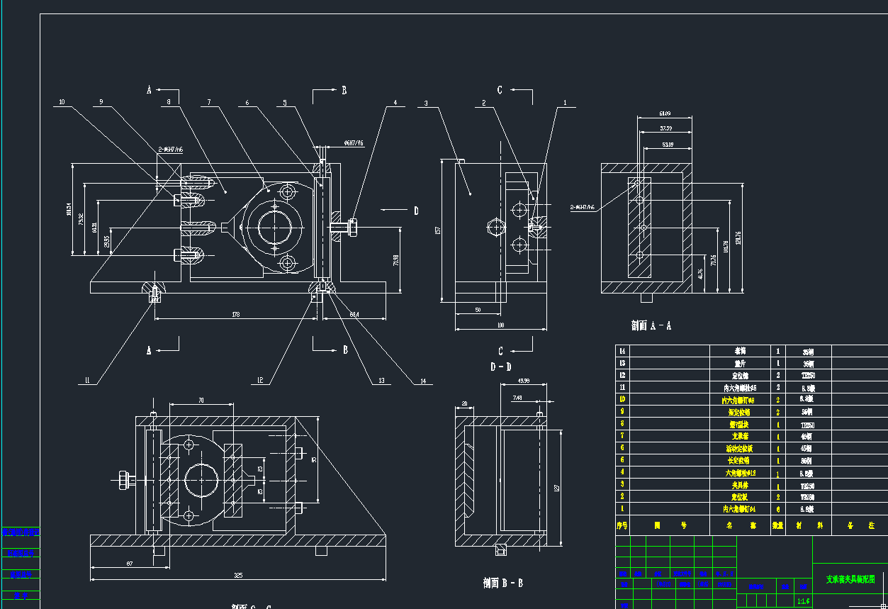
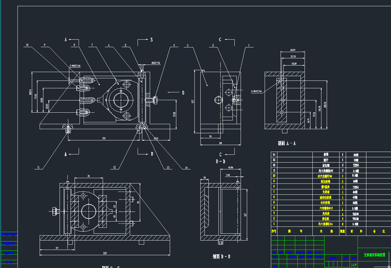
7. 支承套夹具装配图.dwg
132 KB
8. 支承套夹具装配图.png
31.9 KB
9. 支承套零件加工工艺编程及夹具.doc
258 KB
10. 目录.doc
16 KB
11. 目录.png
54.2 KB
【支承套零件加工工艺编程及夹具】相关作品
滚动更载更多~
提示
×

下载该图档需要消耗10金币!

确认下载
加载中