工业机器人工作台AutoCAD,SolidWorks,stp 三维模型

三维机械图纸名称为:工业机器人工作台,属于机械设备,智能装置分类,软件为AutoCAD,SolidWorks,stp, 三维模型格式为sldprt,sldasm,pdf,dwg,可在线预览,可编辑,可供设计参考

加入收藏
模型参数

模型ID:10428379

模型大小:29.19M

软件版本: AutoCAD 2021,SolidWorks,stp

模型格式:sldprt,sldasm,pdf,dwg

是否可编辑:可修改,包括参数

上传时间:2026-04-25

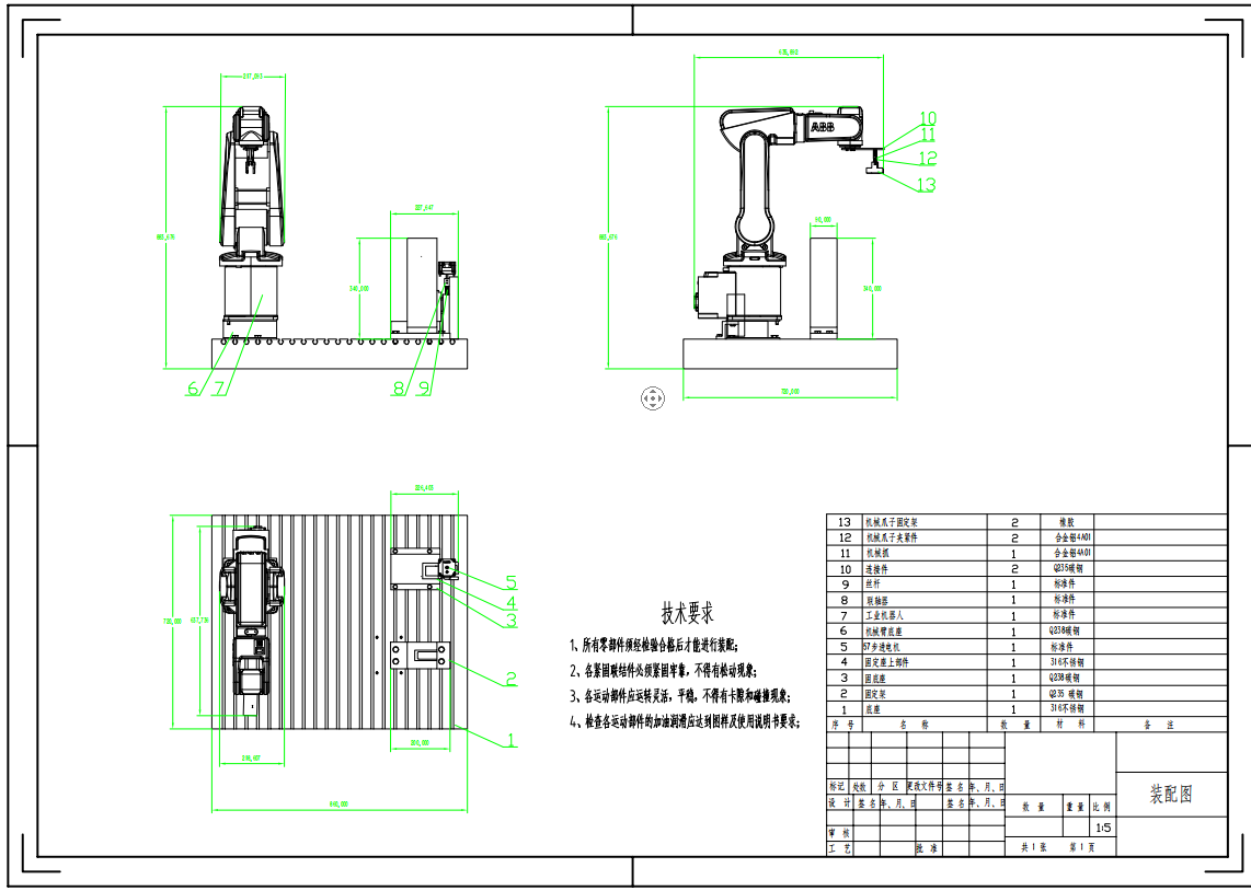
图纸介绍:

下载模型
文件列表
1. 1_1_02_EB571-152_3_1_14374.sldprt
379 KB
2. 1_1_04_EB572-359_3_1_14375.sldprt
290 KB
3. 1_2_04_680006_3_1_14371.sldprt
347 KB
4. 2_3_1_14373.sldprt
45 KB
5. 3_3_1_14370.sldprt
30.2 KB
6. 57CM06 MS204402.sldasm
26.2 KB
7. BASE GIRATORIA14400.sldprt
639 KB
8. BASE14401.sldasm
23.7 KB
9. BASE14401.sldprt
407 KB
10. BRAÇO 114399.sldprt
594 KB
11. BRAÇO 214398.sldprt
372 KB
12. BRAÇO 314397.sldprt
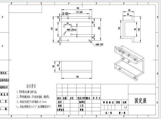
376 KB
13. BRAÇO 414396.sldprt
344 KB
14. GB-T5780-2000,M12x25.sldprt
46.6 KB
15. GB-T5780-2000,M8x16.sldprt
47.2 KB
16. GB-T5780-2000,M8x25.sldprt
46.7 KB
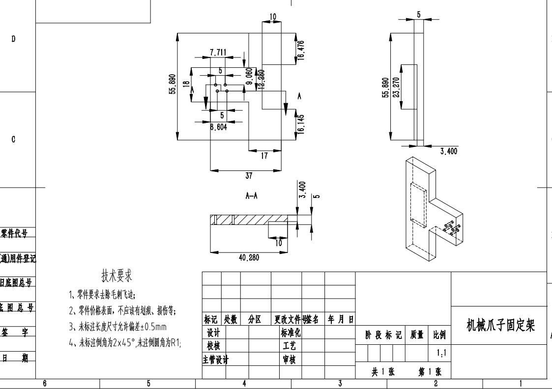
17. GB-T5782-2000,M12x35.sldprt
49.1 KB
18. GB-T5783-2000,M12x25.sldprt
48.9 KB
19. GB-T5783-2000,M4x12.sldprt
49.5 KB
20. GB29.2-88,M4x16.sldprt
76.9 KB
21. GB832_A-88,AM1.6x8.sldprt
66.9 KB
22. ScreenShot_2026-03-17_171731_145.png
84.9 KB
23. ScreenShot_2026-03-17_172031_627.png
128 KB
24. ScreenShot_2026-03-17_172040_711.png
111 KB
25. ScreenShot_2026-03-17_172049_396.png
129 KB
26. ScreenShot_2026-03-17_172116_088.png
101 KB
27. _HFZ6(CL)_body4394.sldprt
120 KB
28. _HFZ6(CL)_fl4393.SLDDRW
191 KB
29. _HFZ6(CL)_fl4393.bak
57.6 KB
30. _HFZ6(CL)_fl4393.bak
89.5 KB
31. _HFZ6(CL)_fl4393.sldprt
82.4 KB
32. _HFZ6(CL)_fr4392.sldprt
47.5 KB
33. _model34390.sldprt
54.5 KB
34. plot.log
737 B
35. ѹ�߸ǣ�3D)_Default4372.sldprt
69.5 KB
36. 固定座 (彩色).pdf
50.1 KB
37. 固定座.DWG
94.5 KB
38. 固定座.PDF
134 KB
39. 底座(2)4386.sldprt
53.2 KB
40. 底座(34387.SLDDRW
153 KB
41. 底座(34387.bak
112 KB
42. 底座(34387.bak
94 KB
43. 底座(34387.sldprt
80.6 KB
44. 底座4391.sldprt
223 KB
45. 机械爪子固定架.DWG
194 KB
46. 机械爪子固定架.PDF
141 KB
47. 机械爪子固定架.bak
117 KB
48. 机械爪子固定架(彩色).pdf
49.6 KB
49. 机械爪子夹紧件.DWG
109 KB
50. 机械爪子夹紧件.PDF
150 KB
51. 机械爪子夹紧件(彩色).pdf
47.4 KB
52. 机械爪子支架4385.SLDDRW
202 KB
53. 机械爪子支架4385.bak
114 KB
54. 机械爪子支架4385.bak
115 KB
55. 机械爪子支架4385.sldprt
76.6 KB
56. 机械臂底座.DWG
92 KB
57. 机械臂底座.PDF
124 KB
58. 机械臂底座54388.SLDDRW
204 KB
59. 机械臂底座54388.bak
108 KB
60. 机械臂底座54388.sldprt
104 KB
61. 机械臂底座(彩色).pdf
47.4 KB
62. 机械臂连接件4384.sldprt
39.1 KB
63. 电机4389.sldprt
351 KB
64. 电机块4399.sldprt
29.4 KB
65. 螺丝11.sldprt
48.3 KB
66. 装配图 .DWG
515 KB
67. 装配图 .PDF
337 KB
68. 装配图 .bak
518 KB
69. 装配图1.0.DWG
527 KB
70. 装配图1.0.dwl
54 B
71. 装配图1.0.dwl2
207 B
72. 装配图最终3.0.DWG
506 KB
73. 装配图最终3.0.SLDDRW
14.4 MB
74. 装配图最终3.0.bak
424 KB
75. 装配图最终3.0.dwl
54 B
76. 装配图最终3.0.dwl2
207 B
77. 装配图最终3.0.sldasm
2.8 MB
78. 装配图最终3.0.sldprt-dtk.xml
67.3 KB
79. 装配图最终3.0.stp
9.91 MB
80. 装配图(彩色).pdf
110 KB
下载提示
×

下载该图档需要消耗200金币!

确认下载
-- 热门充值套餐 · 限时优惠 --
加载中