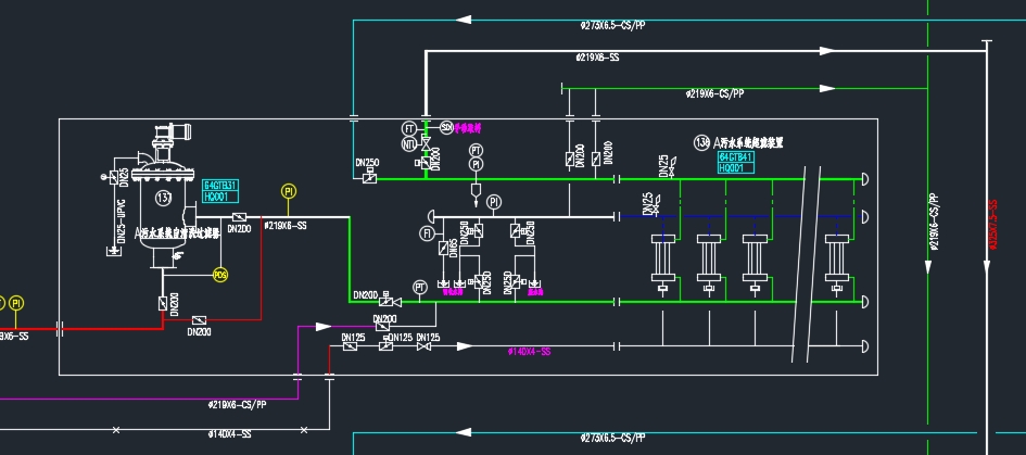
超滤装置管口方位及PID图AutoCAD图档

图档名称为:超滤装置管口方位及PID图,属于机械设备,环保设备分类,软件为AutoCAD, 图纸格式为dwg,可在线预览,可编辑,可供设计参考

加入收藏
模型参数

模型ID:10405645

模型大小:671.85KB

软件版本: AutoCAD 2007

模型格式:dwg

是否可编辑:可修改,包括参数

上传时间:2026-04-07

图纸介绍:

下载模型
文件列表
1. 工艺图.png
111 KB
2. 工艺流程图.png
83.6 KB
3. 总图.png
66 KB
4. 超滤结构图.png
156 KB
5. 超滤装置管口方位及PID图.dwg
335 KB
【超滤装置管口方位及PID图】相关作品
下载提示
×

下载该图档需要消耗10金币!

确认下载
-- 热门充值套餐 · 限时优惠 --
加载中