悬臂式掘进机cad+说明书AutoCAD图档

图档名称为:悬臂式掘进机cad+说明书,属于机械设备,非标机械分类,软件为AutoCAD, 图纸格式为dwg,可在线预览,可编辑,可供设计参考

加入收藏
模型参数

模型ID:10237476

模型大小:8.18M

软件版本: AutoCAD 2007

模型格式:dwg

是否可编辑:可修改,包括参数

上传时间:2025-06-02

图纸介绍:

下载模型
文件列表
1. A0-减速器.dwg
586 KB
2. A0-截割部.dwg
532 KB
3. A0-掘进机总图.dwg
681 KB
4. A1-履带架.dwg
390 KB
5. A1-左行走机构.dwg
486 KB
6. A1-悬臂段.dwg
386 KB
7. A3-一级传动大齿轮.dwg
323 KB
8. A3-内齿轮.dwg
322 KB
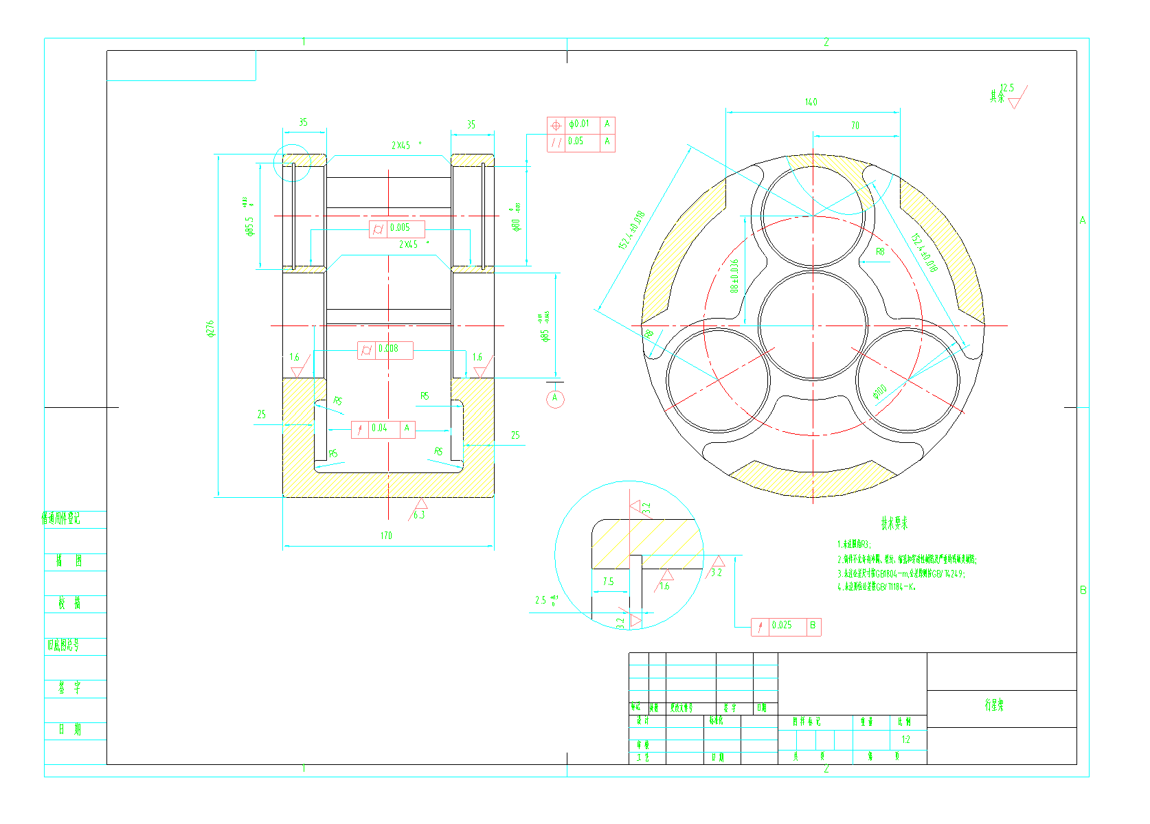
9. A3-行星架.dwg
331 KB
10. A3-轴.dwg
317 KB
11. A3-输入轴.dwg
331 KB
12. CAD快速看图-编辑助手.lnk
1.1 KB
13. CAD快速看图.lnk
1.07 KB
14. 履带式掘进机的行走装置及液压系统设计.doc
2.61 MB
15. 履带架.png
79.8 KB
16. 张全龙1964103127 机2019-1 悬臂式掘进机的分类与型号以及组成与工作原理.doc
2.94 MB
17. 悬臂架.png
105 KB
18. 截割部.png
144 KB
19. 掘进机.png
135 KB
20. 行星架.png
60.9 KB
21. 设计说明书(1).doc
2.68 MB
22. 设计说明书.doc
2.55 MB
23. 采掘机械大作业要求以及封面.docx
16.3 KB
【悬臂式掘进机cad+说明书】相关作品
下载提示
×

下载该图档需要消耗20金币!

确认下载
-- 热门充值套餐 · 限时优惠 --
加载中