铝箔冲孔下脚料打包设备设计含14张CAD图AutoCAD图档

图档名称为:铝箔冲孔下脚料打包设备设计含14张CAD图,属于机械设备,非标机械分类,软件为AutoCAD, 图纸格式为dwg,pdf,可在线预览,可编辑,可供设计参考

加入收藏
模型参数

模型ID:10400765

模型大小:4.63M

软件版本: AutoCAD 2004

模型格式:dwg,pdf

是否可编辑:可修改,包括参数

上传时间:2026-03-30

图纸介绍:

下载模型
文件列表
1. A打包机.dwg
1010 KB
2. A打包机.gif
30.7 KB
3. X50简介-铝箔冲孔下脚料打包设备设计含14张CAD图.pdf
599 KB
4. 主动滚筒(A3).dwg
94.2 KB
5. 主动滚筒(A3).gif
15.5 KB
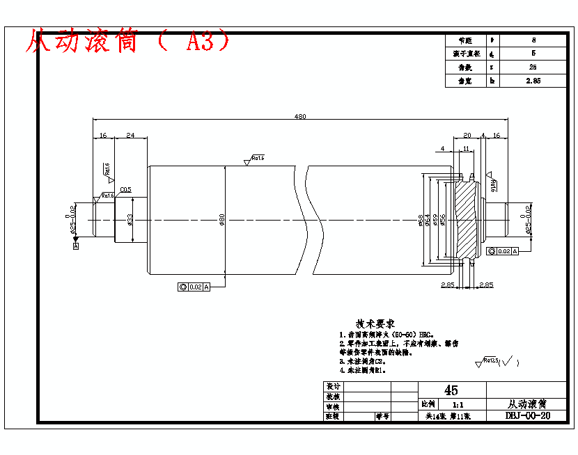
6. 从动滚筒(A3).dwg
90.9 KB
7. 从动滚筒(A3).gif
14.5 KB
8. 字数.JPG
59.2 KB
9. 字数.JPG
59.2 KB
10. 导杆(A4).dwg
54.9 KB
11. 导杆(A4).gif
11 KB
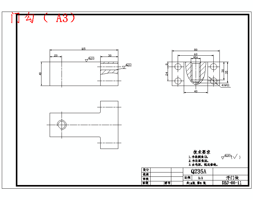
12. 导杆安装板(A4).dwg
54.5 KB
13. 导杆安装板(A4).gif
14.7 KB
14. 开题报告-铝箔冲孔下脚料打包设备设计.doc
33 KB
15. 摘要.JPG
155 KB
16. 活塞杆加长块(A4).dwg
62 KB
17. 活塞杆加长块(A4).gif
14.1 KB
18. 液压缸安装法兰(A3).dwg
85.2 KB
19. 液压缸安装法兰(A3).gif
15.1 KB
20. 目录.JPG
189 KB
21. 端盖1(A4).dwg
64.1 KB
22. 端盖1(A4).gif
14.6 KB
23. 端盖2(A4).dwg
77.7 KB
24. 端盖2(A4).gif
14.1 KB
25. 设计所包含文件.JPG
49.5 KB
26. 说明书-铝箔冲孔下脚料打包设备设计.doc
3.1 MB
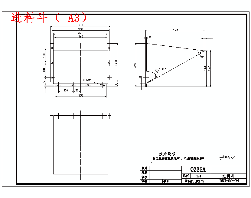
27. 进料斗(A3).dwg
98.3 KB
28. 进料斗(A3).gif
13 KB
29. 链轮1(A4).dwg
60.8 KB
30. 链轮1(A4).gif
17.2 KB
31. 链轮2(A4).dwg
61.6 KB
32. 链轮2(A4).gif
17.1 KB
33. 键7x40(A4).dwg
59.4 KB
34. 键7x40(A4).gif
11.2 KB
35. 门勾(A3).dwg
83.4 KB
36. 门勾(A3).gif
11.2 KB
【铝箔冲孔下脚料打包设备设计含14张CAD图】相关作品
下载提示
×

下载该图档需要消耗10金币!

确认下载
-- 热门充值套餐 · 限时优惠 --
加载中