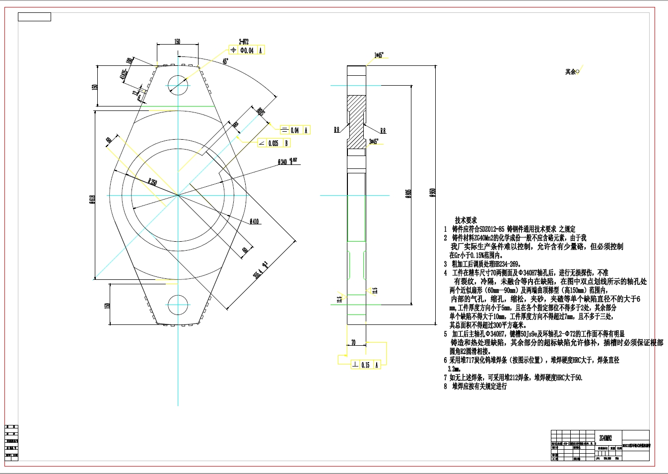
D1277-HOSC12型环锤式碎煤机摇臂 铣上下平面夹具设计+CAD+说明书==338699=500AutoCAD图档

图档名称为:D1277-HOSC12型环锤式碎煤机摇臂 铣上下平面夹具设计+CAD+说明书==338699=500,属于设备部件,工器具分类,软件为AutoCAD, 图纸格式为dwg,可在线预览,可编辑,可供设计参考

加入收藏
模型参数

模型ID:10375863

模型大小:1.71M

软件版本: AutoCAD 2007

模型格式:dwg

是否可编辑:可修改,包括参数

上传时间:2026-02-23

图纸介绍:

下载模型
作品: 287
粉丝: 0
文件列表
1. 夹具体.dwg
366 KB
2. 夹具装配图.dwg
259 KB
3. 工序卡片.doc
60 KB
4. 工序图.dwg
66.4 KB
5. 微信截图_20240713155542.png
277 KB
6. 微信截图_20240713155549.png
120 KB
7. 微信截图_20240713155554.png
179 KB
8. 微信截图_20240713155600.png
143 KB
9. 机械加工工艺过程卡.doc
53.5 KB
10. 毛坯图.dwg
122 KB
11. 说明书.doc
376 KB
12. 零件图.dwg
357 KB
【D1277-HOSC12型环锤式碎煤机摇臂 铣上下平面夹具设计+CAD+说明书==338699=500】相关作品
下载提示
×

下载该图档需要消耗10金币!

确认下载
-- 热门充值套餐 · 限时优惠 --
加载中