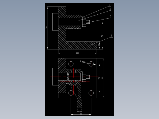
万能杆件设计图AutoCAD图档

图档名称为:万能杆件设计图,属于机械设备,非标机械分类,软件为AutoCAD, 图纸格式为dwg,可在线预览,可编辑,可供设计参考

加入收藏
模型参数

模型ID:10374283

模型大小:2.54M

软件版本: AutoCAD 2000

模型格式:dwg

是否可编辑:可修改,包括参数

上传时间:2026-02-21

图纸介绍:

下载模型
作品: 307
粉丝: 0
文件列表
1. Drawing1.dwg
1.33 MB
2. LSF.DWT
30.8 KB
3. W0.dwg
49 KB
4. W1.DWG
201 KB
5. W2.DWG
123 KB
6. W3.DWG
361 KB
7. W4.DWG
383 KB
8. W5.DWG
344 KB
9. W6.DWG
228 KB
10. W7.DWG
78.5 KB
11. W8.DWG
74.7 KB
12. W9.DWG
61.1 KB
13. WNGJ.dwg
1.37 MB
14. dxfs.SHX
1.12 MB
下载提示
×

下载该图档需要消耗10金币!

确认下载
-- 热门充值套餐 · 限时优惠 --
加载中