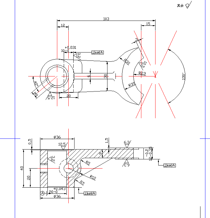
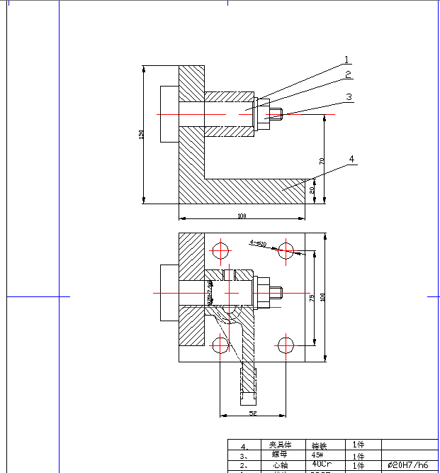
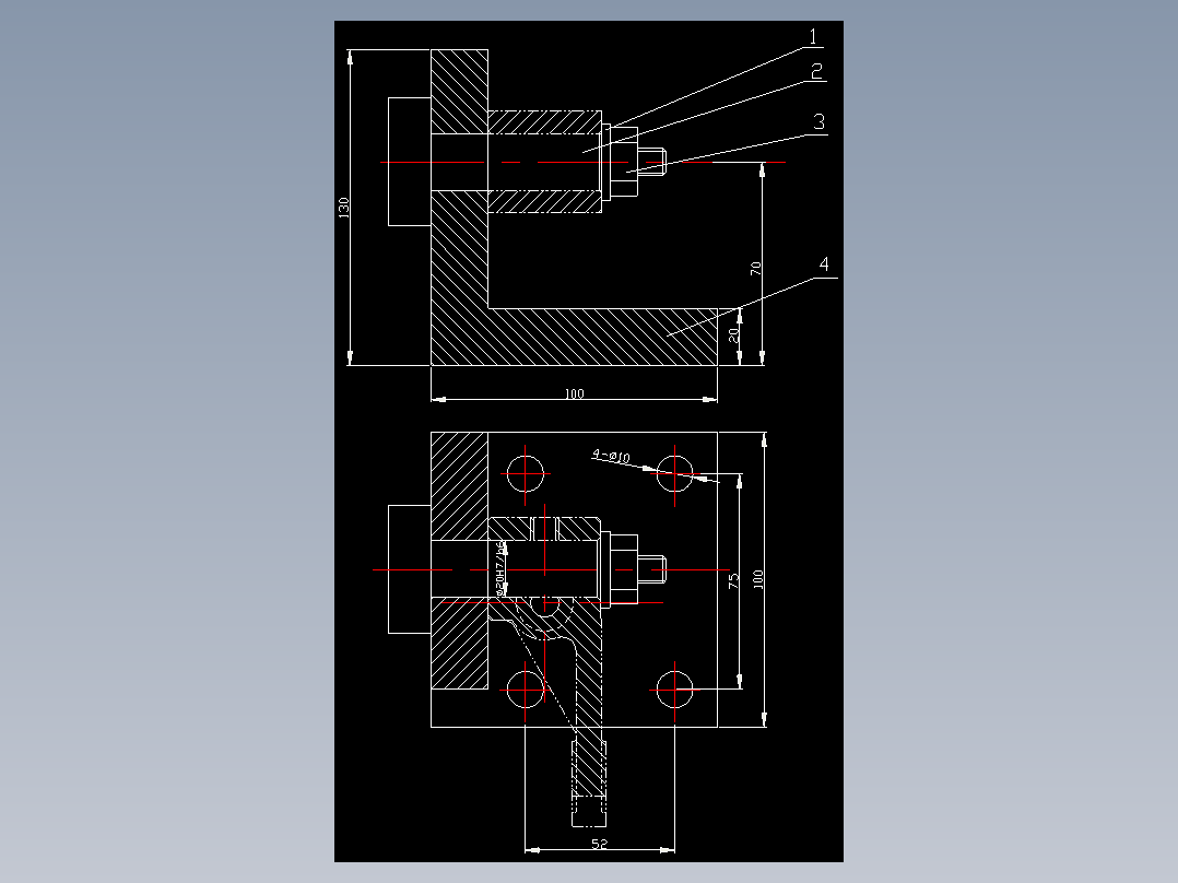
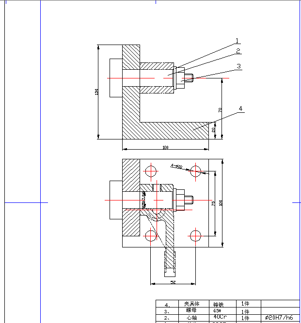
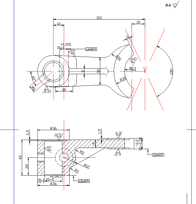
叉杆零件设计AutoCAD图档

图档名称为:叉杆零件设计,属于机械设备,非标机械分类,软件为AutoCAD, 图纸格式为dwg,可在线预览,可编辑,可供设计参考

加入收藏
模型参数

模型ID:10269327

模型大小:1.55M

软件版本: AutoCAD 2004

模型格式:dwg

是否可编辑:可修改,包括参数

上传时间:2025-07-13

图纸介绍:

下载模型
作品: 297
粉丝: 0
文件列表
1. Drawing1.dwg
42.8 KB
2. Drawing1.dwg
42.8 KB
3. Drawing1.png
18.7 KB
4. Drawing2.dwg
53.4 KB
5. Drawing2.dwg
53.4 KB
6. Drawing2.png
15.1 KB
7. acadstk.dmp
786 B
8. acadstk.dmp
786 B
9. jiaju.dwg
56.4 KB
10. jiaju.dwg
56.4 KB
11. jiaju.png
11.7 KB
12. 内容.png
34.4 KB
13. 叉杆毕业设计.doc
760 KB
14. 叉杆毕业设计.doc
760 KB
15. 摘要.png
26.8 KB
16. 目录.png
21.2 KB
【叉杆零件设计】相关作品
下载提示
×

下载该图档需要消耗10金币!

确认下载
-- 热门充值套餐 · 限时优惠 --
加载中