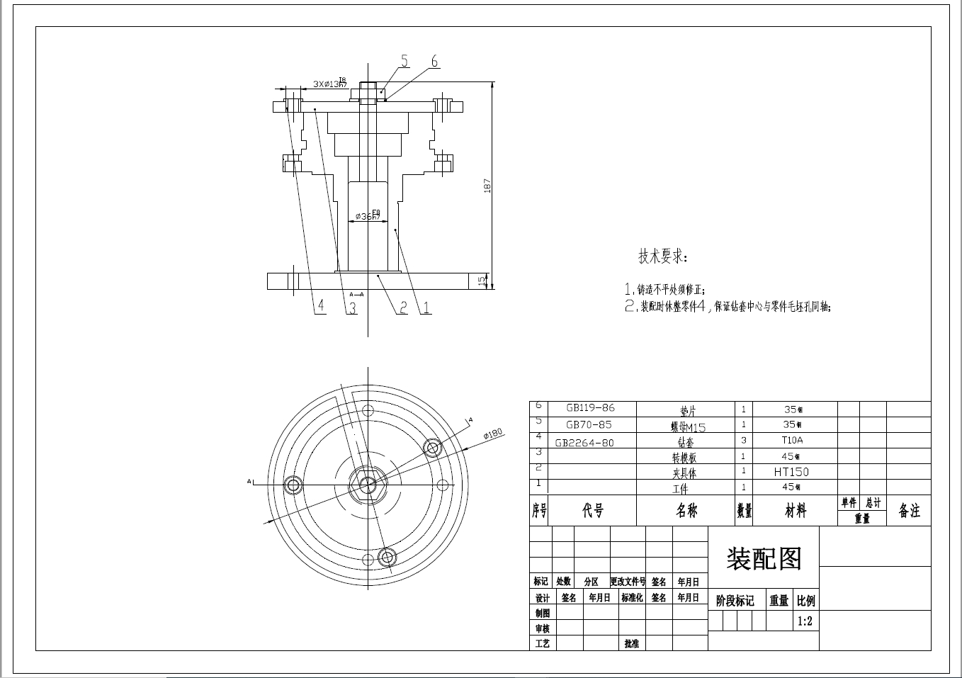
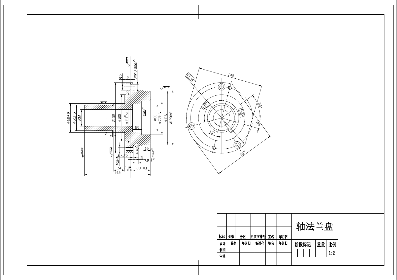
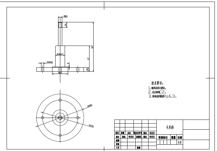
D0749-I轴法兰盘零件钻3Xφ9孔的钻床夹具设计+CAD+说明书==698979=250AutoCAD图档

图档名称为:D0749-I轴法兰盘零件钻3Xφ9孔的钻床夹具设计+CAD+说明书==698979=250,属于机械设备,机加工设备分类,软件为AutoCAD, 图纸格式为pdf,dwg,可在线预览,可编辑,可供设计参考

加入收藏
模型参数

模型ID:10369173

模型大小:1.24M

软件版本: AutoCAD 2007

模型格式:pdf,dwg

是否可编辑:可修改,包括参数

上传时间:2026-01-15

图纸介绍:

下载模型
作品: 261
粉丝: 0
文件列表
1. A3-夹具体.PDF
34.4 KB
2. A3-夹具体.dwg
57.9 KB
3. A3-夹具装配图.PDF
67.7 KB
4. A3-夹具装配图.dwg
60.7 KB
5. A3-轴法兰盘.PDF
38.8 KB
6. A3-轴法兰盘.dwg
67.4 KB
7. A4-钻模板.PDF
36.1 KB
8. A4-钻模板.dwg
58.7 KB
9. 微信截图_20240630190041.png
164 KB
10. 微信截图_20240630190049.png
49 KB
11. 微信截图_20240630190051.png
192 KB
12. 微信截图_20240630190059.png
190 KB
13. 机械加工工序卡.doc
47 KB
14. 机械加工工艺过程卡.doc
44.5 KB
15. 说明书.doc
152 KB
16. 说明书.pdf
282 KB
【D0749-I轴法兰盘零件钻3Xφ9孔的钻床夹具设计+CAD+说明书==698979=250】相关作品
下载提示
×

下载该图档需要消耗10金币!

确认下载
-- 热门充值套餐 · 限时优惠 --
加载中