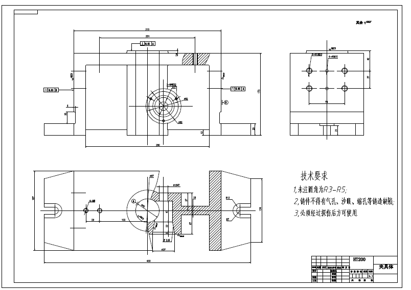
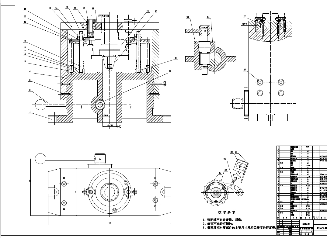
D0748-I轴法兰盘加工工艺和夹具设计(钻2XM8)+CAD+说明书==167698=300AutoCAD图档

图档名称为:D0748-I轴法兰盘加工工艺和夹具设计(钻2XM8)+CAD+说明书==167698=300,属于设备部件,工器具分类,软件为AutoCAD, 图纸格式为pdf,dwg,可在线预览,可编辑,可供设计参考

加入收藏
模型参数

模型ID:10368786

模型大小:2.53M

软件版本: AutoCAD 14

模型格式:pdf,dwg

是否可编辑:可修改,包括参数

上传时间:2026-01-14

图纸介绍:

下载模型
作品: 321
粉丝: 0
文件列表
1. I轴法兰盘加工工艺和夹具设计CAD图纸集合.PDF
529 KB
2. I轴法兰盘加工工艺和夹具设计CAD图纸集合.dwg
736 KB
3. I轴法兰盘机械加工工序卡片.doc
987 KB
4. I轴法兰盘机械加工工艺过程卡片.doc
80 KB
5. 微信截图_20240630185958.png
259 KB
6. 微信截图_20240630190008.png
97 KB
7. 微信截图_20240630190017.png
238 KB
8. 微信截图_20240630190023.png
202 KB
9. 说明书.doc
666 KB
10. 说明书.pdf
427 KB
【D0748-I轴法兰盘加工工艺和夹具设计(钻2XM8)+CAD+说明书==167698=300】相关作品
下载提示
×

下载该图档需要消耗10金币!

确认下载
-- 热门充值套餐 · 限时优惠 --
加载中