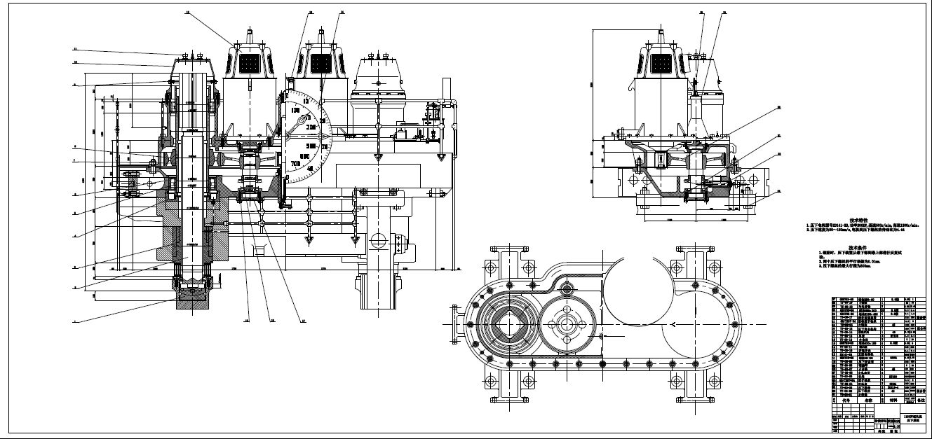
D0726-1150初轧机的快速电动压下装置设计+CAD+说明书==941622=250AutoCAD图档

图档名称为:D0726-1150初轧机的快速电动压下装置设计+CAD+说明书==941622=250,属于机械设备,非标机械分类,软件为AutoCAD, 图纸格式为pdf,dwg,可在线预览,可编辑,可供设计参考

加入收藏
模型参数

模型ID:10367733

模型大小:3.69M

软件版本: AutoCAD 2004

模型格式:pdf,dwg

是否可编辑:可修改,包括参数

上传时间:2026-01-13

图纸介绍:

下载模型
文件列表
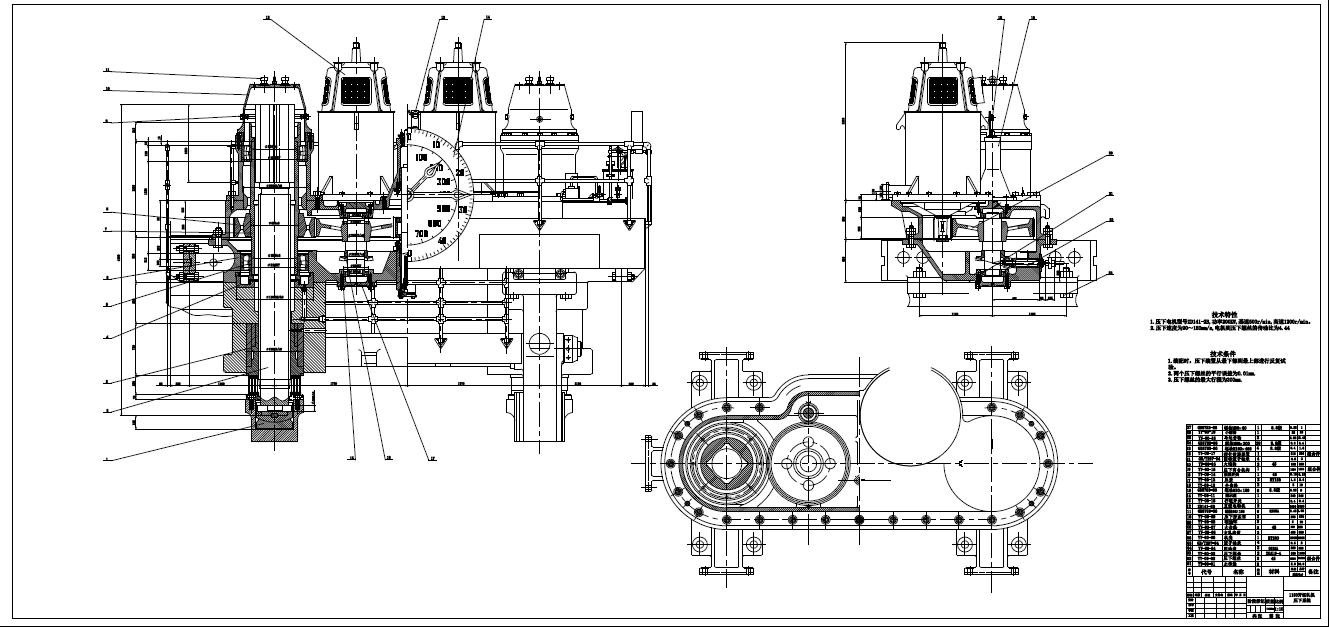
1. A总装图.PDF
611 KB
2. A总装图.dwg
293 KB
3. 压下螺丝.PDF
117 KB
4. 压下螺丝.dwg
76.1 KB
5. 压下螺丝部件图.PDF
115 KB
6. 压下螺丝部件图.dwg
72.9 KB
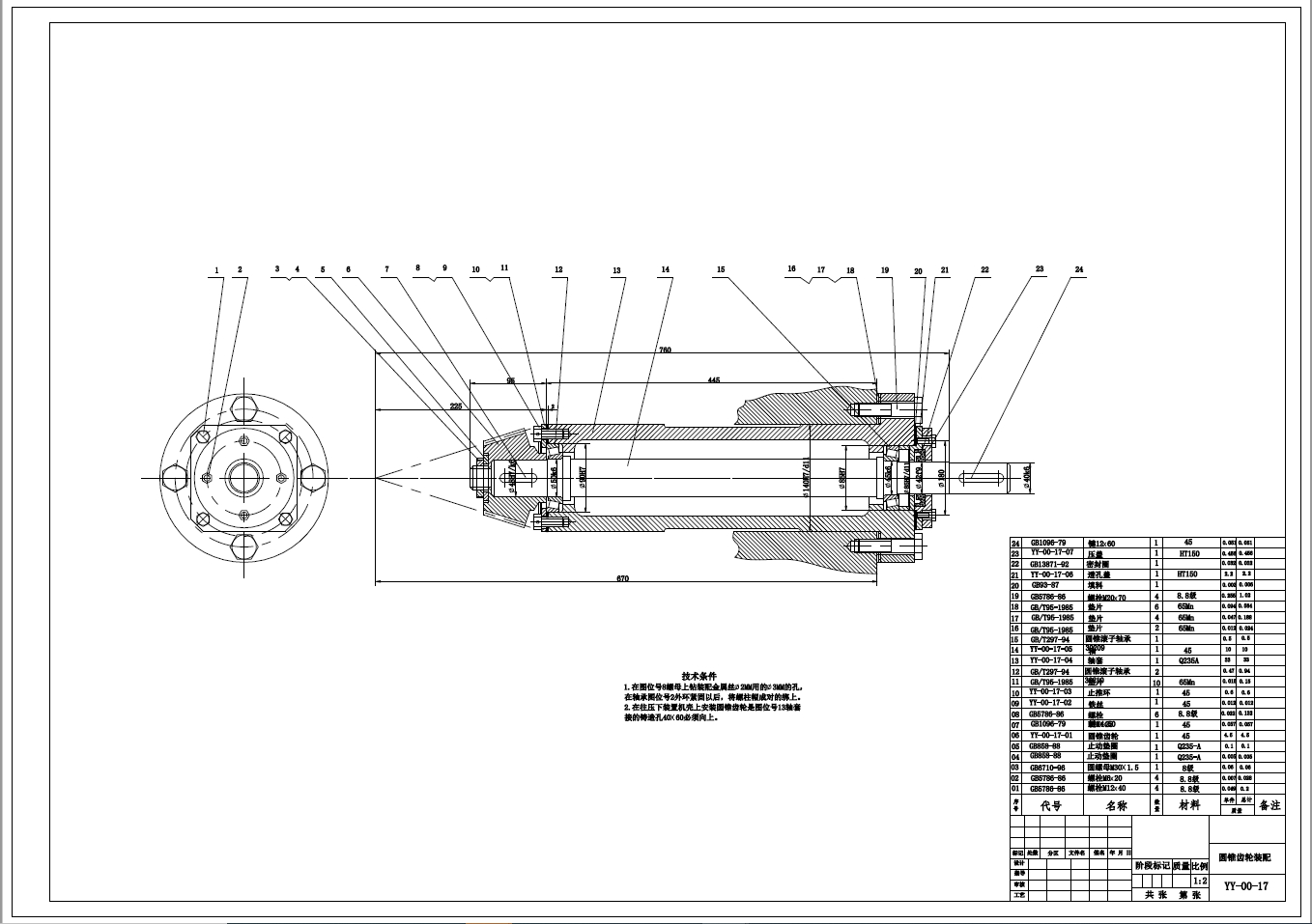
7. 圆锥齿轮部件图.PDF
405 KB
8. 圆锥齿轮部件图.dwg
95.1 KB
9. 微信截图_20240630182609.png
261 KB
10. 微信截图_20240630182622.png
271 KB
11. 微信截图_20240630182626.png
167 KB
12. 微信截图_20240630182629.png
126 KB
13. 微信截图_20240630182632.png
250 KB
14. 说明书.doc
1.26 MB
15. 说明书.pdf
403 KB
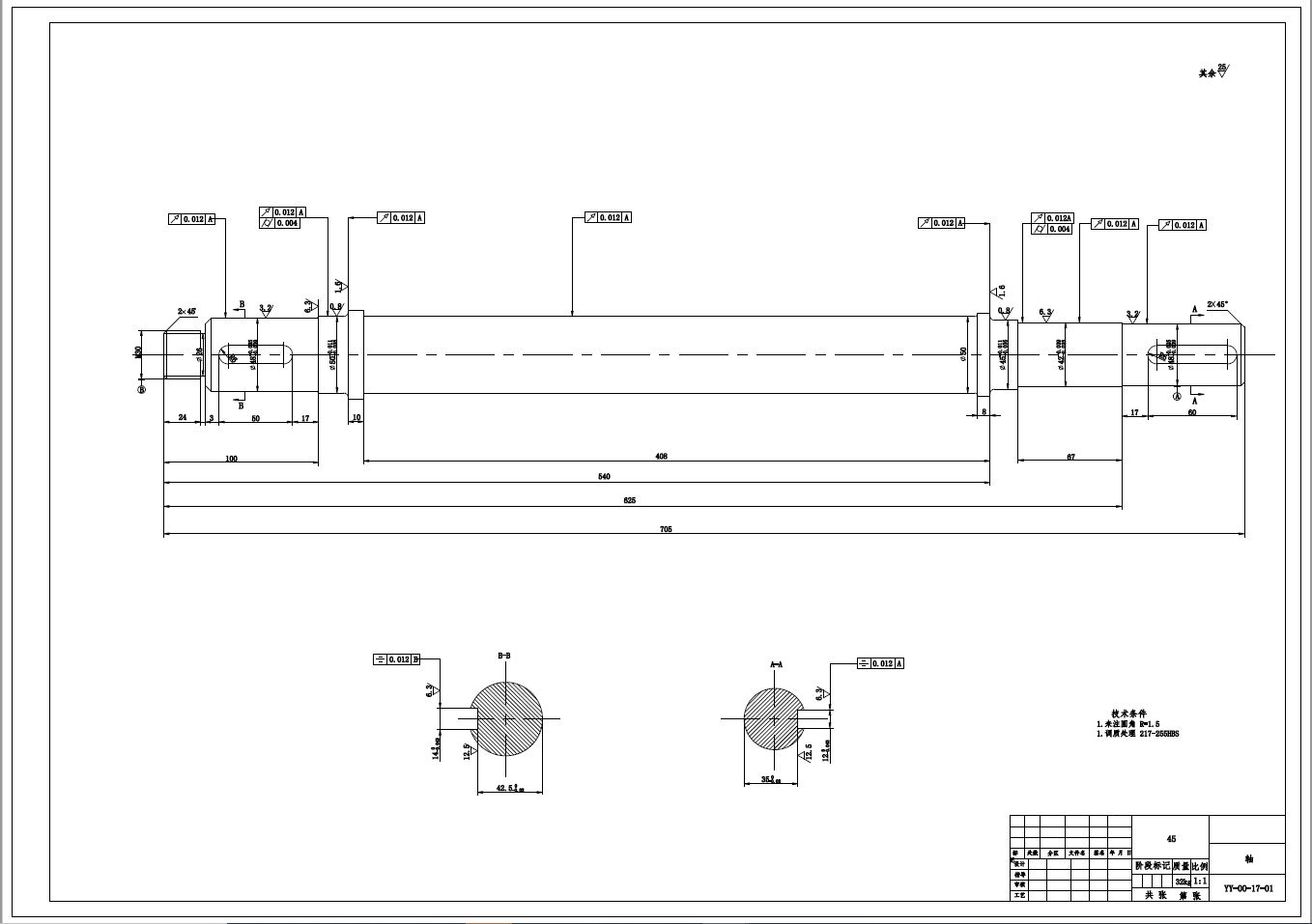
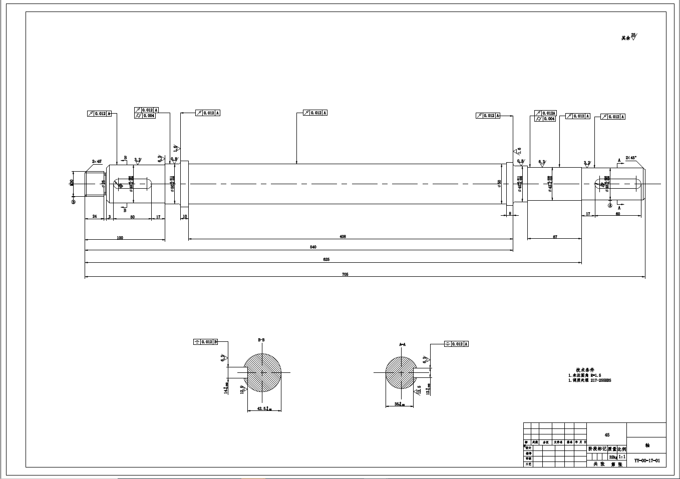
16. 轴零件图.PDF
95.1 KB
17. 轴零件图.dwg
63.7 KB
18. 马达齿轮.PDF
215 KB
19. 马达齿轮.dwg
67.1 KB
【D0726-1150初轧机的快速电动压下装置设计+CAD+说明书==941622=250】相关作品
下载提示
×

下载该图档需要消耗20金币!

确认下载
-- 热门充值套餐 · 限时优惠 --
加载中