D0718-250吨闭式双点压力机执行机构设计+CAD+说明书==662399=250AutoCAD图档

图档名称为:D0718-250吨闭式双点压力机执行机构设计+CAD+说明书==662399=250,属于设备部件,模具类分类,软件为AutoCAD, 图纸格式为pdf,dwg,可在线预览,可编辑,可供设计参考

加入收藏
模型参数

模型ID:10366588

模型大小:9.69M

软件版本: AutoCAD 2007

模型格式:pdf,dwg

是否可编辑:可修改,包括参数

上传时间:2026-01-11

图纸介绍:

下载模型
作品: 297
粉丝: 0
文件列表
1. 250吨闭式双点压力机执行机构设计.ppt
1.36 MB
2. A0-执行机构装配图.PDF
184 KB
3. A0-执行机构装配图.dwg
276 KB
4. A0-滑块.PDF
82.9 KB
5. A0-滑块.dwg
179 KB
6. A0-滑块体.PDF
38.1 KB
7. A0-滑块体.dwg
135 KB
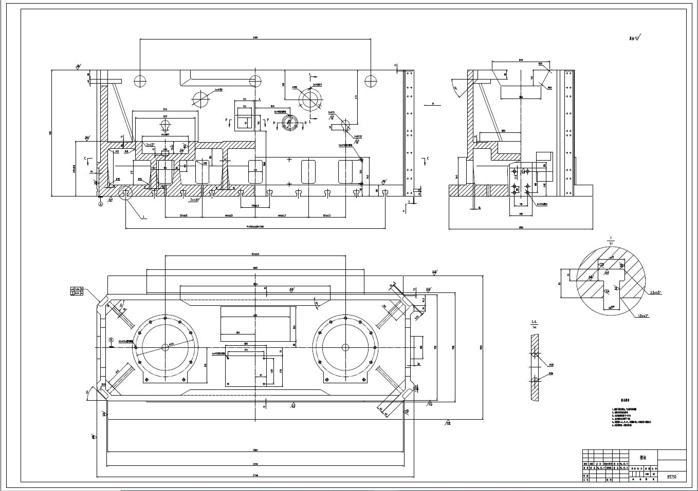
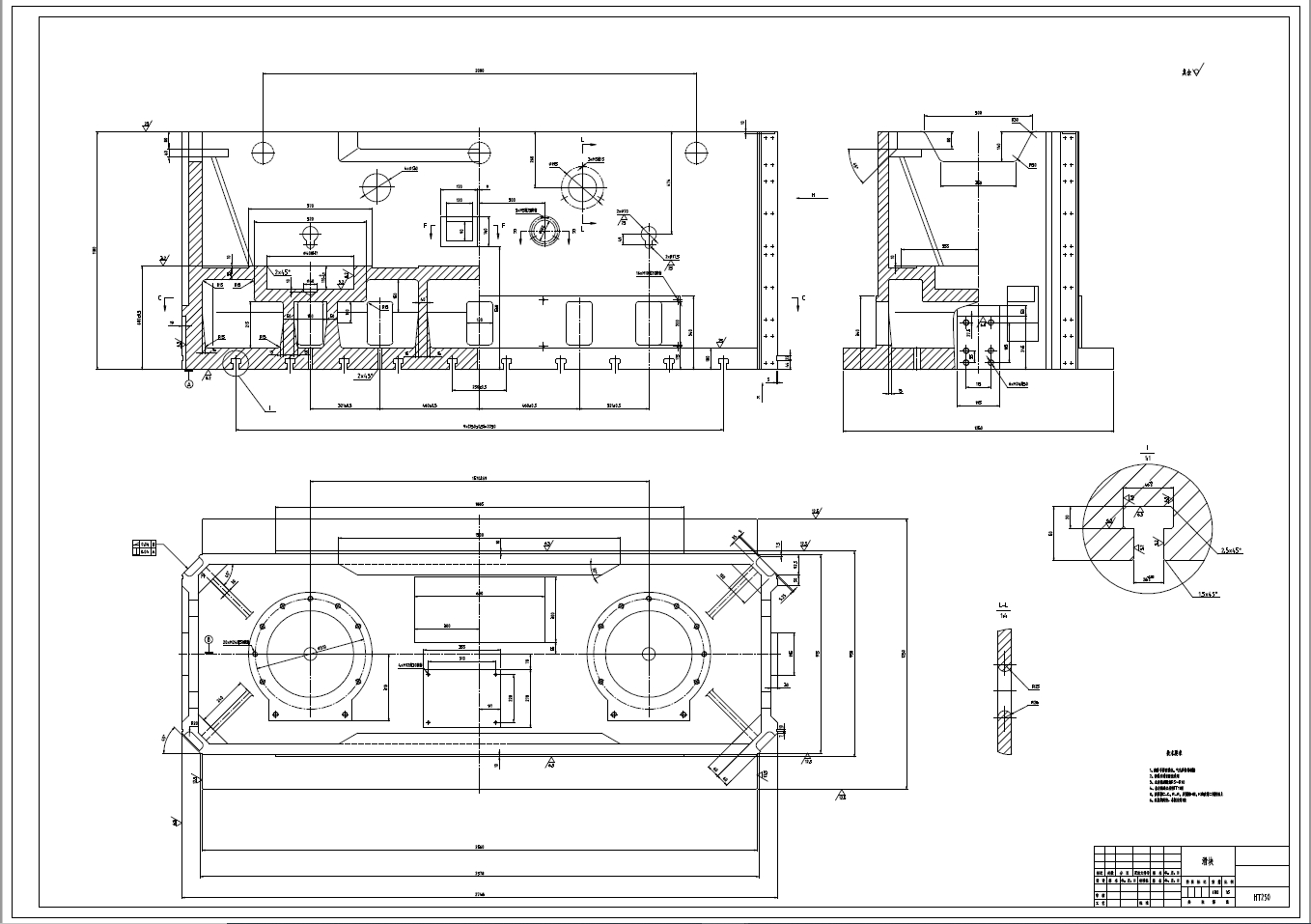
8. A0-滑块执行机构总装图.PDF
64 KB
9. A0-滑块执行机构总装图.dwg
510 KB
10. A0-滑块执行机构装配图.PDF
50 KB
11. A0-滑块执行机构装配图.dwg
448 KB
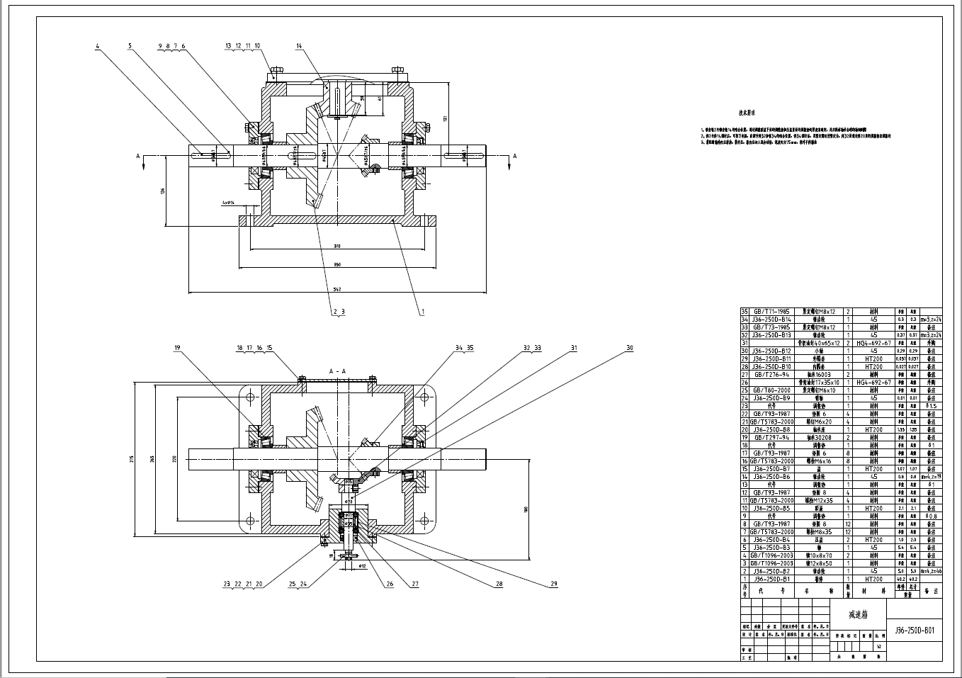
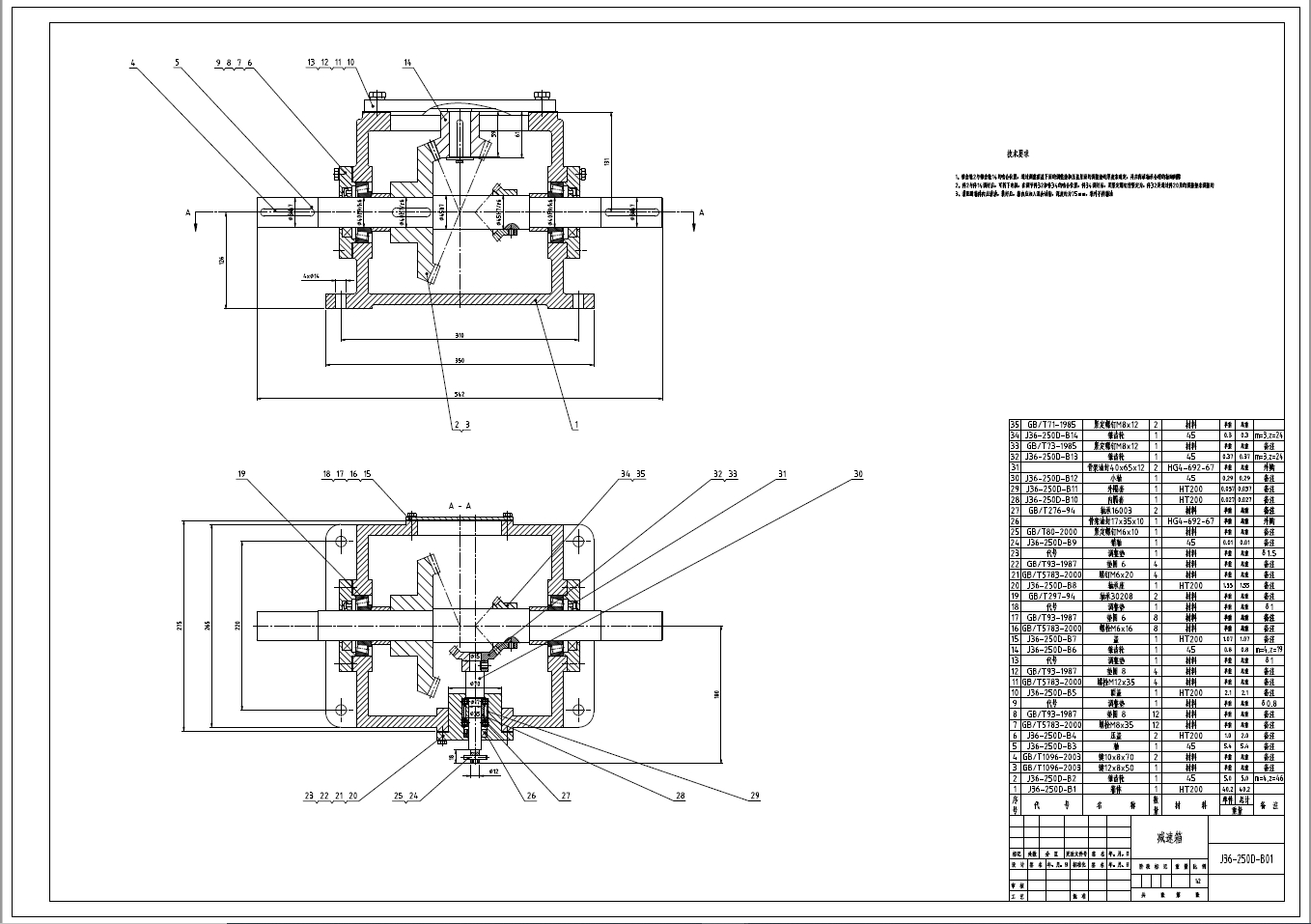
12. A1-减速箱装配图.PDF
133 KB
13. A1-减速箱装配图.dwg
271 KB
14. A3-法兰盖.PDF
30 KB
15. A3-法兰盖.dwg
77.8 KB
16. A3-箱体.PDF
45.3 KB
17. A3-箱体.dwg
104 KB
18. A3-螺纹套.PDF
35.8 KB
19. A3-螺纹套.dwg
85.6 KB
20. A3-连杆.PDF
42.2 KB
21. A3-连杆.dwg
112 KB
22. A3-铜瓦.PDF
15.9 KB
23. A3-铜瓦.dwg
60.7 KB
24. A4-销轴.PDF
20 KB
25. A4-销轴.dwg
61.7 KB
26. 微信截图_20240630181301.png
294 KB
27. 微信截图_20240630181309.png
259 KB
28. 微信截图_20240630181324.png
184 KB
29. 微信截图_20240630181336.png
304 KB
30. 微信截图_20240630181343.png
126 KB
31. 微信截图_20240630181347.png
127 KB
32. 机械加工工序卡片10-2.PDF
38.3 KB
33. 机械加工工序卡片10-2.dwg
113 KB
34. 机械加工工序卡片10.PDF
44.7 KB
35. 机械加工工序卡片10.dwg
115 KB
36. 机械加工工序卡片12.PDF
33.8 KB
37. 机械加工工序卡片12.dwg
119 KB
38. 机械加工工序卡片14.PDF
37.8 KB
39. 机械加工工序卡片14.dwg
118 KB
40. 机械加工工序卡片4.PDF
33.9 KB
41. 机械加工工序卡片4.dwg
111 KB
42. 机械加工工序卡片6.PDF
45 KB
43. 机械加工工序卡片6.dwg
118 KB
44. 机械加工工序卡片8.PDF
40.1 KB
45. 机械加工工序卡片8.dwg
112 KB
46. 说明书 (1).pdf
1.06 MB
47. 说明书.doc
3.29 MB
48. 说明书.pdf
1.06 MB
49. 调节螺杆工艺过程卡片.PDF
44.2 KB
50. 调节螺杆工艺过程卡片.dwg
57.1 KB
【D0718-250吨闭式双点压力机执行机构设计+CAD+说明书==662399=250】相关作品
下载提示
×

下载该图档需要消耗30金币!

确认下载
-- 热门充值套餐 · 限时优惠 --
加载中