4L-20-8活塞式压缩机CADAutoCAD图档

图档名称为:4L-20-8活塞式压缩机CAD,属于机械设备,通用设备分类,软件为AutoCAD, 图纸格式为dwg,可在线预览,可编辑,可供设计参考

加入收藏
模型参数

模型ID:10362506

模型大小:1.54M

软件版本: AutoCAD 2010

模型格式:dwg

是否可编辑:可修改,包括参数

上传时间:2026-01-03

图纸介绍:

下载模型
临渊羡鱼
作品: 0
粉丝: 0
文件列表
1. 一级排气阀.dwg
97.5 KB
2. 一级排气阀.png
114 KB
3. 一级进气阀.dwg
88.7 KB
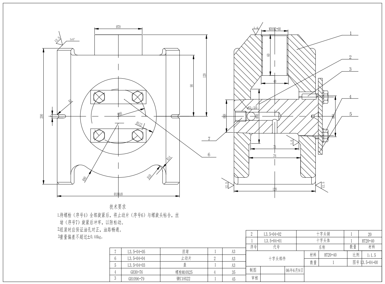
4. 十字头.dwg
97.6 KB
5. 十字头.png
146 KB
6. 微信截图_20230823175523.png
10.6 KB
7. 总装图.dwg
538 KB
8. 总装图.png
335 KB
9. 曲轴.dwg
128 KB
10. 曲轴.png
263 KB
【4L-20-8活塞式压缩机CAD】相关作品
提示
×

下载该图档需要消耗20金币!

确认下载
加载中