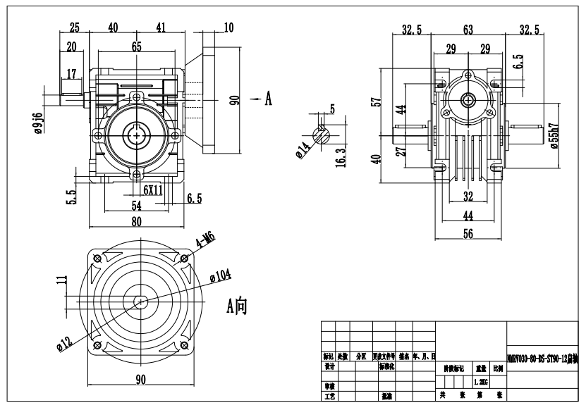
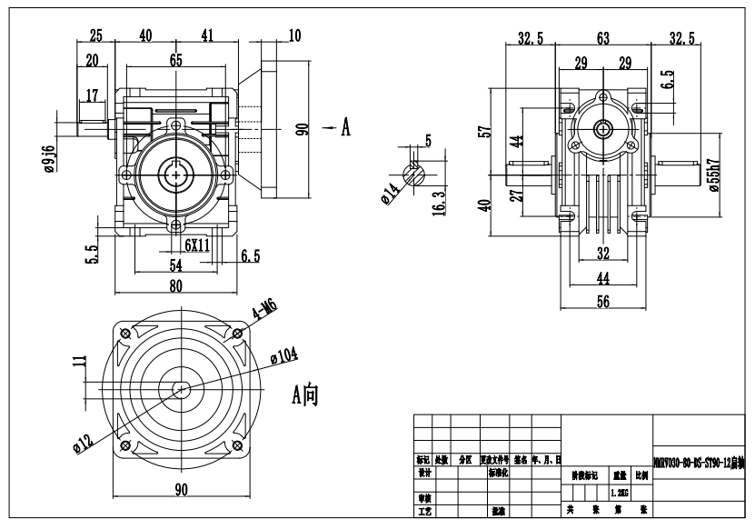
NMRV030-80-DS-ST90-12扁轴SolidWorks,step 3D模型

3D模型名称为:NMRV030-80-DS-ST90-12扁轴,属于机械设备,非标机械分类,软件为SolidWorks,step, 三维模型格式为sldprt,step,pdf,可在线预览,可编辑,可供设计参考

加入收藏
模型参数

模型ID:10358041

模型大小:1.84M

软件版本: SolidWorks,step

模型格式:sldprt,step,pdf

是否可编辑:可修改,包括参数

上传时间:2025-12-29

图纸介绍:

免费下载
半城烟沙
作品: 0
粉丝: 0
文件列表
1. 11.png
88.8 KB
2. A.png
81.7 KB
3. NMRV030-80-DS-ST90-12扁轴.SLDPRT
1.22 MB
4. NMRV030-80-DS-ST90-12扁轴.STEP
2.37 MB
5. NMRV030-80-DS-ST90-12扁轴.pdf
84.4 KB
【NMRV030-80-DS-ST90-12扁轴】相关作品
滚动更载更多~
提示
×

下载该图档需要消耗0金币!

确认下载
加载中