自动化水泥砖制作系统【含图和文档】AutoCAD 3D模型

机械图纸名称为:自动化水泥砖制作系统【含图和文档】,属于机械设备,智能装置分类,软件为AutoCAD, 三维模型格式为dwg,可在线预览,可编辑,可供设计参考

加入收藏
模型参数

模型ID:10354475

模型大小:4.39M

软件版本: AutoCAD

模型格式:dwg

是否可编辑:可修改,包括参数

上传时间:2025-12-26

图纸介绍:

下载模型
作品: 264
粉丝: 0
文件列表
1. 0000.jpg
180 KB
2. 00pp.jpg
140 KB
3. 1.jpg
56.8 KB
4. 2.jpg
47.8 KB
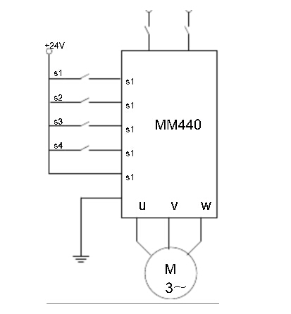
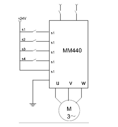
5. PLC控制接线图.DWG
187 KB
6. PLC控制接线图.DWG
187 KB
7. PLC控制接线图.DWG
187 KB
8. PLC控制接线图.bak
187 KB
9. QQ截图20151121160229.jpg
105 KB
10. QQ截图20151121160317.jpg
28 KB
11. QQ截图20151121160842.jpg
46.7 KB
12. acad.fas.lnk
981 B
13. acaddoc.lsp
2 B
14. atmp5724
194 KB
15. atmp6962
199 KB
16. lllll.jpg
38.8 KB
17. o.jpg
44.1 KB
18. sav205.tmp
195 KB
19. savB6E7.tmp
199 KB
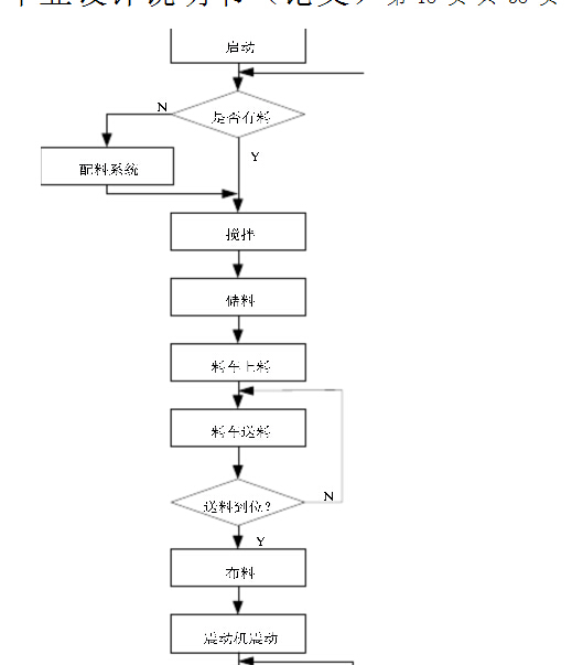
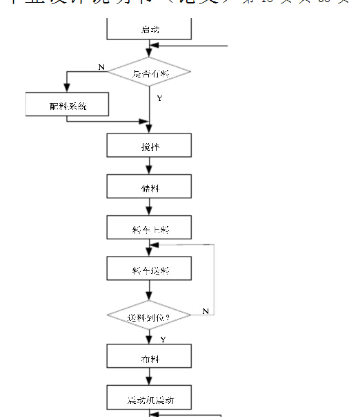
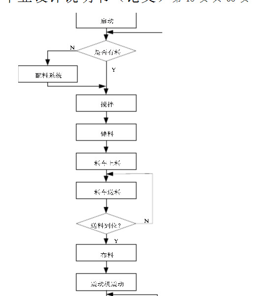
20. 主程序控制系统流程图.DWG
192 KB
21. 主程序控制系统流程图.DWG
192 KB
22. 主程序控制系统流程图.DWG
192 KB
23. 主程序控制系统流程图.bak
192 KB
24. 自动制砖控制系统工作图.DWG
186 KB
25. 自动制砖控制系统工作图.DWG
186 KB
26. 自动制砖控制系统工作图.DWG
186 KB
27. 自动制砖控制系统工作图.bak
186 KB
28. 自动化水泥砖制作系统设计说明书.doc
651 KB
29. 自动化水泥砖制作系统设计说明书.doc
651 KB
30. 自动化水泥砖制作系统设计说明书.doc
651 KB
【自动化水泥砖制作系统【含图和文档】】相关作品
下载提示
×

下载该图档需要消耗10金币!

确认下载
-- 热门充值套餐 · 限时优惠 --
加载中