ZL06型轮式装载机驱动桥的结构设计含7张CAD图纸==186472==250xlAutoCAD图档

图档名称为:ZL06型轮式装载机驱动桥的结构设计含7张CAD图纸==186472==250xl,属于机械设备,工程机械分类,软件为AutoCAD, 图纸格式为dwg,pdf,可在线预览,可编辑,可供设计参考

加入收藏
模型参数

模型ID:10345271

模型大小:3.47M

软件版本: AutoCAD 2004

模型格式:dwg,pdf

是否可编辑:可修改,包括参数

上传时间:2025-12-18

图纸介绍:

下载模型
望远帆
作品: 0
粉丝: 0
文件列表
1. (A2)主动锥齿轮轴.dwg
60.7 KB
2. (A2)内齿圈.dwg
60.8 KB
3. (A2)太阳轮.dwg
57.2 KB
4. (A2)差速器十字轴.dwg
64.7 KB
5. 001_桥壳.dwg
76.6 KB
6. 01-002_从动锥齿轮.dwg
57.7 KB
7. 01-011_主动锥齿轮轴.dwg
72.8 KB
8. 01-017_差速器十字轴.dwg
61.4 KB
9. 01_主传动器与差速器总成.dwg
107 KB
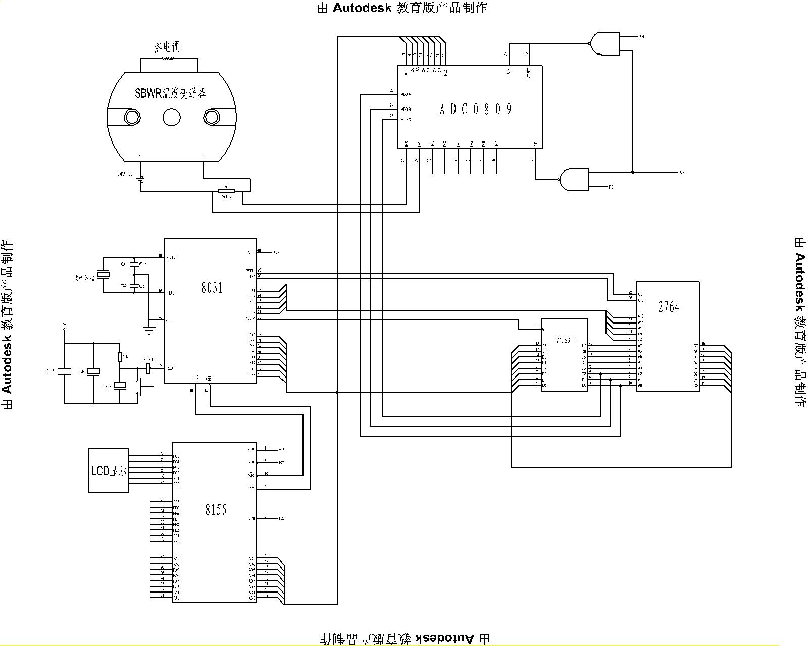
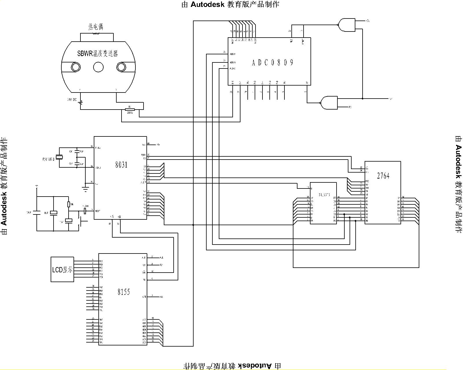
10. 111_电气原理图-Model.jpg
148 KB
11. 111_电气原理图.dwg
154 KB
12. Model-based determination of hydrogen system emissions.pdf
328 KB
13. ZL06型轮式装载机驱动桥的结构设计说明书.doc
1.03 MB
14. 总成.dwg
194 KB
15. 我的论文(16开).doc
1.1 MB
16. 我的论文(A4).doc
1.1 MB
17. 桥壳.dwg
67.1 KB
18. 汽车气候室氢排放系统实验装置模型的测定(有出处)--中英文翻译.doc
258 KB
19. 英文原文.doc
1.67 MB
【ZL06型轮式装载机驱动桥的结构设计含7张CAD图纸==186472==250xl】相关作品
滚动更载更多~
提示
×

下载该图档需要消耗10金币!

确认下载
加载中