E1298-基于PLC的多绳摩擦提升机制动控制系统设计CAD+说明书AutoCAD图档

图档名称为:E1298-基于PLC的多绳摩擦提升机制动控制系统设计CAD+说明书,属于机械设备,输送提升设备分类,软件为AutoCAD, 图纸格式为pdf,dwg,可在线预览,可编辑,可供设计参考

加入收藏
模型参数

模型ID:10341016

模型大小:5.4M

软件版本: AutoCAD 2010

模型格式:pdf,dwg

是否可编辑:可修改,包括参数

上传时间:2025-12-14

图纸介绍:

下载模型
作品: 283
粉丝: 0
文件列表
1. 2.开题报告.doc
69.5 KB
2. 2.开题报告.pdf
144 KB
3. CPU226
150 B
4. MFC42D.DLL
908 KB
5. MFCO42D.DLL
780 KB
6. MSVCRTD.DLL
376 KB
7. OK.awl
2.69 KB
8. S7_200.exe
3.75 MB
9. 制动系统程序.mwp
3.7 KB
10. 微信截图_20240328184229.png
168 KB
11. 微信截图_20240328184244.png
118 KB
12. 微信截图_20240328184257.png
122 KB
13. 微信截图_20240328184305.png
85.8 KB
14. 液压2004.PDF
154 KB
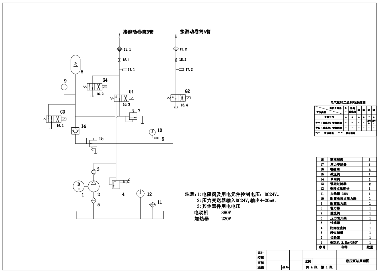
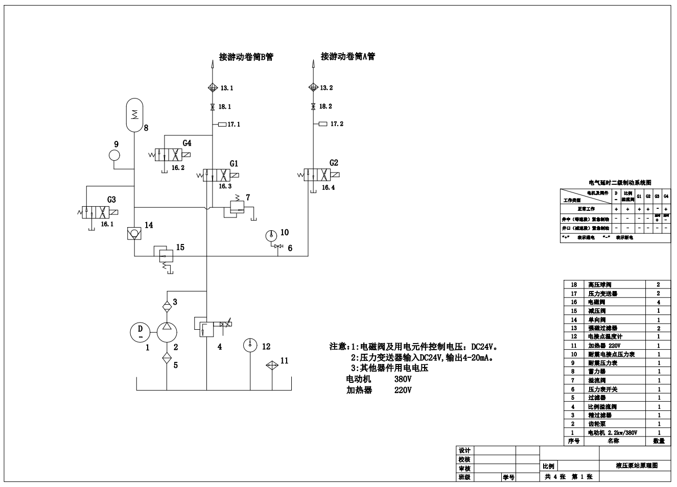
15. 液压2004.dwg
197 KB
16. 液压2007.PDF
154 KB
17. 液压2007.dwg
185 KB
18. 液压2010.PDF
154 KB
19. 液压2010.dwg
181 KB
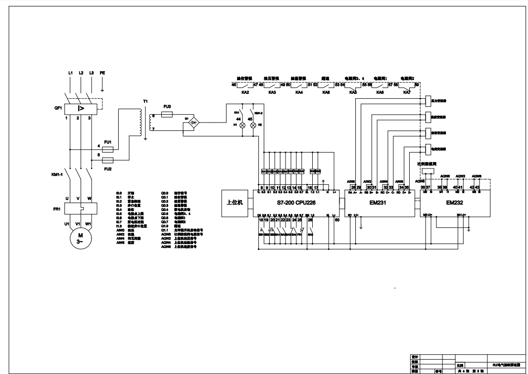
20. 电气控制原理图2004.PDF
329 KB
21. 电气控制原理图2004.dwg
133 KB
22. 电气控制原理图2007.PDF
329 KB
23. 电气控制原理图2007.dwg
136 KB
24. 电气控制原理图2010.PDF
329 KB
25. 电气控制原理图2010.dwg
132 KB
26. 说明书.wps
1.82 MB
【E1298-基于PLC的多绳摩擦提升机制动控制系统设计CAD+说明书】相关作品
下载提示
×

下载该图档需要消耗20金币!

确认下载
-- 热门充值套餐 · 限时优惠 --
加载中