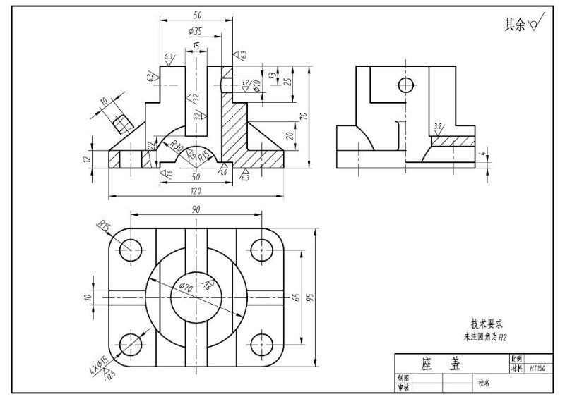
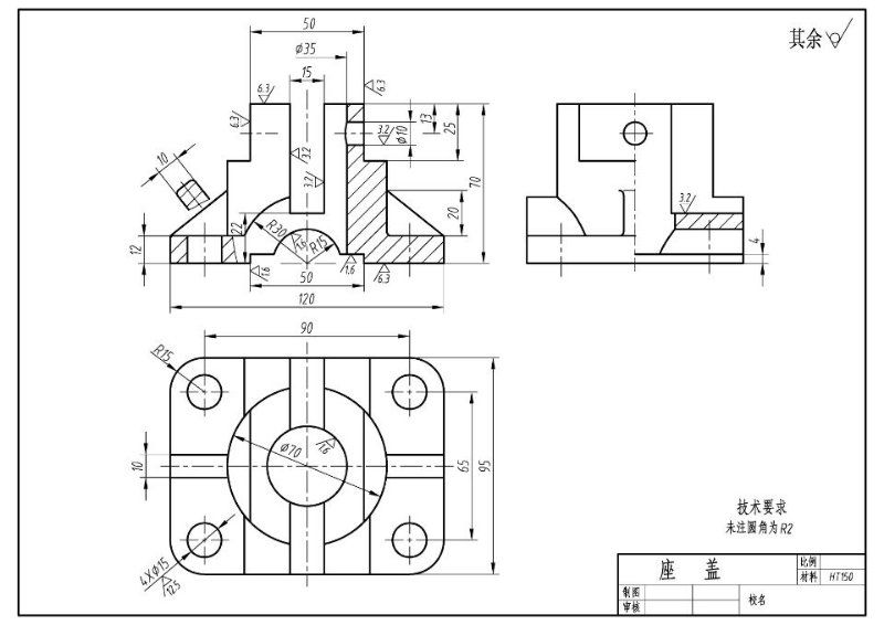
座盖的工艺与设计钻4个15孔的夹具设计160AutoCAD图档

图档名称为:座盖的工艺与设计钻4个15孔的夹具设计160,属于设备部件,工器具分类,软件为AutoCAD, 图纸格式为dwg,可在线预览,可编辑,可供设计参考

加入收藏
模型参数

模型ID:10328123

模型大小:1.01M

软件版本: AutoCAD 2007

模型格式:dwg

是否可编辑:可修改,包括参数

上传时间:2025-12-01

图纸介绍:

下载模型
东篱秋
作品: 0
粉丝: 0
文件列表
1. 夹具体.dwg
101 KB
2. 座盖.jpg
49.9 KB
3. 座盖加工工序卡.doc
290 KB
4. 座盖加工工艺过程卡.doc
54.5 KB
5. 座盖工序图.dwg
146 KB
6. 座盖毛坯图.dwg
76 KB
7. 座盖立体.jpg
35.8 KB
8. 座盖零件图.dwg
87.2 KB
9. 心轴.dwg
100 KB
10. 编写座盖的工艺与设计钻4个∅15孔的夹具说明书.doc
1.6 MB
11. 装配图.dwg
142 KB
【座盖的工艺与设计钻4个15孔的夹具设计160】相关作品
滚动更载更多~
提示
×

下载该图档需要消耗10金币!

确认下载
加载中