双离合五档自动变速器设计495034==250kuAutoCAD图档

图档名称为:双离合五档自动变速器设计495034==250ku,属于机械设备,非标机械分类,软件为AutoCAD, 图纸格式为dwg,pdf,可在线预览,可编辑,可供设计参考

加入收藏
模型参数

模型ID:10322394

模型大小:7.84M

软件版本: AutoCAD 2007

模型格式:dwg,pdf

是否可编辑:可修改,包括参数

上传时间:2025-11-26

图纸介绍:

下载模型
作品: 283
粉丝: 0
文件列表
1. 0湿式双离合5档自动变速器.dwg
643 KB
2. 1档从动轮.dwg
168 KB
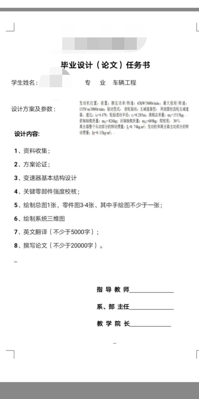
3. 任务书.jpg
108 KB
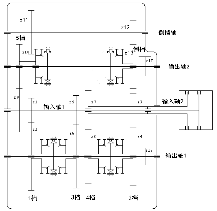
4. 传动图5档.png
29.7 KB
5. 外文原文.pdf
3.14 MB
6. 湿式双离合5档自动变速器答辩要点.docx
259 KB
7. 翻译.docx
1.49 MB
8. 英文文献翻译.docx
17 KB
9. 英文文献翻译原文.pdf
105 KB
10. 设计说明书.doc
2.94 MB
11. 输入轴2(空心轴).dwg
215 KB
12. 输出轴2.dwg
231 KB
13. 部分分析计算草图.dwg
163 KB
14. 问题.docx
75.9 KB
【双离合五档自动变速器设计495034==250ku】相关作品
下载提示
×

下载该图档需要消耗20金币!

确认下载
-- 热门充值套餐 · 限时优惠 --
加载中