汽车两轴五档变速器CAD图纸机械设计说明书AutoCAD图档

图档名称为:汽车两轴五档变速器CAD图纸机械设计说明书,属于交通运输,车辆工程分类,软件为AutoCAD, 图纸格式为dwg,可在线预览,可编辑,可供设计参考

加入收藏
模型参数

模型ID:10244095

模型大小:1.03M

软件版本: AutoCAD 2007

模型格式:dwg

是否可编辑:可修改,包括参数

上传时间:2025-06-10

图纸介绍:

下载模型
文件列表
1. TB25NAiarlmpuFjSZFlXXbdQXXa_!!521021946.jpg
71.6 KB
2. TB2P37jatXnpuFjSZFoXXXLcpXa_!!521021946.jpg
155 KB
3. TB2VwUhastnpuFjSZFKXXalFFXa_!!521021946.jpg
58.8 KB
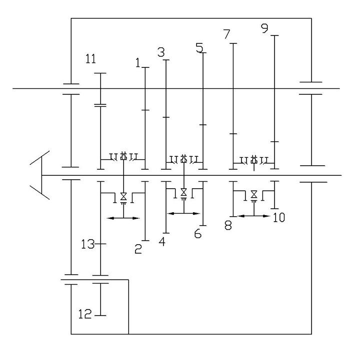
4. 两轴五档变速器.dwg
275 KB
5. 两轴五档变速器课程设计.doc
1.74 MB
6. 传动路线简图.dwg
87.3 KB
7. 变速器 计算公式.xls
18.5 KB
8. 封皮.doc
42.5 KB
9. 输出轴.dwg
159 KB
【汽车两轴五档变速器CAD图纸机械设计说明书】相关作品
下载提示
×

下载该图档需要消耗20金币!

确认下载
-- 热门充值套餐 · 限时优惠 --
加载中