ca6140机床后托架加工工艺及夹具设计【含图和文档】AutoCAD图档

图档名称为:ca6140机床后托架加工工艺及夹具设计【含图和文档】,属于机械设备,机加工设备分类,软件为AutoCAD, 图纸格式为dwg,可在线预览,可编辑,可供设计参考

加入收藏
模型参数

模型ID:10318672

模型大小:3.04M

软件版本: AutoCAD 2010

模型格式:dwg

是否可编辑:可修改,包括参数

上传时间:2025-11-22

图纸介绍:

下载模型
作品: 274
粉丝: 0
文件列表
1. 1.dwg
450 KB
2. 33.doc
30 KB
3. acad.err
240 B
4. ca6140机床后托架机械加工工序卡片.doc
441 KB
5. ca6140机床后托架机械加工工序卡片.doc
441 KB
6. ca6140机床后托架机械加工工序卡片.doc
441 KB
7. ca6140机床后托架机械加工工艺及铣底面夹具设计说明书.doc
1010 KB
8. ca6140机床后托架机械加工工艺及铣底面夹具设计说明书.doc
999 KB
9. ca6140机床后托架机械加工工艺及铣底面夹具设计说明书.doc
999 KB
10. ca6140机床后托架机械加工工艺过程卡片.doc
61 KB
11. ca6140机床后托架机械加工工艺过程卡片.doc
61 KB
12. ca6140机床后托架机械加工工艺过程卡片.doc
61 KB
13. ca6140车床后托架毛坯图.dwg
210 KB
14. ca6140车床后托架毛坯图.dwg
210 KB
15. ca6140车床后托架毛坯图.dwg
234 KB
16. ca6140车床后托架铣底面夹具体.dwg
143 KB
17. ca6140车床后托架铣底面夹具体.dwg
143 KB
18. ca6140车床后托架铣底面夹具体.dwg
164 KB
19. ca6140车床后托架铣底面夹具装配图.bak
124 KB
20. ca6140车床后托架铣底面夹具装配图.dwg
124 KB
21. ca6140车床后托架铣底面夹具装配图.dwg
144 KB
22. ca6140车床后托架铣底面夹具装配图.dwg
144 KB
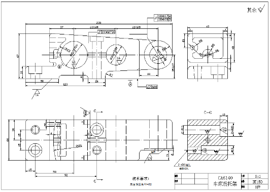
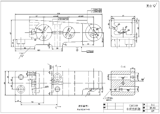
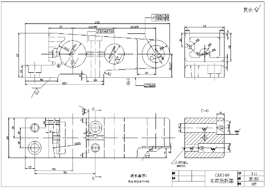
23. ca6140车床后托架零件图.dwg
220 KB
24. ca6140车床后托架零件图.dwg
220 KB
25. ca6140车床后托架零件图.dwg
256 KB
26. 任务书(工科)12 王吉福)))).doc
61 KB
27. 图片1.png
41.5 KB
【ca6140机床后托架加工工艺及夹具设计【含图和文档】】相关作品
下载提示
×

下载该图档需要消耗10金币!

确认下载
-- 热门充值套餐 · 限时优惠 --
加载中