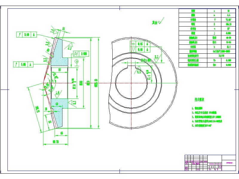
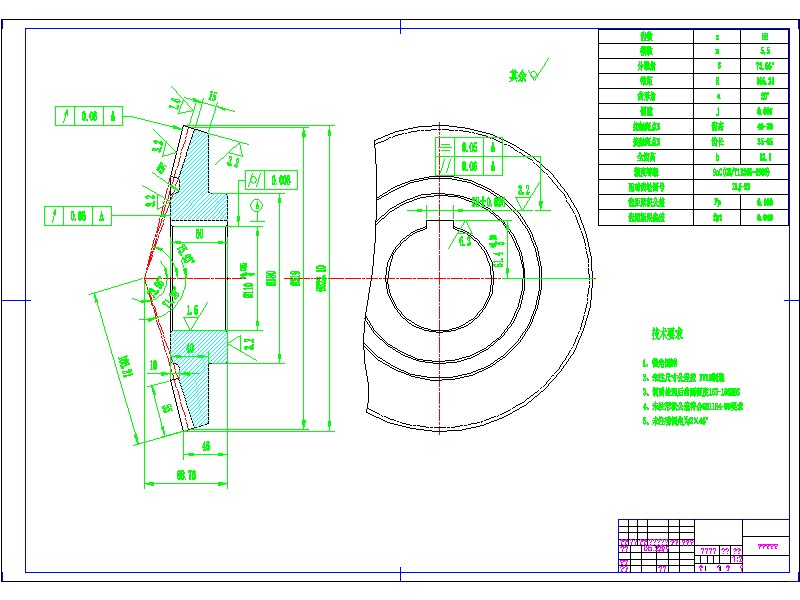
2G027--固体物料颗粒造粒机的设计AutoCAD图档

图档名称为:2G027--固体物料颗粒造粒机的设计,属于设备部件,模具类分类,软件为AutoCAD, 图纸格式为dwg,可在线预览,可编辑,可供设计参考

加入收藏
模型参数

模型ID:10310511

模型大小:1.03M

软件版本: AutoCAD 2010

模型格式:dwg

是否可编辑:可修改,包括参数

上传时间:2025-11-15

图纸介绍:

下载模型
枕溪声
作品: 0
粉丝: 0
文件列表
1. 中英文目录完成篇.doc
38 KB
2. 从动锥齿轮A1-Model.jpg
112 KB
3. 从动锥齿轮A1.dwg
84.2 KB
4. 完整的一份.doc
1.26 MB
5. 开题报告、选题审批表、实习鉴定表.doc
56.5 KB
6. 心轴A1.dwg
79.7 KB
7. 空心轴A0.dwg
118 KB
8. 装配图1A0.dwg
275 KB
9. 辊轮A2.dwg
72.5 KB
10. 辊轮组件装配图A2.dwg
103 KB
11. 锥齿轮轴A3.dwg
75.7 KB
【2G027--固体物料颗粒造粒机的设计】相关作品
滚动更载更多~
提示
×

下载该图档需要消耗10金币!

确认下载
加载中