基于S7-200PLC的24层楼房供水系统设计-含程序【西门子】AutoCAD图档

图档名称为:基于S7-200PLC的24层楼房供水系统设计-含程序【西门子】,属于建筑设施,建筑房屋分类,软件为AutoCAD, 图纸格式为dwg,可在线预览,可编辑,可供设计参考

加入收藏
模型参数

模型ID:10308900

模型大小:7.19M

软件版本: AutoCAD 2004

模型格式:dwg

是否可编辑:可修改,包括参数

上传时间:2025-11-12

图纸介绍:

下载模型
作品: 310
粉丝: 0
文件列表
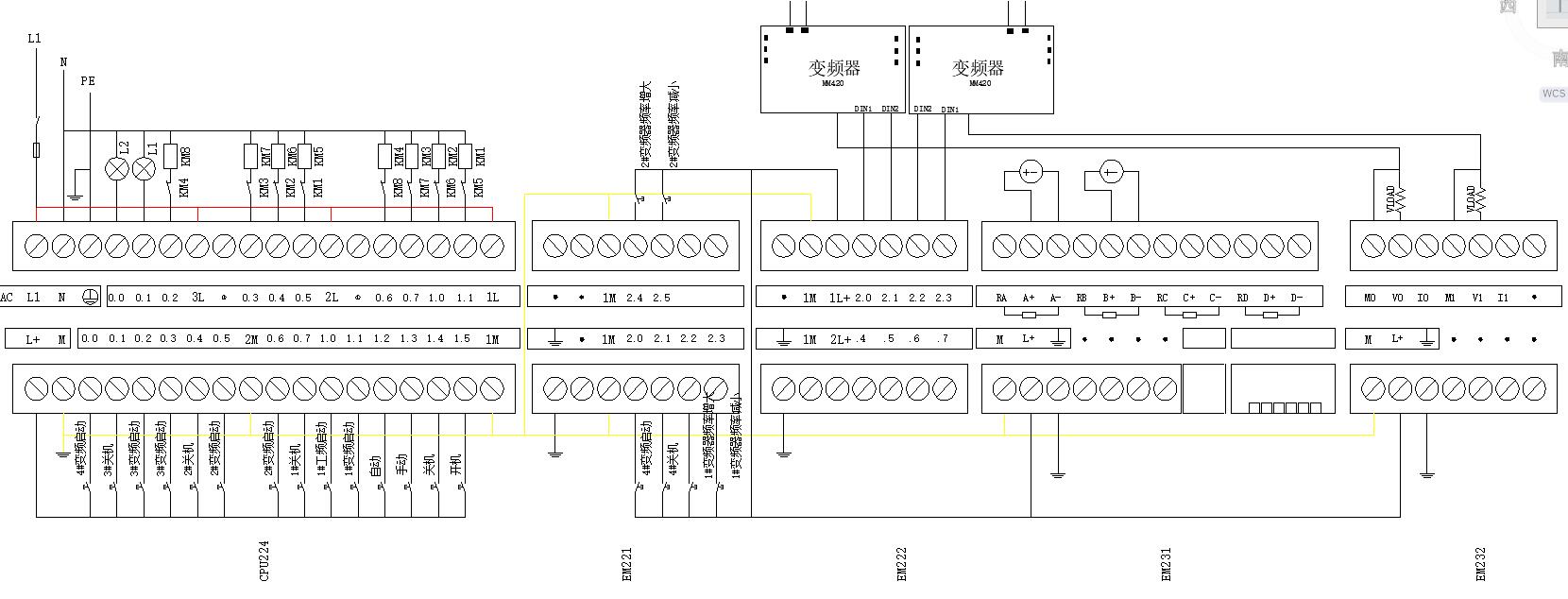
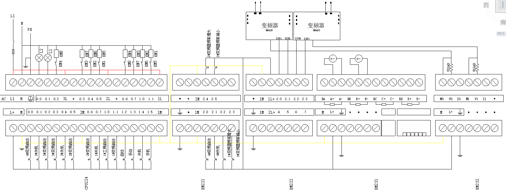
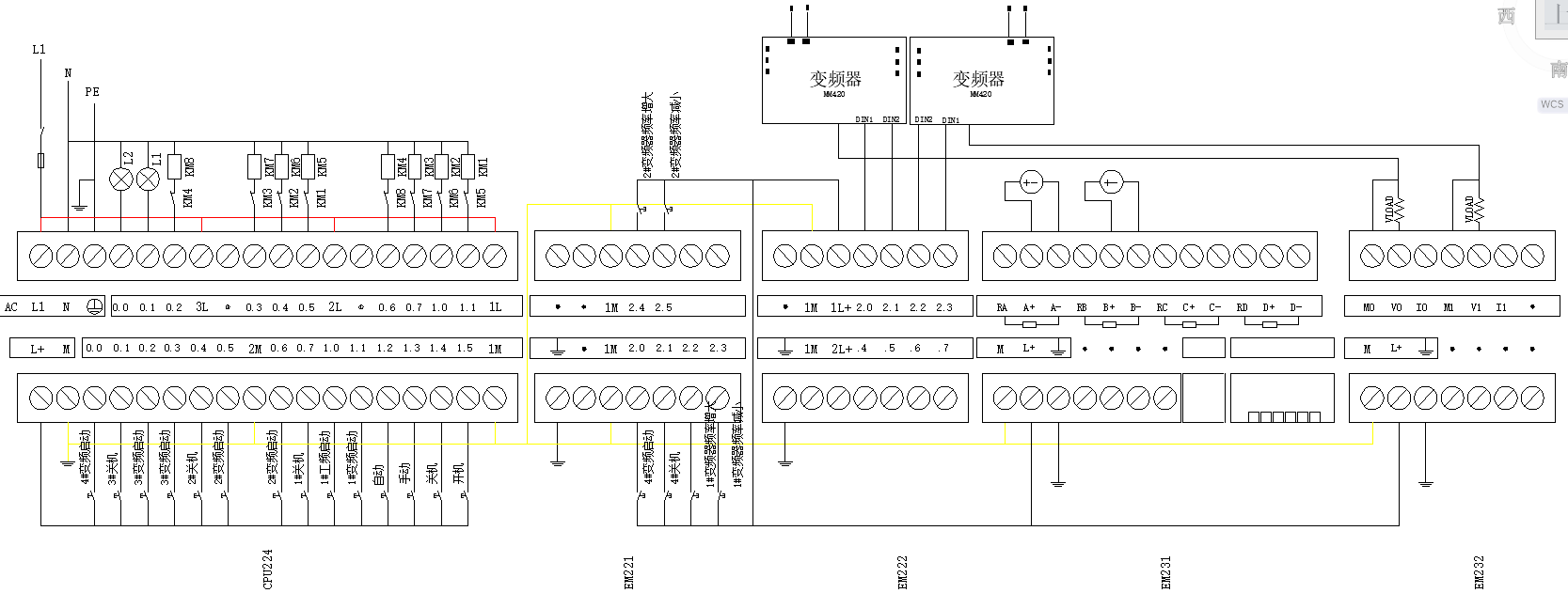
1. PLC接线图.dwg
102 KB
2. 供水方案简图.dwg
83.3 KB
3. 供水系统仿真模拟视频.mp4
6.43 MB
4. 供水系统手动控制程序.mwp
1.69 KB
5. 供水系统自动控制程序.mwp
3.87 KB
6. 接线图.PNG
26.2 KB
7. 接线图.jpg
124 KB
8. 文件.jpg
12.4 KB
9. 模拟程序.mwp
1.87 KB
10. 答辩ppt.ppt
475 KB
11. 系统主电路.dwg
82.3 KB
12. 说明书.doc
713 KB
13. 顺序功能图.dwg
104 KB
【基于S7-200PLC的24层楼房供水系统设计-含程序【西门子】】相关作品
下载提示
×

下载该图档需要消耗20金币!

确认下载
-- 热门充值套餐 · 限时优惠 --
加载中