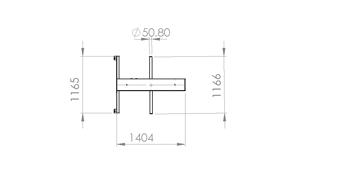
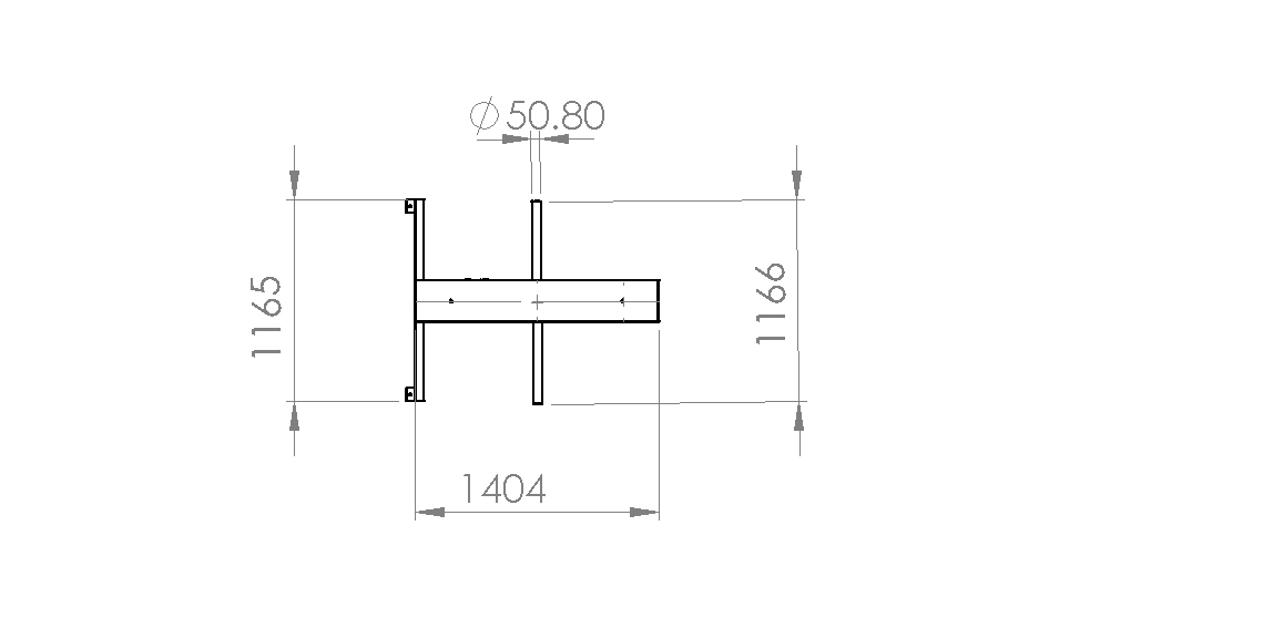
旋转栅门全高SolidWorks 3D模型

3D模型名称为:旋转栅门全高,属于机械设备,非标机械分类,软件为SolidWorks, 三维模型格式为pdf,sldasm,sldprt,可在线预览,可编辑,可供设计参考

加入收藏
模型参数

模型ID:10305079

模型大小:5.1M

软件版本: SolidWorks

模型格式:pdf,sldasm,sldprt

是否可编辑:可修改,包括参数

上传时间:2025-11-09

图纸介绍:

下载模型
迷途
作品: 0
粉丝: 0
文件列表
1. 1.pdf
27.4 KB
2. Assembly.JPG
132 KB
3. Assembly.SLDASM
489 KB
4. D_side_plate.SLDPRT
89.7 KB
5. D_top_plate.SLDPRT
92.9 KB
6. End_Cap.SLDPRT
128 KB
7. FHT_Bush_for_wing.SLDPRT
125 KB
8. Flange.SLDPRT
94.1 KB
9. Front view_ Side view.JPG
103 KB
10. Red_Light.SLDPRT
87.8 KB
11. Red_Light1.SLDPRT
85.8 KB
12. Side D.SLDPRT
135 KB
13. Side_D_Weldments.SLDPRT
223 KB
14. Side_D_Weldments_Drawing.SLDDRW
86.5 KB
15. Side_D_Weldments_drawing1.SLDDRW
125 KB
16. Side_stopper_Weldments.SLDPRT
135 KB
17. Side_stopper_Weldments_Drawing.SLDDRW
113 KB
18. TopU_Cylinder.SLDPRT
55.2 KB
19. TopU_cover.SLDPRT
117 KB
20. TopU_flatbar.SLDPRT
56 KB
21. Top_U_Sideplate.SLDPRT
70.2 KB
22. Top_view.JPG
40.5 KB
23. Untitled.png
143 KB
24. Wing_Weldments_drawing.SLDDRW
97.6 KB
25. Wing_pin.SLDPRT
76.9 KB
26. pic_render.JPG
130 KB
27. pic_with_lights.JPG
115 KB
28. png_pic.png
197 KB
29. preview.JPG
131 KB
30. render_pic.JPG
45.2 KB
31. side_stopper_bottom_plate.SLDPRT
87.4 KB
32. top U.SLDPRT
405 KB
33. topU_Drawing.SLDDRW
97.5 KB
34. topU_Drawing_A3.SLDDRW
125 KB
35. tripod.SLDPRT
95.7 KB
36. tripod_v1.SLDPRT
107 KB
37. turnmex_secure.JPG
291 KB
38. wing_Weldments.SLDPRT
223 KB
39. wing_Weldments_cutsheet.SLDDRW
117 KB
【旋转栅门全高】相关作品
滚动更载更多~
提示
×

下载该图档需要消耗10金币!

确认下载
加载中