2G046--差速器设计及桥壳有限元分析(三维proe全)AutoCAD,proe/creo图档

图档名称为:2G046--差速器设计及桥壳有限元分析(三维proe全),属于机械设备,非标机械分类,软件为AutoCAD,proe/creo, 图纸格式为prt,dwg,可在线预览,可编辑,可供设计参考

加入收藏
模型参数

模型ID:10291473

模型大小:104.63M

软件版本: AutoCAD 2004,proe/creo

模型格式:prt,dwg

是否可编辑:可修改,包括参数

上传时间:2025-10-28

图纸介绍:

下载模型
六桥烟柳
作品: 0
粉丝: 0
文件列表
1. 12000_1.prt.1
158 KB
2. 12tanhuangdianquan.prt.3
137 KB
3. 12tanhuangdianquan.prt.3
137 KB
4. 17dianpian.prt.1
65.7 KB
5. 17dianpian.prt.1
65.7 KB
6. 2000_2.prt.1
205 KB
7. 205ev.asm.1
111 KB
8. 32000_3.prt.1
151 KB
9. 7500e_1.prt.1
105 KB
10. 7500e_2.prt.1
269 KB
11. 7500e_3.prt.1
79.1 KB
12. 7510.asm.1
112 KB
13. 7600e_1.prt.1
99.2 KB
14. 7600e_2.prt.1
269 KB
15. 7600e_3.prt.1
72.9 KB
16. 7609.asm.1
109 KB
17. PPT设计.ppt
4.65 MB
18. asm-jizhun.prt.3
37.5 KB
19. asm-jizhun_.prt.1
38.3 KB
20. banzhouchilun-Layout1.jpg
56.7 KB
21. banzhouchilun-Model.jpg
70.6 KB
22. banzhouchilun.dwg
88.2 KB
23. banzhouchilun.prt.13
2.55 MB
24. banzhouchilun.prt.13
2.55 MB
25. chasuqi.asm.16
3.93 MB
26. chasuqiketi1.prt.9
6.77 MB
27. chasuqiketi1.prt.9
6.77 MB
28. chasuqiketi2.prt.11
8.11 MB
29. chasuqiketi2.prt.11
8.11 MB
30. csqk.asm.12
4.83 MB
31. dazhuidianpian.prt.1
116 KB
32. dazhuidianpian.prt.3
136 KB
33. dazhuidianpian.prt.3
136 KB
34. frma0.frm.1
16.2 KB
35. gct-csq.drw.6
42.3 KB
36. luoxuandachilun.prt.5
10.3 MB
37. luoxuanxiaochilun.prt.3
4.24 MB
38. m10-31.prt.1
608 KB
39. m10-31.prt.4
972 KB
40. m10-45.prt.1
717 KB
41. m10luomu.prt.2
318 KB
42. m10luoshuan.prt.1
270 KB
43. m10luoshuan.prt.1
270 KB
44. m12-67.prt.1
542 KB
45. m12luomao.prt.1
272 KB
46. m7-11.prt.1
384 KB
47. m7luomao.prt.1
276 KB
48. m8-49.prt.1
569 KB
49. m8-49.prt.4
617 KB
50. m8luomao.prt.1
269 KB
51. m8luomao.prt.1
269 KB
52. m9-29.prt.1
725 KB
53. shizhizhou-Model.jpg
71.6 KB
54. shizhizhou.dwg
95 KB
55. shizhizhou.prt.14
651 KB
56. shizhizhou.prt.14
651 KB
57. suozhidianpian.prt.4
66.4 KB
58. suozhidianpian.prt.4
66.4 KB
59. xiaozhuidianpian.prt.2
330 KB
60. xiaozhuidianpian.prt.4
405 KB
61. xiaozhuidianpian.prt.4
405 KB
62. xinxinchilun-Model.jpg
59.5 KB
63. xinxinchilun.dwg
79.1 KB
64. xinxinchilun.prt.8
2.86 MB
65. xinxinchilun.prt.8
2.86 MB
66. 中.grt
13.3 KB
67. 从动锥齿轮.jpg
426 KB
68. 十字轴齿轮说明书.doc
255 KB
69. 半轴齿轮说明书.doc
551 KB
70. 参数化齿轮.jpg
145 KB
71. 右.grt
13.3 KB
72. 右半轴.jpg
382 KB
73. 工况一.mpg
4.3 MB
74. 工况二.mpg
4.69 MB
75. 工序卡1-Model.gif
8.87 KB
76. 工序卡1-Model.gif
9.96 KB
77. 工序卡1-Model.jpg
56.6 KB
78. 工序卡1-Model.jpg
58.8 KB
79. 工序卡1.dwg
56.7 KB
80. 工序卡1.dwg
59.9 KB
81. 工序卡10-Model.gif
11.3 KB
82. 工序卡10-Model.gif
9.35 KB
83. 工序卡10-Model.jpg
55.1 KB
84. 工序卡10-Model.jpg
71.8 KB
85. 工序卡10.dwg
31.6 KB
86. 工序卡10.dwg
62.9 KB
87. 工序卡11-Model.gif
10.4 KB
88. 工序卡11-Model.jpg
65.5 KB
89. 工序卡11.dwg
31.5 KB
90. 工序卡2-Model.gif
10.6 KB
91. 工序卡2-Model.gif
9.15 KB
92. 工序卡2-Model.jpg
60.6 KB
93. 工序卡2-Model.jpg
61.3 KB
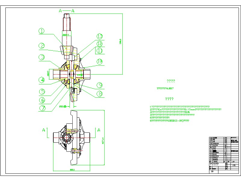
94. 工序卡2-布局2.gif
9.88 KB
95. 工序卡2-布局2.jpg
58 KB
96. 工序卡2.dwg
27.8 KB
97. 工序卡2.dwg
60.7 KB
98. 工序卡3-Model.gif
10.4 KB
99. 工序卡3-Model.gif
9.43 KB
100. 工序卡3-Model.jpg
59.5 KB
101. 工序卡3-Model.jpg
62.2 KB
102. 工序卡3.dwg
34.5 KB
103. 工序卡3.dwg
35.8 KB
104. 工序卡4-Model.gif
10.2 KB
105. 工序卡4-Model.gif
9.4 KB
106. 工序卡4-Model.jpg
59.5 KB
107. 工序卡4-Model.jpg
59.6 KB
108. 工序卡4.dwg
35.8 KB
109. 工序卡4.dwg
60.2 KB
110. 工序卡5-Model.gif
10.5 KB
111. 工序卡5-Model.gif
9.54 KB
112. 工序卡5-Model.jpg
58.3 KB
113. 工序卡5-Model.jpg
65.8 KB
114. 工序卡5.dwg
37.6 KB
115. 工序卡5.dwg
70.1 KB
116. 工序卡6-Model.gif
10.1 KB
117. 工序卡6-Model.gif
9.38 KB
118. 工序卡6-Model.jpg
56.6 KB
119. 工序卡6-Model.jpg
64.2 KB
120. 工序卡6.dwg
41.6 KB
121. 工序卡6.dwg
59.4 KB
122. 工序卡7-Model.gif
10.9 KB
123. 工序卡7-Model.gif
8.91 KB
124. 工序卡7-Model.jpg
57.3 KB
125. 工序卡7-Model.jpg
69.4 KB
126. 工序卡7.dwg
27.7 KB
127. 工序卡7.dwg
62.4 KB
128. 工序卡8-Model.gif
8.64 KB
129. 工序卡8-Model.gif
8.69 KB
130. 工序卡8-Model.jpg
52.2 KB
131. 工序卡8-Model.jpg
56.4 KB
132. 工序卡8.dwg
27.5 KB
133. 工序卡8.dwg
59.4 KB
134. 工序卡9-Model.gif
10.3 KB
135. 工序卡9-Model.gif
10.3 KB
136. 工序卡9-Model.jpg
59.3 KB
137. 工序卡9-Model.jpg
64.7 KB
138. 工序卡9.dwg
31.5 KB
139. 工序卡9.dwg
59.7 KB
140. 工程机械设计说明书.doc
1.1 MB
141. 工艺卡1-Model.gif
9.6 KB
142. 工艺卡1-Model.jpg
59.1 KB
143. 工艺卡1-布局2.gif
8.68 KB
144. 工艺卡1-布局2.jpg
54.8 KB
145. 工艺卡1.dwg
30 KB
146. 工艺卡10-Model.gif
9.93 KB
147. 工艺卡10-Model.jpg
58.1 KB
148. 工艺卡10.dwg
36.1 KB
149. 工艺卡11-Model.gif
12.5 KB
150. 工艺卡11-Model.jpg
77.2 KB
151. 工艺卡11.dwg
35.8 KB
152. 工艺卡2-Model.gif
9.63 KB
153. 工艺卡2-Model.jpg
60 KB
154. 工艺卡2-布局2.gif
8.66 KB
155. 工艺卡2-布局2.jpg
54.9 KB
156. 工艺卡2.dwg
29.8 KB
157. 工艺卡3-Model.gif
9.98 KB
158. 工艺卡3-Model.jpg
62 KB
159. 工艺卡3.dwg
39.5 KB
160. 工艺卡4-Model.gif
9.45 KB
161. 工艺卡4-Model.jpg
56.2 KB
162. 工艺卡4.dwg
29.5 KB
163. 工艺卡5-Model.gif
10.1 KB
164. 工艺卡5-Model.jpg
58.7 KB
165. 工艺卡5.dwg
47 KB
166. 工艺卡6-Model.gif
11.1 KB
167. 工艺卡6-Model.jpg
67.4 KB
168. 工艺卡6.dwg
32.7 KB
169. 工艺卡7-Model.gif
9.9 KB
170. 工艺卡7-Model.jpg
61.2 KB
171. 工艺卡7.dwg
30.6 KB
172. 工艺卡8-Model.gif
9.93 KB
173. 工艺卡8-Model.jpg
59 KB
174. 工艺卡8.dwg
29.9 KB
175. 工艺卡9-Model.gif
12.4 KB
176. 工艺卡9-Model.jpg
77 KB
177. 工艺卡9.dwg
44.3 KB
178. 工艺过程卡-Model.gif
13.3 KB
179. 工艺过程卡-Model.gif
13.3 KB
180. 工艺过程卡-Model.gif
13.8 KB
181. 工艺过程卡-Model.jpg
118 KB
182. 工艺过程卡-Model.jpg
118 KB
183. 工艺过程卡-Model.jpg
122 KB
184. 工艺过程卡-布局1.gif
11.1 KB
185. 工艺过程卡-布局1.jpg
104 KB
186. 工艺过程卡-布局2.gif
10.9 KB
187. 工艺过程卡-布局2.gif
10.9 KB
188. 工艺过程卡-布局2.gif
11.1 KB
189. 工艺过程卡-布局2.jpg
101 KB
190. 工艺过程卡-布局2.jpg
101 KB
191. 工艺过程卡-布局2.jpg
104 KB
192. 工艺过程卡.dwg
30.9 KB
193. 工艺过程卡.dwg
58.7 KB
194. 工艺过程卡.dwg
60.2 KB
195. 左.grt
13.3 KB
196. 左半轴.jpg
394 KB
197. 差速器仿真.mpg
6.74 MB
198. 差速器装配01.jpg
214 KB
199. 差速器装配02.jpg
255 KB
200. 差速器装配仿真.mpg
22.4 MB
201. 差速器装配仿真.mpg
22.4 MB
202. 差速器装配图-Model.jpg
76.6 KB
203. 差速器装配图-布局1.jpg
70.3 KB
204. 差速器装配图-布局2.jpg
70.7 KB
205. 差速器装配图.dwg
199 KB
206. 差速器运动仿真.mpg
6.74 MB
207. 总装图.jpg
239 KB
208. 截面图.jpg
410 KB
209. 机构运动仿真.jpg
213 KB
210. 标准件.jpg
125 KB
211. 爆炸图.jpg
269 KB
212. 特征件.jpg
207 KB
213. 行星齿轮设计说明书.doc
454 KB
214. 齿轮副.jpg
392 KB
【2G046--差速器设计及桥壳有限元分析(三维proe全)】相关作品
下载提示
×

下载该图档需要消耗400金币!

确认下载
-- 热门充值套餐 · 限时优惠 --
加载中