D1443-缸套加工工艺及夹具设计AutoCAD图档

图档名称为:D1443-缸套加工工艺及夹具设计,属于设备部件,工器具分类,软件为AutoCAD, 图纸格式为pdf,dwg,可在线预览,可编辑,可供设计参考

加入收藏
模型参数

模型ID:10374117

模型大小:2.7M

软件版本: AutoCAD 2004

模型格式:pdf,dwg

是否可编辑:可修改,包括参数

上传时间:2026-02-19

图纸介绍:

下载模型
作品: 302
粉丝: 1
文件列表
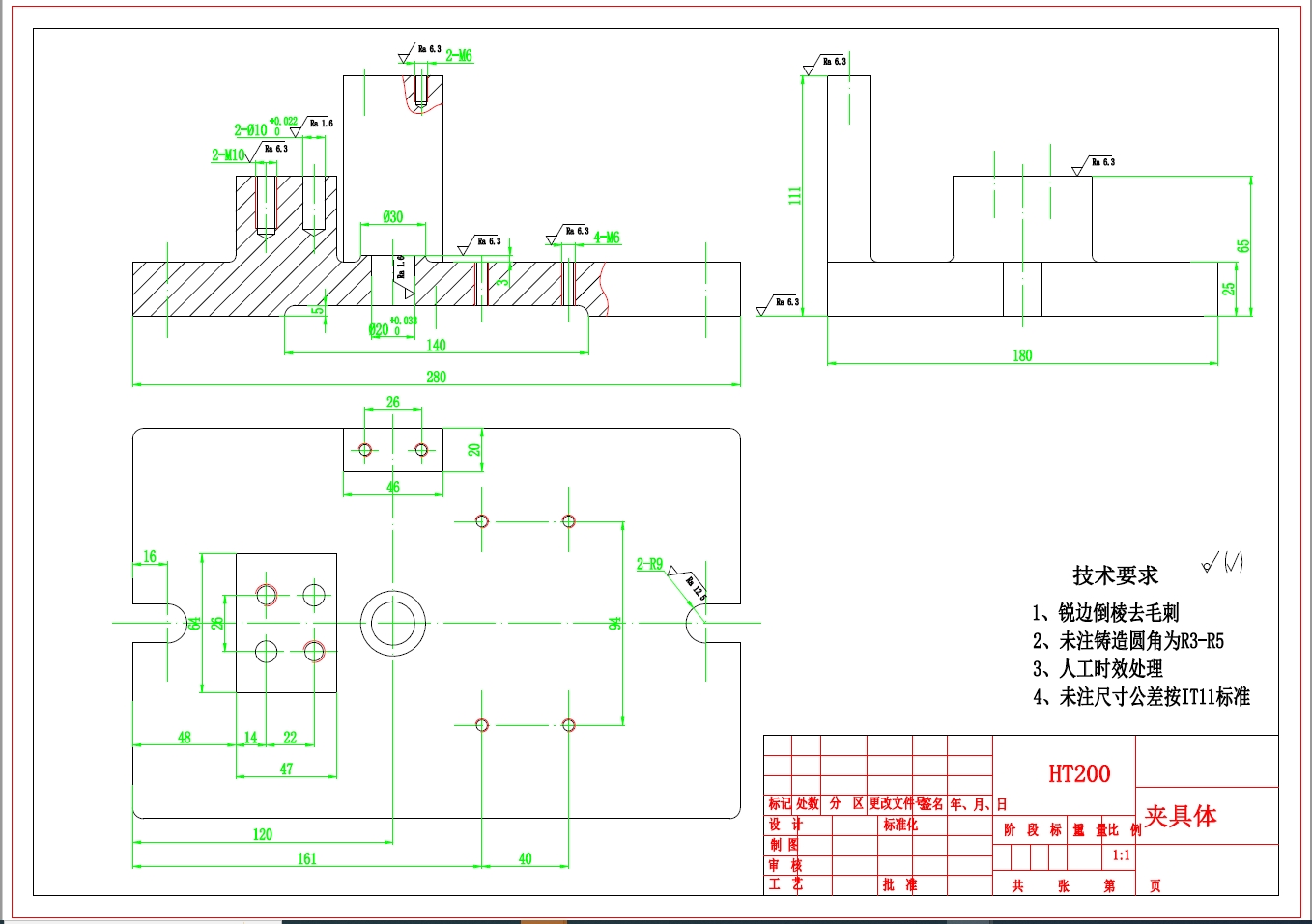
1. 夹具体A2.PDF
87.7 KB
2. 夹具体A2.dwg
101 KB
3. 工艺流程图.PDF
212 KB
4. 工艺流程图.dwg
100 KB
5. 微信截图_20240704181410.png
141 KB
6. 微信截图_20240704181418.png
283 KB
7. 微信截图_20240704181424.png
263 KB
8. 微信截图_20240704181427.png
319 KB
9. 微信截图_20240704181434.png
212 KB
10. 机械加工工序卡片.doc
76 KB
11. 机械加工工序卡片.pdf
111 KB
12. 综合检验卡.doc
43.5 KB
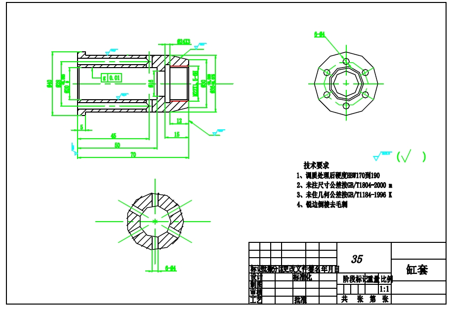
13. 缸套毛坯图.PDF
33.5 KB
14. 缸套毛坯图.dwg
81.3 KB
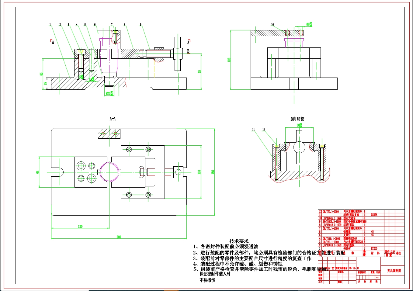
15. 缸套钻孔夹具装配图A1.PDF
195 KB
16. 缸套钻孔夹具装配图A1.dwg
120 KB
17. 缸套零件图.PDF
58.8 KB
18. 缸套零件图.dwg
102 KB
19. 说明书.doc
536 KB
20. 说明书.pdf
640 KB
【D1443-缸套加工工艺及夹具设计】相关作品
下载提示
×

下载该图档需要消耗10金币!

确认下载
-- 热门充值套餐 · 限时优惠 --
加载中