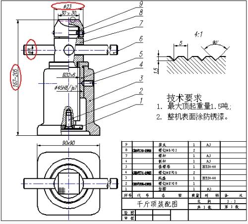
液压千斤顶_A毕业设计stp,AutoCAD,catia,SolidWorks图档

图档名称为:液压千斤顶_A毕业设计,属于设备部件,工器具分类,软件为stp,AutoCAD,catia,SolidWorks, 图纸格式为sldprt,sldasm,dwg,可在线预览,可编辑,可供设计参考

加入收藏
模型参数

模型ID:10257817

模型大小:5.77M

软件版本: stp,AutoCAD 2012,catia,SolidWorks

模型格式:sldprt,sldasm,dwg

是否可编辑:可修改,包括参数

上传时间:2025-06-25

图纸介绍:

下载模型
辞镜花
作品: 0
粉丝: 0
文件列表
1. 20091109081502-199489232.jpg
50.4 KB
2. 2014072956743017.jpg
30.9 KB
3. 300,day.txt
0 B
4. Part1.1.2.3.sldprt
77 KB
5. Part1.1.2.3_1.sldprt
77 KB
6. Part1.1.8.sldprt
66.5 KB
7. Part1.1.8_1.sldprt
66.5 KB
8. Part1.1.sldprt
103 KB
9. Part1.1_1.sldprt
103 KB
10. Part1.2.3.sldprt
76.5 KB
11. Part1.6.sldprt
87.5 KB
12. Part1.6_1.sldprt
87 KB
13. Part1.7.sldprt
103 KB
14. Part1.7_1.sldprt
103 KB
15. Part1.CATPart
70.6 KB
16. Part1.sldprt
76.5 KB
17. Part12.1.sldprt
58.5 KB
18. Part12.CATPart
675 KB
19. Part12.sldprt
410 KB
20. Part12_1.sldprt
1.5 KB
21. Part12_2.sldprt
361 KB
22. Part13.CATPart
51.7 KB
23. Part2.CATPart
70.4 KB
24. Part3.CATPart
84 KB
25. Part4.CATPart
81.5 KB
26. Part5.CATPart
60.6 KB
27. Product1.1.sldasm
1.01 MB
28. Product1.CATProduct
94.5 KB
29. Product1.DWG
95.9 KB
30. Product1.SLDASM
957 KB
31. Product1.stp
488 KB
32. assemby.CATProduct
33.1 KB
33. dayougang.CATPart
1.16 MB
34. gan.CATPart
72.4 KB
35. huigan.CATPart
1.14 MB
36. luo_1.CATPart
1.18 MB
37. luomu.CATPart
1.12 MB
38. xiaohuosai.CATPart
1.15 MB
39. xiaoyougang.CATPart
1.21 MB
40. 制图样例.exb
147 KB
41. 制图样例.exb
147 KB
42. 千斤顶总装图.dwg
123 KB
43. 地方vfdggxfbhgstbhgtyh.png
4.34 KB
44. 地方vfdggxfbhgstbhgtyhgtytfhy.png
4.34 KB
45. 所有零件图.dwg
100 KB
46. 所有零件图.dwg
94.6 KB
47. 版装配.dwg
63.3 KB
48. 答辩封皮.doc
105 KB
49. 答辩封皮.doc
105 KB
50. 答辩用表格.doc
367 KB
51. 答辩用表格.doc
367 KB
52. 答辩论文.doc
104 KB
53. 答辩论文.doc
104 KB
54. 答辩陈述和记录.doc
33.5 KB
55. 答辩陈述和记录.doc
33.5 KB
56. 装配图.DWG
212 KB
【液压千斤顶_A毕业设计】相关作品
滚动更载更多~
提示
×

下载该图档需要消耗20金币!

确认下载
加载中