原稿!!YE236-蜗轮蜗杆减速器壳体工艺规程及夹具设计【镗左右通孔 钻6-M8孔】AutoCAD图档

图档名称为:原稿!!YE236-蜗轮蜗杆减速器壳体工艺规程及夹具设计【镗左右通孔 钻6-M8孔】,属于设备部件,电机减速机分类,软件为AutoCAD, 图纸格式为dwg,可在线预览,可编辑,可供设计参考

加入收藏
模型参数

模型ID:10257553

模型大小:2.37M

软件版本: AutoCAD 2007

模型格式:dwg

是否可编辑:可修改,包括参数

上传时间:2025-06-25

图纸介绍:

下载模型
作品: 283
粉丝: 0
文件列表
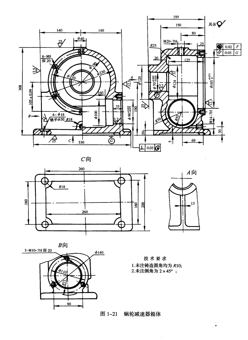
1. 工件图.png
229 KB
2. 蜗轮蜗杆减速器箱体.rtf
4.34 MB
3. 赵峰毕业设计任务书.doc
56.5 KB
4. !!YE236-蜗轮蜗杆减速器壳体 工艺卡片.doc
112 KB
5. !!YE236-蜗轮蜗杆减速器壳体工艺规程及夹具设计【镗左右通孔+钻6-M8孔】所有图集合.dwg
1.22 MB
6. !!YE236-蜗轮蜗杆减速器壳体说明书.doc
1.86 MB
7. !!YE236-蜗轮蜗杆减速器箱体机械加工工序卡.doc
1.12 MB
【原稿!!YE236-蜗轮蜗杆减速器壳体工艺规程及夹具设计【镗左右通孔 钻6-M8孔】】相关作品
下载提示
×

下载该图档需要消耗10金币!

确认下载
-- 热门充值套餐 · 限时优惠 --
加载中