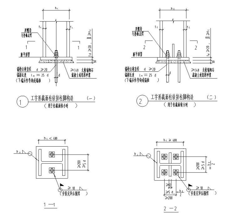
钢结构标准常用节点工字钢结柱脚支撑的连接构造CAD节点大样图AutoCAD图档

CAD图档名称为:钢结构标准常用节点工字钢结柱脚支撑的连接构造CAD节点大样图,属于机械设备,钢结构支架分类,软件为AutoCAD, 图纸格式为dwg,可在线预览,可编辑,可供设计参考

加入收藏
模型参数

模型ID:10246469

模型大小:180.59KB

软件版本: AutoCAD 2004

模型格式:dwg

是否可编辑:可修改,包括参数

上传时间:2025-06-13

图纸介绍:

下载模型
文件列表
1. 123623c9shoayjvzjtdo9m.jpg
49.1 KB
2. 工字钢结柱脚.dwg
64.8 KB
3. 工字铰结柱脚.dwg
54.3 KB
4. 钢柱柱脚构造详图一览表.dwg
87.4 KB
【钢结构标准常用节点工字钢结柱脚支撑的连接构造CAD节点大样图】相关作品
下载提示
×

下载该图档需要消耗20金币!

确认下载
-- 热门充值套餐 · 限时优惠 --
加载中