ok 20140525xj图纸更改 450AutoCAD,SolidWorks,step 3D模型

3D模型名称为:ok 20140525xj图纸更改 450,属于机械设备,非标机械分类,软件为AutoCAD,SolidWorks,step, 三维模型格式为dwg,sldprt,step,pdf,sldasm,可在线预览,可编辑,可供设计参考

加入收藏
模型参数

模型ID:10241248

模型大小:3.12M

软件版本: AutoCAD 2012,SolidWorks,step

模型格式:dwg,sldprt,step,pdf,sldasm

是否可编辑:可修改,包括参数

上传时间:2025-06-07

图纸介绍:

下载模型
听潮生
作品: 0
粉丝: 0
文件列表
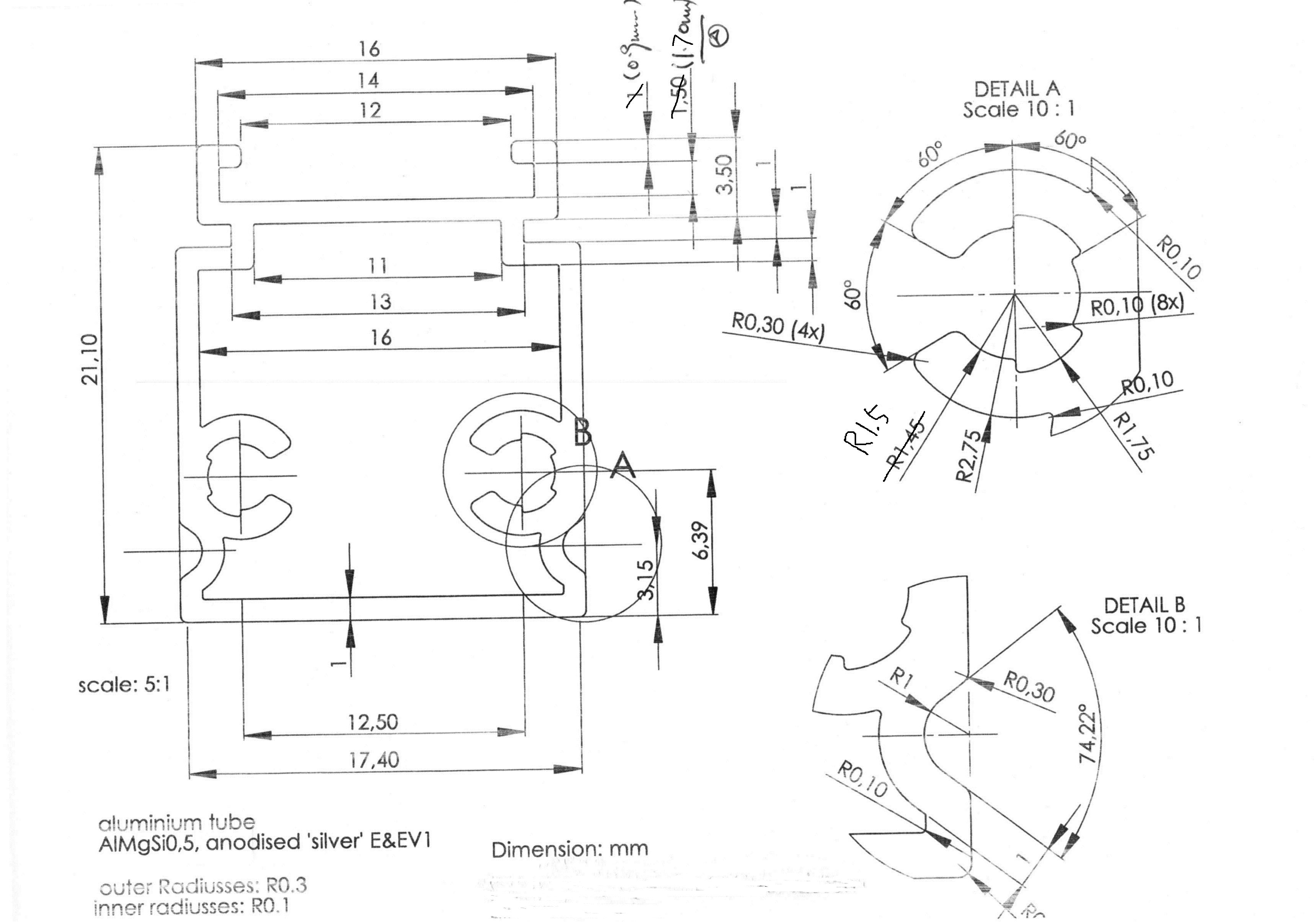
1. CCI20140520_0000 -汇捷铝材-013.jpg
694 KB
2. CCI20140520_0001 -汇捷PC罩-18R15-透明.jpg
291 KB
3. CCI20140520_0002 -汇捷PC罩-18R15-扩光.jpg
432 KB
4. HJ-DUTOU013-A.DWG
147 KB
5. HJ-DUTOU013-A.DWG
147 KB
6. HJ-DUTOU013-A.SLDPRT
168 KB
7. HJ-DUTOU013-A.bak
138 KB
8. HJ-DUTOU013-B.DWG
137 KB
9. HJ-DUTOU013-B.DWG
137 KB
10. HJ-DUTOU013-B.bak
137 KB
11. HJ-LXC013.DWG
129 KB
12. HJ-LXC013.DWG
129 KB
13. HJ-LXC013.SLDPRT
431 KB
14. HJ-LXC013.bak
114 KB
15. HJ-PCZ012.DWG
92.5 KB
16. HJ-PCZ012.DWG
92.5 KB
17. HJ-PCZ012.SLDPRT
201 KB
18. HJ-PCZ013.DWG
106 KB
19. HJ-PCZ013.DWG
106 KB
20. HJ-PCZ013.SLDPRT
236 KB
21. LED灯条设计报价单20140524.doc
28 KB
22. pc罩装配.STEP
491 KB
23. pc罩装配.STEP
491 KB
24. 图纸要求.pdf
127 KB
25. 条纹pc罩装配.STEP
639 KB
26. 条纹pc罩装配.STEP
639 KB
27. 模板.DWG
182 KB
28. 装配体1.SLDASM
546 KB
【ok 20140525xj图纸更改 450】相关作品
提示
×

下载该图档需要消耗10金币!

确认下载
加载中